电脑桌面
添加小米粒文库到电脑桌面
安装后可以在桌面快捷访问

航头人防施工方案VIP免费

航头人防施工方案_第1页
1/32
航头人防施工方案_第2页
2/32
航头人防施工方案_第3页
3/32
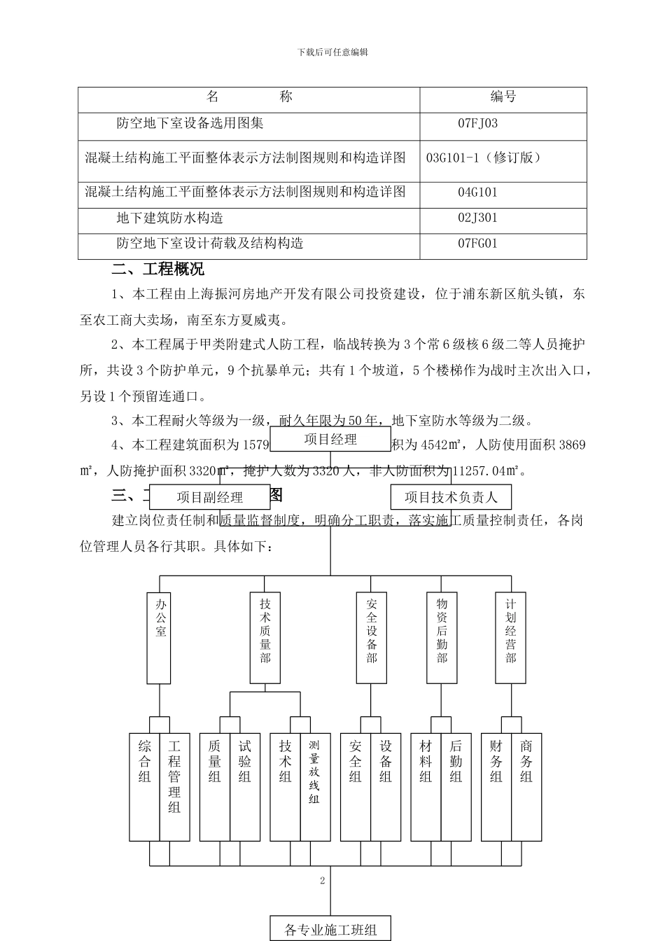
下载后可任意编辑航头 7 街坊 19/7 改扩建工程人民防空地下室工程(一、土建部分)一、编制依据1、依据上海市结建民防建筑设计有限公司设计的航头 7 街坊工程地下人防建筑、结构工程施工图,根据现行施工质量规程、法律规范的工艺标准。2、主要图集、法律规范2.1 主要规程、法律规范类 别编 号名 称规 范规 程GB50038-2024 人民防空地下室设计法律规范RFJ1-97 人民防空工程防化设计法律规范GB50016-2024民用建筑设计防火法律规范GB50098-2024人民防空工程设计防火法律规范GB50108-2024地下工程防水技术法律规范GB50108-2024地下工程防水技术规程GB50134-2024人民防空工程施工及验收法律规范JGJ3-2024高层建筑混凝土结构技术法律规范GB50202-2024建筑地基基础工程质量验收法律规范GB50300-2001建筑工程施工质量验收统一标准GB50204-2024混凝土结构工程施工质量验收法律规范GB50203-2024砌体工程施工质量验收法律规范DGJ08-9-2024上海市建筑抗震设计规程GB50209-2024建筑地面工程施工质量验收法律规范GB50210-2001建筑装饰装修工程质量验收法律规范GB50011-2001建筑抗震设计法律规范及 08 年局部修订条文2.2 主要图集、标准1下载后可任意编辑名 称编号防空地下室设备选用图集07FJ03混凝土结构施工平面整体表示方法制图规则和构造详图03G101-1(修订版)混凝土结构施工平面整体表示方法制图规则和构造详图04G101地下建筑防水构造02J301防空地下室设计荷载及结构构造07FG01二、工程概况1、本工程由上海振河房地产开发有限公司投资建设,位于浦东新区航头镇,东至农工商大卖场,南至东方夏威夷。2、本工程属于甲类附建式人防工程,临战转换为 3 个常 6 级核 6 级二等人员掩护所,共设 3 个防护单元,9 个抗暴单元;共有 1 个坡道,5 个楼梯作为战时主次出入口,另设 1 个预留连通口。3、本工程耐火等级为一级,耐久年限为 50 年,地下室防水等级为二级。4、本工程建筑面积为 15799.04㎡。人防建筑面积为 4542㎡,人防使用面积 3869㎡,人防掩护面积 3320㎡,掩护人数为 3320 人,非人防面积为 11257.04㎡。三、工程组织结构网络图 建立岗位责任制和质量监督制度,明确分工职责,落实施工质量控制责任,各岗位管理人员各行其职。具体如下:2办公室项目经理项目副经理项目技术负责人各专业施工班组技术质量部安全设备部计划经营部物资后勤部测量放线组技术组试验组质量组工程管理组综合组安全组设备组材料组后...

1、当您付费下载文档后,您只拥有了使用权限,并不意味着购买了版权,文档只能用于自身使用,不得用于其他商业用途(如 [转卖]进行直接盈利或[编辑后售卖]进行间接盈利)。
2、本站所有内容均由合作方或网友上传,本站不对文档的完整性、权威性及其观点立场正确性做任何保证或承诺!文档内容仅供研究参考,付费前请自行鉴别。
3、如文档内容存在违规,或者侵犯商业秘密、侵犯著作权等,请点击“违规举报”。

碎片内容

航头人防施工方案

您可能关注的文档

确认删除?
VIP
微信客服
  • 扫码咨询
会员Q群
  • 会员专属群点击这里加入QQ群
客服邮箱
回到顶部