电脑桌面
添加小米粒文库到电脑桌面
安装后可以在桌面快捷访问

轨道交通施工安全检查用表VIP免费

轨道交通施工安全检查用表_第1页
1/13
轨道交通施工安全检查用表_第2页
2/13
轨道交通施工安全检查用表_第3页
3/13
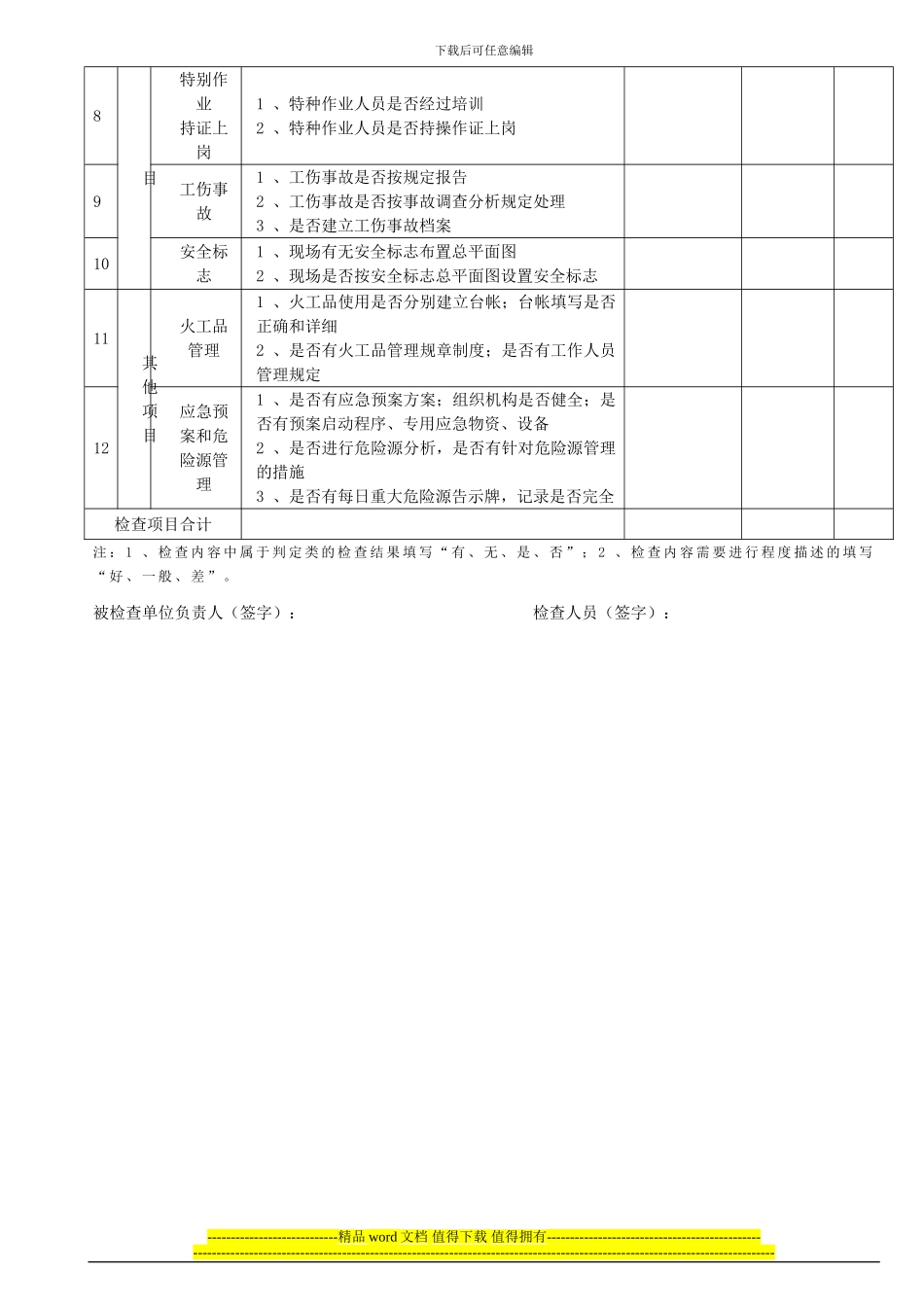
下载后可任意编辑 安 全 生 产 管 理 检 查 用 表 表1被检查单位: 检查时间:序号检查项目检查内容施工单位自评检查结果备注1保证项目安全生产责任制1 、是否建立安全责任制2 、各级各部门是否执行责任制3 、经济承包中有无安全生产指标4 、是否制定各工种安全技术操作规程5 、是否按规定配备专( 兼) 职安全员6 、管理人员责任制考核是否合格2目标管理1 、是否制定安全管理目标( 伤亡控制指标和安全达标、文明施工目标) 2 、是否进行安全责任目标分解3 、是否有责任目标考核规定4 、考核办法未落实或落实不好3施工组织设 计1 、施工组织设计中有无安全措施2 、施工组织设计是否经审批3 、专业性较强的项目,是否单独编制专项安全措施4 、安全措施是否全面安全措施是否有针对性5 、安全措施是否落实4分部( 分项)工程安全技术交底1 、是否有书面安全技术交底2 、交底是否有针对性3 、交底是否全面4 、交底是否履行签字手续5安全检查1 、是否有定期安全检查制度2 、安全检查有无记录3 、检查出事故隐患整改是否做到定人、定时间、定措施4 、对重大事故隐患整改通知书所列项目是否如期完成6安全教育1 、是否有安全教育制度2 、新入场工人是否进行三级安全教育3 、安全教育内容是否具体4 、变换工种时是否进行安全教育5 、施工管理人员是否按规定进行年度培训的6 、专职安全员是否按规定进行年度培训考核7一般项班前安全活动1 、是否建立班前安全活动制度2 、班前安全活动有无记录----------------------------精品 word 文档 值得下载 值得拥有---------------------------------------------------------------------------------------------------------------------------------------------------------------------------下载后可任意编辑目8特别作业持证上岗1 、特种作业人员是否经过培训2 、特种作业人员是否持操作证上岗9工伤事故1 、工伤事故是否按规定报告2 、工伤事故是否按事故调查分析规定处理3 、是否建立工伤事故档案10安全标志1 、现场有无安全标志布置总平面图2 、现场是否按安全标志总平面图设置安全标志11其他项目火工品管理1 、火工品使用是否分别建立台帐;台帐填写是否正确和详细2 、是否有火工品管理规章制度;是否有工作人员管理规定12应急预案和危险源管理1 、是否有应急预案方案;组织机构是否健全;是否有预案启动程序、专用应急物资、设备2 、是否进行...

1、当您付费下载文档后,您只拥有了使用权限,并不意味着购买了版权,文档只能用于自身使用,不得用于其他商业用途(如 [转卖]进行直接盈利或[编辑后售卖]进行间接盈利)。
2、本站所有内容均由合作方或网友上传,本站不对文档的完整性、权威性及其观点立场正确性做任何保证或承诺!文档内容仅供研究参考,付费前请自行鉴别。
3、如文档内容存在违规,或者侵犯商业秘密、侵犯著作权等,请点击“违规举报”。

碎片内容

轨道交通施工安全检查用表

确认删除?
VIP
微信客服
  • 扫码咨询
会员Q群
  • 会员专属群点击这里加入QQ群
客服邮箱
回到顶部