电脑桌面
添加小米粒文库到电脑桌面
安装后可以在桌面快捷访问

钻孔桩成孔施工技术交底记录VIP免费

钻孔桩成孔施工技术交底记录_第1页
1/9
钻孔桩成孔施工技术交底记录_第2页
2/9
钻孔桩成孔施工技术交底记录_第3页
3/9
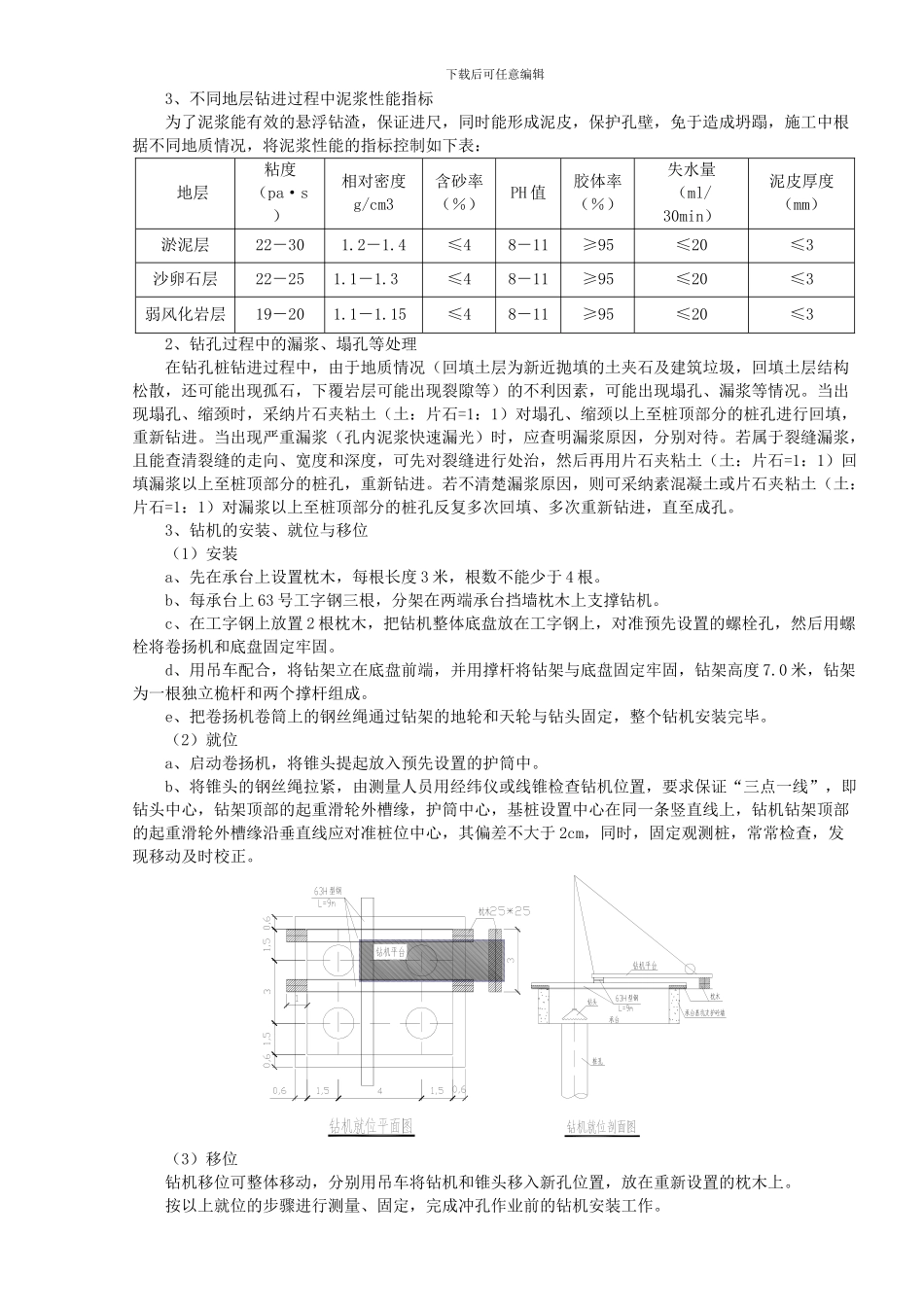
下载后可任意编辑施工技术交底记录编号: 轨道交通通用表-052工程名称重庆市轨道交通三号线二期全线土建工程施工合同编号三号 2—工程—土2024—042—007单位(子单位)工程名称凉井站至双龙站土建工程(DK31+037.78~DK33+316.46 段)施工单位单轨公司二期土建项目经理部第四项目部分部工程名称基础工程分项工程名称钻孔灌注桩交底部位冲击钻成孔交底时间交底内容:重庆市轨道交通三号线二期全线土建工程凉井站至双龙站土建工程区间高架桥墩钻孔桩孔桩成孔施工技术交底书(共 10 页)。一、编制依据:附后二、工程概况:附后三、冲击钻孔灌注桩施工方案及施工方法:附后四、主要操作要求和注意事项:附后五、钢筋制安:附后六、水下灌注砼:附后七、泥浆外运:附后八、安全措施:附后 九、控制质量的具体措施:附后 十、施工过程中常见事故现象及处理方法:附后 十一、安全施工保证措施:附后技术负责人(交底人):项目经理: 年 月 日技术员姓名施工工长姓名班组长姓名下载后可任意编辑重庆市轨道交通三号线二期全线土建工程凉井站至双龙站土建工程钻孔桩成孔施工技术交底书一 编制依据1.1 本工程施工图;1.2 国家现行施工及验收法律规范、《结构混凝土施工技术规定》(试行)重庆市轨道交通总公司发布(2024 年 4 月),《跨座式单轨轨道桥梁工程质量检验评定办法》(试行)重庆市轨道交通总公司(2024 年 7 月)。1.3 本工程的总体及专项施工组织设计。1.4 公司质量、环境、安全、职业健康一体化作业文件1.5 重庆市建筑施工场地安全文明施工标准,重庆市环境保护、人员健康的有关规定。二 工程概况本区间工程(下部工程)位于经开区和渝北区城市主干道沿线,沿金开大道(长安福特段)中间分隔带及右侧人行道前行至兴科大道渝越加油站处。区间下部结构起于重庆市经开区金开大道云祥路路口处的中央隔离带上,沿金开大道(长安福特段)中央分隔带及右侧人行道由西向东穿过回兴二转盘向北转接兴科大道,起止里程为 DK31+051~DK33+330,全长 2280.68 米(包括凉井站—回兴站高架区间、回兴车站及回兴站—两路站部分高架区间)。设计盖梁 113 个(其中门型横梁 22 个,T 构盖梁3 个,倒 L 形盖梁 15 个),墩柱 129 个,承台 28 个,人工挖孔桩基共 114 根,钻孔桩基 102 根。三、冲击钻孔灌注桩施工方案及方法(一)钻孔灌注桩施工方案开工前规划施工机械、工具的进场与停放安置,进行现场测量放样...

1、当您付费下载文档后,您只拥有了使用权限,并不意味着购买了版权,文档只能用于自身使用,不得用于其他商业用途(如 [转卖]进行直接盈利或[编辑后售卖]进行间接盈利)。
2、本站所有内容均由合作方或网友上传,本站不对文档的完整性、权威性及其观点立场正确性做任何保证或承诺!文档内容仅供研究参考,付费前请自行鉴别。
3、如文档内容存在违规,或者侵犯商业秘密、侵犯著作权等,请点击“违规举报”。

碎片内容

钻孔桩成孔施工技术交底记录

您可能关注的文档

确认删除?
VIP
微信客服
  • 扫码咨询
会员Q群
  • 会员专属群点击这里加入QQ群
客服邮箱
回到顶部