电脑桌面
添加小米粒文库到电脑桌面
安装后可以在桌面快捷访问

柳州城中区2018年危险化学品经营许可证统计表VIP免费

柳州城中区2018年危险化学品经营许可证统计表_第1页
1/4
柳州城中区2018年危险化学品经营许可证统计表_第2页
2/4
柳州城中区2018年危险化学品经营许可证统计表_第3页
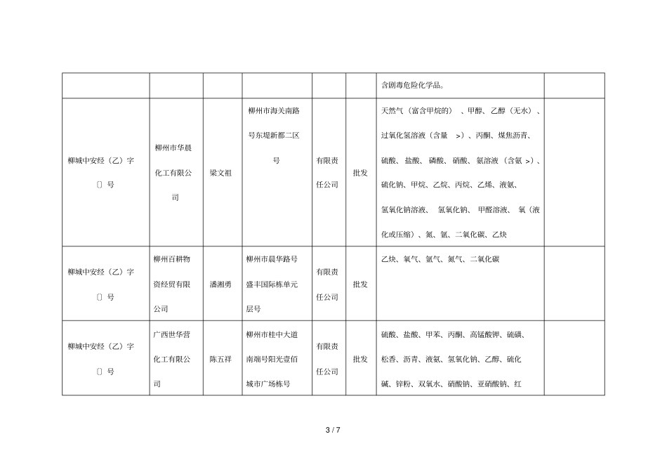
3/4
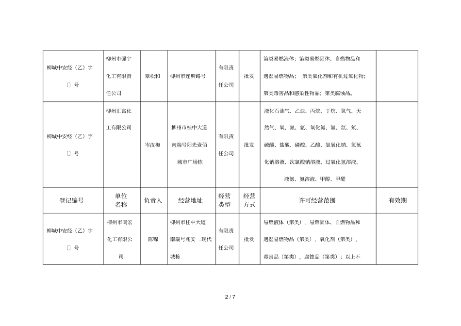
1 / 7 柳州市城中区年度危险化学品经营许可证统计表登记编号单位名称负责人经营地址经营类型经营方式许可经营范围有效期柳城中安经(乙)字〔〕号广西长海运贸物资有限责任公司赵俊柳州市潭中东路号单元层号有限责任公司批发乙炔、丙烷、氧[压缩的或液化的]、氮 [压缩的或液化的 ]、氩 [压缩的或液化的]、二氧化碳[压缩的或液化的]、硫酸、盐酸、磷酸、重铬酸钠、氧化钡、过氧化氢溶液[含量 >]、氢氧化钠、次氯酸钠溶液柳城中安经(乙)字〔〕号柳州市松鑫贸易有限公司雷发平柳州市东环大道号之一居上东旺阁栋有限责任公司批发石灰、沥青、焦油、硫磺、乙醇溶液、甲醇、磷酸、硫酸、甲缩醛、二氯甲烷、四氯化碳、双氧水、甲醛、冰醋酸、电石、柴油(柴油需取得商务部门许可后才能开展经营活动)2 / 7 柳城中安经(乙)字〔〕号柳州市强宇化工有限责任公司覃松和柳州市连塘路号有限责任公司批发第类易燃液体;第类易燃固体、自燃物品和遇湿易燃物品; 第类氧化剂和有机过氧化物;第类毒害品和感染性物品;第类腐蚀品。柳城中安经(乙)字〔〕号柳州汇富化工有限公司岑汝梅柳州市桂中大道南端号阳光壹佰城市广场栋有限责任公司批发液化石油气、乙炔、丙烷、丁烷、氢气、天然气、氧、氮、氩、氧化氮、氦、氙、氖、硫酸、盐酸、磷酸、乙酸、氢氧化钠、氢氧化钠溶液、次氯酸钠溶液、过氧化氢溶液、液氨、氨溶液、甲醇、甲醛登记编号单位名称负责人经营地址经营类型经营方式许可经营范围有效期柳城中安经(乙)字〔〕号柳州市闽宏化工有限公司陈锦柳州市桂中大道南端号兆安 .现代城栋有限责任公司批发易燃液体(第类),易燃固体、自燃物品和遇湿易燃物品(第类),氧化剂(第类),毒害品(第类),腐蚀品(第类);以上不3 / 7 含剧毒危险化学品。柳城中安经(乙)字〔〕号柳州市华晨化工有限公司梁文祖柳州市海关南路号东堤新都二区号有限责任公司批发天然气(富含甲烷的) 、甲醇、乙醇(无水) 、过氧化氢溶液(含量>)、丙酮、煤焦沥青、硫酸、 盐酸、 磷酸、 硝酸、 氨溶液 (含氨 >)、硫化钠、甲烷、乙烷、丙烷、乙烯、液氨、氢氧化钠溶液、 氢氧化钠、 甲醛溶液、 氧(液化或压缩)、氮、氩、二氧化碳、乙炔柳城中安经(乙)字〔〕号柳州百耕物资经贸有限公司潘湘勇柳州市晨华路号盛丰国际栋单元层号有限责任公司批发乙炔、氧气、氩气、氮气、二氧化碳柳城中安经(乙)字〔〕号广西世华营化工有限公司陈五祥柳州市桂...

1、当您付费下载文档后,您只拥有了使用权限,并不意味着购买了版权,文档只能用于自身使用,不得用于其他商业用途(如 [转卖]进行直接盈利或[编辑后售卖]进行间接盈利)。
2、本站所有内容均由合作方或网友上传,本站不对文档的完整性、权威性及其观点立场正确性做任何保证或承诺!文档内容仅供研究参考,付费前请自行鉴别。
3、如文档内容存在违规,或者侵犯商业秘密、侵犯著作权等,请点击“违规举报”。

碎片内容

柳州城中区2018年危险化学品经营许可证统计表

您可能关注的文档

确认删除?
VIP
微信客服
  • 扫码咨询
会员Q群
  • 会员专属群点击这里加入QQ群
客服邮箱
回到顶部