电脑桌面
添加小米粒文库到电脑桌面
安装后可以在桌面快捷访问

桥梁施工工序记录表VIP免费

桥梁施工工序记录表_第1页
1/22
桥梁施工工序记录表_第2页
2/22
桥梁施工工序记录表_第3页
3/22
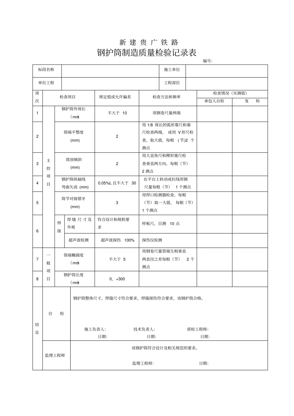
桥梁施工工序记录表一、填写说明1. 各单位在施工过程中,应根据实际需要选用相关表格进行过程工序记录,有的要作为质量验收或隐蔽工程检查的支持性记录附在其后,并纳入竣工文件,有的要作为追溯性资料待时查询,需要自行妥善保存。例如,钢护筒作为正式结构受力时,应填写钢护筒制造质量检验记录表。2. 编号方法:标段号-施工单位拼音第一个字母缩写和分项目部编号-表 格 代 码 - 年 月 日 ( 八 位 ) - 序 号 ( 当 天 顺 号 )。 如 :GGTJ2-SDJn-CLFY-20081220-2。(GGTJ2 :贵广 2 标;SDJn :隧道局第 n分项目部; CLFY :测量放样)。3. 施工日志和监理日志均采用A4 纸大小,由各施工单位和监理单位自行印刷(采用纸张材质不低于70gA4 纸),其封面、填写要求和内页按本册样式执行。4. 工序记录表应由技术负责人、质检工程师、施工负责人和监理工程师四方签字,签字要由本人手签,不得他人代签或打印。其中:“技术负责人 ”是指负责本工点技术指导和管理的技术员或工程师;“质检工程师 ”是指取得局级及以上部门质量检查证的专职质量检查工程师或质检员;“施工负责人 ”是指具体负责本工点施工组织的行政负责人;“监理工程师 ”是指取得铁道部或国家监理资格证书的现场监理人员。凡其它记录表中涉及上述人员时,含义均同(除有专门说明外)。记录表中涉及其它人员签字的,按相应岗位职责人员签字。“记录人”应优先由专业技术人员担任,当委托其它人员进行记录时,必须由“技术负责人”对记录人进行专门交底或培训相关知识。二、混凝土抗压强度评定说明桥梁工程混凝土抗压强度评定原则上按每个墩台的分部混凝土分别评定;三、表格式样 (附后)新 建 贵 广 铁 路钢护筒制造质量检验记录表编号:标段名称施工单位单位工程工程部位项次检查项目规定值或允许偏差检查方法和频率检查情况(实测值)承包人自检复检1 主控项目钢护筒外周长(mm)不大于 10 用钢卷尺量两端2 筒端平整度(mm) 2 用 1/8 周长的弧形靠尺和塞尺检查两端, 或用 V 形尺检查,取大值,每根( 节)2 个测点3 筒顶倾斜(mm) 2 用大直角尺和楔形塞尺检查垂直两方向,每根(节)2 测点4 钢护筒纵轴线弯曲矢高 (mm) 0.05%L 且不大于 30 在平台上转动或拉线用钢尺量每根(节)1 个测点5 筒节对接错牙(mm) 3 用焊口检测器检查,每根(节)取一大值, 每根(节)1 个测点6 焊接焊 缝 尺 寸 及...

1、当您付费下载文档后,您只拥有了使用权限,并不意味着购买了版权,文档只能用于自身使用,不得用于其他商业用途(如 [转卖]进行直接盈利或[编辑后售卖]进行间接盈利)。
2、本站所有内容均由合作方或网友上传,本站不对文档的完整性、权威性及其观点立场正确性做任何保证或承诺!文档内容仅供研究参考,付费前请自行鉴别。
3、如文档内容存在违规,或者侵犯商业秘密、侵犯著作权等,请点击“违规举报”。

碎片内容

桥梁施工工序记录表

您可能关注的文档

确认删除?
VIP
微信客服
  • 扫码咨询
会员Q群
  • 会员专属群点击这里加入QQ群
客服邮箱
回到顶部