电脑桌面
添加小米粒文库到电脑桌面
安装后可以在桌面快捷访问

LED电子钟显示时间VIP免费

LED电子钟显示时间_第1页
1/36
LED电子钟显示时间_第2页
2/36
LED电子钟显示时间_第3页
3/36
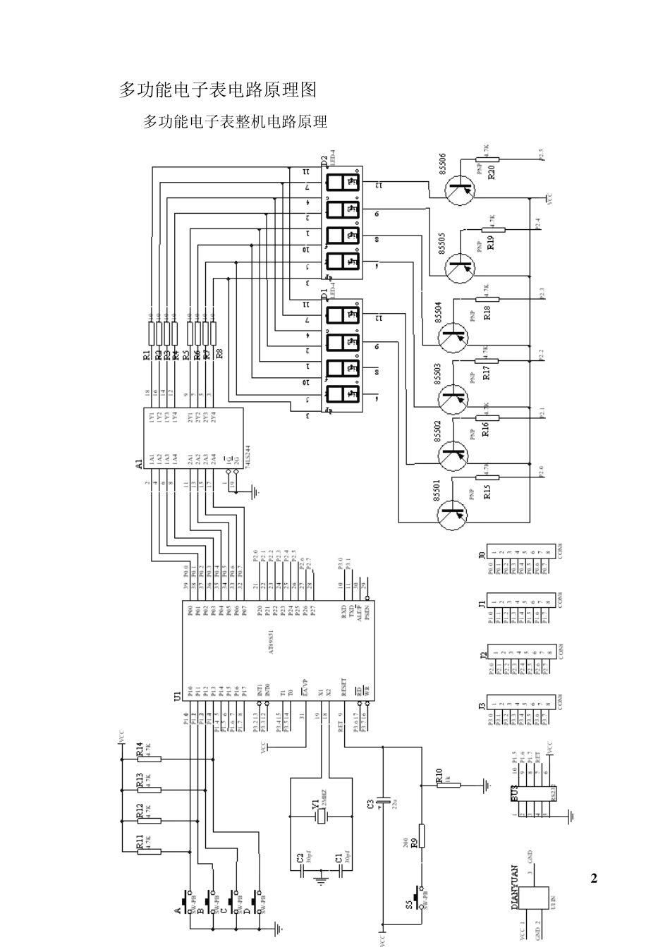
0 《单片机技术》课程设计任务 1、本课题任务如下: 设计一个具有特定功能的电子钟。该电子钟上电或按键复位后能自动显示系统提示符“P.”, 进入时钟准备状态;第一次按电子钟启动/调整键,电子钟从 0时 0分 0秒开始运行,进入时钟运行状态;再次按电子钟启动/调整键,则电子钟进入时钟调整状态,此时可利用各调整键调整时间,调整结束后可按启动/调整键再次进入时钟运行状态。 2、本课题要求如下: (1)在 AT89S51的P0口和 P2口外接由六个LED数码管(LED5~LED0)构成的显示器,用 P0口作 LED的段码输出口(P0.0~P0.7对应于 LED的a~dp),P2.5~P2.0作 LED的位控输出线(P2.5~P2.0对应于 LED5~LED0),P1口外接四个按键A、B、C、D(对应于 P1.0~P1.3)。 (2)、利用六个LED显示当前时间。 (3)、四个按键的功能:A键用于电子钟启动/调整;B键用于调时,范围0-23,0为 24点,每按一次时加 1;C键用于调分,范围 0-59,0 为 60分,每按一次分加 1;D键用于调秒, 范围 0-59,0为 60秒,每按一次秒加 1。 方案四: 独立式按键,LED动态显示。 该方案方框图如图 1.2.4所示,独立式按键直接与单片机I/O口相连构成键盘,每个按键不会相互影响,因本系统用到的按键比较少,采用独立式键盘不会浪费 I/O口线,所以本系统采用独立式键盘。动态显示的亮度虽然不如静态显示,但其硬件电路较简单,可节省硬件成本,虽然动态扫描需占用CPU较多的时间,但本系统中的单片机没有很多实时测控任务,因此,本系统采用此种方案。 1 2 多功能电子表的工作原理 本设计中的电子钟的核心是AT89S51单片机,其内部带有4KB在线可编程Flash存储器的单片机,无须外扩程序存储器,硬件电路主要由四部分构成:时钟电路,复位电路,键盘以及显示电路。 时钟电路是电子表硬件电路的核心,没有时钟电路,电子表将无法正常工作计时。本系统时钟电路采用的晶振的频率为12MHz,定时器采用的是定时器0工作在方式1定时,用于实现时、分、秒的计时,定时时间为62.5ms。复位电路可使电子表恢复到初始状态。键盘可对电子表进行开启、停止,还能实现时、分、秒的显示及设定等操作。显示电路由两个共阳级 4位一体 LED数码管构成,它的段控端和位控端通过 74LS244及其S8550PNP型号三极管与 AT89S51单片机的I/O口相连,显示器可使电子表显示出时、分、秒。 多功能电子表的计时原理为:上电后,电子表显示P.提示符,按下 A键后,电子表从 00:00:00...

1、当您付费下载文档后,您只拥有了使用权限,并不意味着购买了版权,文档只能用于自身使用,不得用于其他商业用途(如 [转卖]进行直接盈利或[编辑后售卖]进行间接盈利)。
2、本站所有内容均由合作方或网友上传,本站不对文档的完整性、权威性及其观点立场正确性做任何保证或承诺!文档内容仅供研究参考,付费前请自行鉴别。
3、如文档内容存在违规,或者侵犯商业秘密、侵犯著作权等,请点击“违规举报”。

碎片内容

LED电子钟显示时间

小辰5+ 关注
实名认证
内容提供者

出售各种资料和文档

确认删除?
VIP
微信客服
  • 扫码咨询
会员Q群
  • 会员专属群点击这里加入QQ群
客服邮箱
回到顶部