电脑桌面
添加小米粒文库到电脑桌面
安装后可以在桌面快捷访问

led驱动电路图及其它知识VIP免费

led驱动电路图及其它知识_第1页
1/15
led驱动电路图及其它知识_第2页
2/15
led驱动电路图及其它知识_第3页
3/15
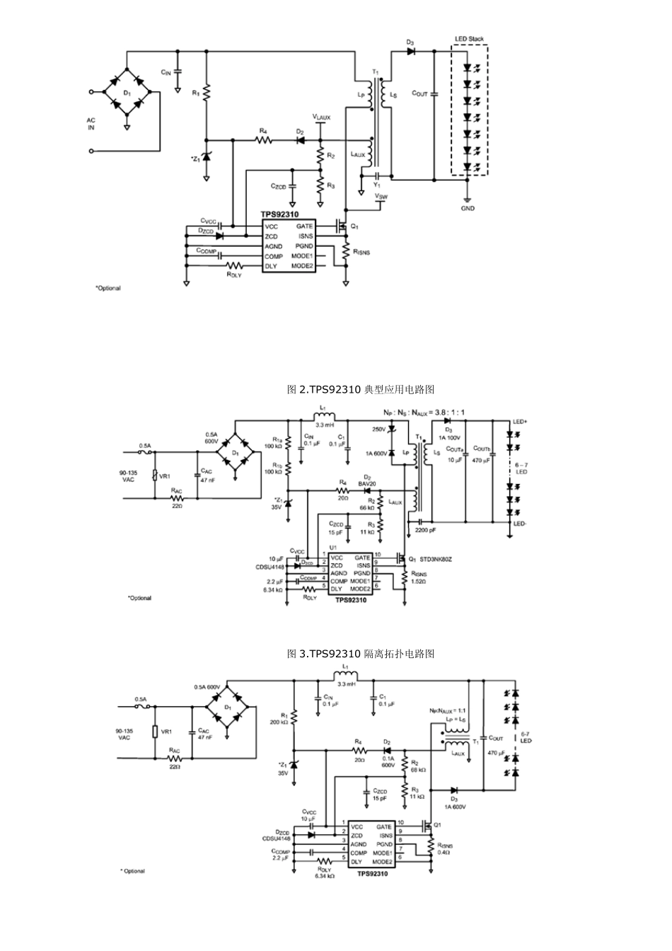
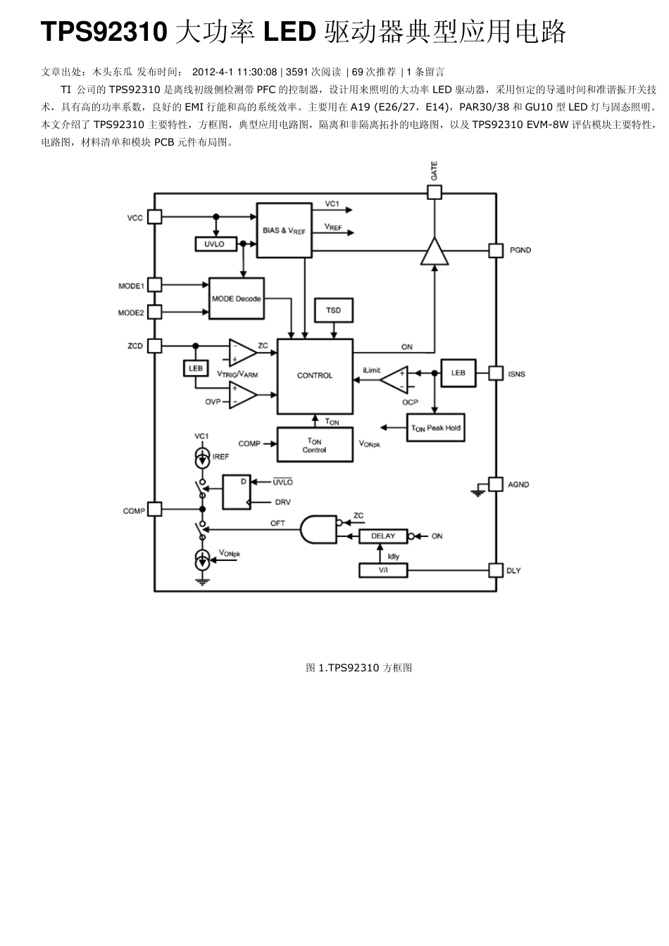
TPS92310 大功率LED 驱动器典型应用电路 文章出处:木头东瓜 发布时间: 2012-4-1 11:30:08 | 3591 次阅读 | 69 次推荐 | 1 条留言 TI 公司的TPS92310 是离线初级侧检测带PFC 的控制器,设计用来照明的大功率LED 驱动器,采用恒定的导通时间和准谐振开关技术,具有高的功率系数,良好的EMI 行能和高的系统效率。主要用在 A19 (E26/27,E14),PAR30/38 和GU10 型LED 灯与固态照明。本文介绍了 TPS92310 主要特性,方框图,典型应用电路图,隔离和非隔离拓扑的电路图,以及 TPS92310 EVM-8W 评估模块主要特性,电路图,材料清单和模块 PCB 元件布局图。 图 1.TPS92310 方框图 图2.TPS92310 典型应用电路图 图3.TPS92310 隔离拓扑电路图 图4.TPS92310 非隔离拓扑电路图 LED驱动电源电路图 LED和其他用电器电源电路一样,如,采用开关电源电路,可以让负载得到质量很好的直流电源,但是电路图,不方便制作,下面给大家介绍一种简易电路,专用于LED驱动电源电路图中,LED驱动电源电路中的元器件也很少,方便制作,元器件参数在电路中,供参考。LED驱动电源电路图如下: 本文介绍一种大功率LED驱动电路模块。主要用于大功率led灯电路中,可以大功率LED灯电路的驱动问题,采用PAM2803就可以轻松实现驱动问题,先介绍一下PAM2803模块的功能。 PAM2803介绍 PAM2803模块是专用于对大功率LED灯电路实现驱动之用。PAM2803启动电压小,只有0.9V,PAM3803恒流工作电压是1.8~6v,自带过压保护。封装采用SOT23-6。最适用于用于电池供电而升压的LED驱动电路中。PAM2803采用PWM控制方式开DC-DC升压驱动电路。可以驱动3W大功率LED灯电路,电流可以由外部反馈电路调节,可以在500MA——1A 可调,效率可以达到90%。 大功率LED灯电路驱动电路图 应用本模块,元器件少,方便制作,只要安装少量的元器件就可以稳定工作,非常适应于简易电路中,元器件参数在电路中,可以自己制作试一试,效果非常好。 ic 集成电路 集成电路(integrated circuit,港台称之为积体电路)是一种微型电子器件或部件。采用一定的工艺,把一个电路中所需的晶体管、二极管、电阻、电容和电感等元件及布线互连一起,制作在一小块或几小块半导体晶片或介质基片上,然后封装在一个管壳内,成为具有所需电路功能的微型结构;其中所有元件在结构上已组成一个整体,这样,整个电路的体积大大缩小,且引出线和焊接点的数目也大为减少,从而使电子元...

1、当您付费下载文档后,您只拥有了使用权限,并不意味着购买了版权,文档只能用于自身使用,不得用于其他商业用途(如 [转卖]进行直接盈利或[编辑后售卖]进行间接盈利)。
2、本站所有内容均由合作方或网友上传,本站不对文档的完整性、权威性及其观点立场正确性做任何保证或承诺!文档内容仅供研究参考,付费前请自行鉴别。
3、如文档内容存在违规,或者侵犯商业秘密、侵犯著作权等,请点击“违规举报”。

碎片内容

led驱动电路图及其它知识

您可能关注的文档

确认删除?
VIP
微信客服
  • 扫码咨询
会员Q群
  • 会员专属群点击这里加入QQ群
客服邮箱
回到顶部