电脑桌面
添加小米粒文库到电脑桌面
安装后可以在桌面快捷访问

桩基承载力自平衡法检测方案资料VIP免费

桩基承载力自平衡法检测方案资料_第1页
1/12
桩基承载力自平衡法检测方案资料_第2页
2/12
桩基承载力自平衡法检测方案资料_第3页
3/12
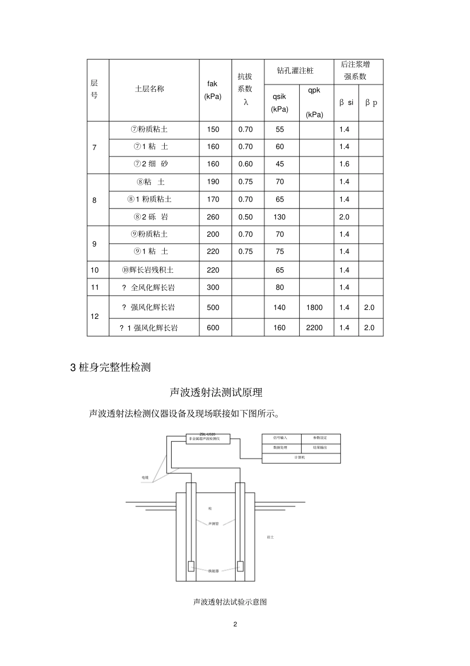
试验桩自平衡法、声波透射法检测方案1 1 概述1.1 工程概况为了保证施工的顺利进行和结构的安全可靠,根据国家规范和设计有关文件,对该工程指定的试桩采用静载(自平衡法)进行检测,并对试桩采用声波透射法进行桩身完整性检测。1.2 试验目的1. 确定桩身完整性2. 确定单桩竖向抗压极限承载力1.3 试验依据1. 《建筑桩基技术规范》 (JGJ 94-2008)2. 《建筑基桩检测技术规范》 (JGJ 106-2014)3. 《基桩静载试验自平衡法》(JT /T738-2009)4. 《基桩承载力自平衡检测技术规程》 (山东省工程建设标准)6. 设计图纸7. 地质报告2 地质情况依据勘察报告, 、各岩土层相关灌注桩桩基参数建议如下表:层号土层名称fak (kPa) 抗拔系数λ钻孔灌注桩后注浆增强系数qsik (kPa) qpk (kPa) β siβ p2 ②粉质粘土120 0.70 45 1.4 3 ③粘土130 0.70 45 1.4 4 ④粘 土140 0.70 50 1.4 5 ⑤粉质粘土140 0.70 50 1.4 ⑤1 粉 土150 0.70 40 1.4 6 ⑥粉质粘土150 0.70 50 1.4 ⑥1 中粗砂160 0.60 45 1.7 2 层号土层名称fak (kPa) 抗拔系数λ钻孔灌注桩后注浆增强系数qsik (kPa) qpk (kPa) β siβ p7 ⑦粉质粘土150 0.70 55 1.4 ⑦1 粘 土160 0.70 60 1.4 ⑦2 细 砂160 0.60 45 1.6 8 ⑧粘 土190 0.75 70 1.4 ⑧1 粉质粘土170 0.70 65 1.4 ⑧2 砾 岩260 0.50 130 2.0 9 ⑨粉质粘土200 0.70 70 1.4 ⑨1 粘 土220 0.75 75 1.4 10 ⑩辉长岩残积土220 65 1.4 11 ? 全风化辉长岩300 80 1.4 12 ? 强风化辉长岩500 140 1800 1.4 2.0 ? 1 强风化辉长岩600 160 2200 1.4 2.0 3 桩身完整性检测声波透射法测试原理声波透射法检测仪器设备及现场联接如下图所示。ZBL-U520非金属超声波检测仪信号输入参数设定数据处理结果输出计算机声测管换能器柱电缆岩土声波透射法试验示意图3 超声波透射法检测桩身结构完整性的基本原理是:由超声脉冲发射源在砼内激发高频弹性脉冲波, 并用高精度的接收系统记录该脉冲波在砼内传播过程中表现的波动特征;当砼内存在不连续或破损界面时,缺陷面形成波阻抗界面,波到达该界面时,产生波的透射和反射,使接收到的透射能量明显降低;当砼内存在松散、蜂窝、孔洞等严重缺陷时,将产生波的散射和绕射;根据波的初至到达时间和波的能量衰减特征、 频率变化及波形畸变程度等特性,可以获...

1、当您付费下载文档后,您只拥有了使用权限,并不意味着购买了版权,文档只能用于自身使用,不得用于其他商业用途(如 [转卖]进行直接盈利或[编辑后售卖]进行间接盈利)。
2、本站所有内容均由合作方或网友上传,本站不对文档的完整性、权威性及其观点立场正确性做任何保证或承诺!文档内容仅供研究参考,付费前请自行鉴别。
3、如文档内容存在违规,或者侵犯商业秘密、侵犯著作权等,请点击“违规举报”。

碎片内容

桩基承载力自平衡法检测方案资料

您可能关注的文档

确认删除?
VIP
微信客服
  • 扫码咨询
会员Q群
  • 会员专属群点击这里加入QQ群
客服邮箱
回到顶部