电脑桌面
添加小米粒文库到电脑桌面
安装后可以在桌面快捷访问

桩基隐蔽工程验收记录VIP免费

桩基隐蔽工程验收记录_第1页
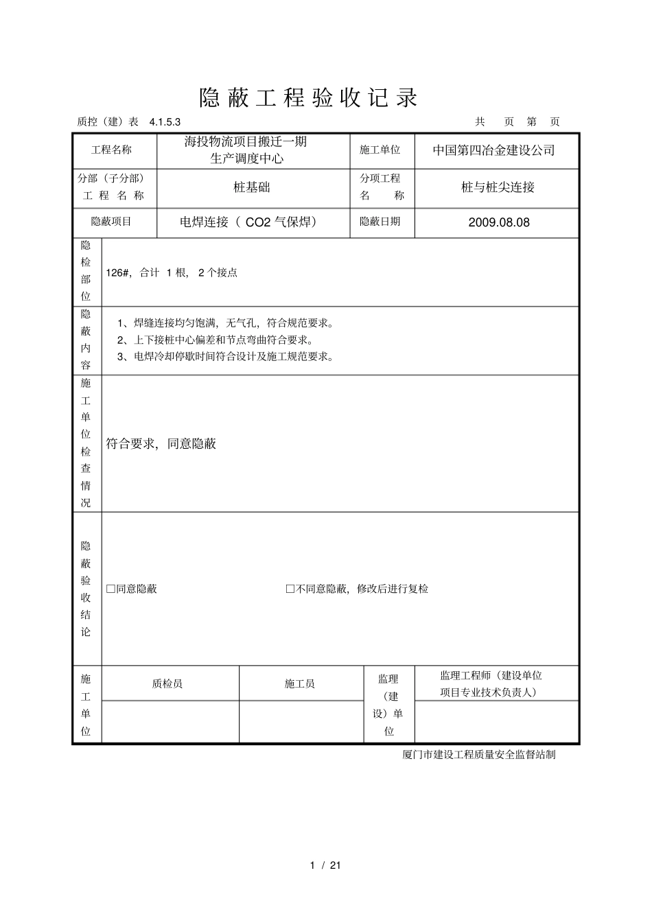
1/21
桩基隐蔽工程验收记录_第2页
2/21
桩基隐蔽工程验收记录_第3页
3/21
1 / 21 隐 蔽 工 程 验 收 记 录质控(建)表4.1.5.3 共页第页工程名称海投物流项目搬迁一期生产调度中心施工单位中国第四冶金建设公司分部(子分部)工 程 名 称桩基础分项工程名称桩与桩尖连接隐蔽项目电焊连接( CO2 气保焊)隐蔽日期2009.08.08 隐检部位126#,合计 1 根, 2 个接点隐蔽内容1、焊缝连接均匀饱满,无气孔,符合规范要求。2、上下接桩中心偏差和节点弯曲符合要求。3、电焊冷却停歇时间符合设计及施工规范要求。施工单位检查情况符合要求,同意隐蔽隐蔽验收结论□同意隐蔽□不同意隐蔽,修改后进行复检施工单位质检员施工员监理(建设)单位监理工程师(建设单位项目专业技术负责人)厦门市建设工程质量安全监督站制2 / 21 隐 蔽 工 程 验 收 记 录质控(建)表4.1.5.3 共页第页工程名称海投物流项目搬迁一期生产调度中心施工单位中国第四冶金建设公司分部(子分部)工 程 名 称桩基础分项工程名称桩与桩尖连接和桩节点连接隐蔽项目电焊连接( CO2 气保焊)隐蔽日期2009.08.07 隐检部位133#、134#、135#、132#、131#、130#、 129#、128#、136#、137#、183#、 184#,合计 12 根,35 个接点。隐蔽内容1、焊缝连接均匀饱满,无气孔,符合规范要求。2、上下接桩中心偏差和节点弯曲符合要求。3、电焊冷却停歇时间符合设计及施工规范要求。施工单位检查情况符合要求,同意隐蔽隐蔽验收结论□同意隐蔽□不同意隐蔽,修改后进行复检施工单位质检员施工员监理(建设)单位监理工程师(建设单位项目专业技术负责人)厦门市建设工程质量安全监督站制3 / 21 隐 蔽 工 程 验 收 记 录质控(建)表4.1.5.3 共页第页工程名称海投物流项目搬迁一期生产调度中心施工单位中国第四冶金建设公司分部(子分部)工 程 名 称桩基础分项工程名称桩与桩尖连接和桩节点连接隐蔽项目电焊连接( CO2 气保焊)隐蔽日期2009.08.08 隐检部位182#、181#、196#、212#、127#、124#、125#、122#、121#、123#,合计 10 根,30 个接点。隐蔽内容1、焊缝连接均匀饱满,无气孔,符合规范要求。2、上下接桩中心偏差和节点弯曲符合要求。3、电焊冷却停歇时间符合设计及施工规范要求。施工单位检查情况符合要求,同意隐蔽隐蔽验收结论□同意隐蔽□不同意隐蔽,修改后进行复检施工单位质检员施工员监理(建设)单位监理工程师(建设单位项目专业技术负责人)厦门市建设工程质量安全监督站制4 / 21 隐 蔽 ...

1、当您付费下载文档后,您只拥有了使用权限,并不意味着购买了版权,文档只能用于自身使用,不得用于其他商业用途(如 [转卖]进行直接盈利或[编辑后售卖]进行间接盈利)。
2、本站所有内容均由合作方或网友上传,本站不对文档的完整性、权威性及其观点立场正确性做任何保证或承诺!文档内容仅供研究参考,付费前请自行鉴别。
3、如文档内容存在违规,或者侵犯商业秘密、侵犯著作权等,请点击“违规举报”。

碎片内容

桩基隐蔽工程验收记录

您可能关注的文档

确认删除?
VIP
微信客服
  • 扫码咨询
会员Q群
  • 会员专属群点击这里加入QQ群
客服邮箱
回到顶部