电脑桌面
添加小米粒文库到电脑桌面
安装后可以在桌面快捷访问

检维修作业安全风险分析记录表VIP专享VIP免费

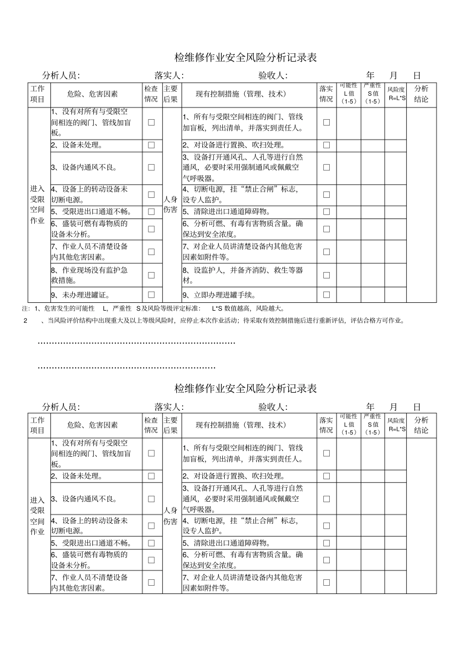
检维修作业安全风险分析记录表_第1页
1/9
检维修作业安全风险分析记录表_第2页
2/9
检维修作业安全风险分析记录表_第3页
3/9
检维修作业安全风险分析记录表分析人员:落实人:验收人:年月日工作项目危险、危害因素检查情况主要后果现有控制措施(管理、技术)落实情况可能性L 值(1-5)严重性S 值(1-5)风险度R=L*S分析结论动火作业1、用火设备内未清理干净□火灾人身伤害1、利用吹扫、置换或水洗等措施清理用火设备内部构件,达到用火条件。□2、与用火设备相连的管线未断开。□2、断开管线,加盲板。□3、用火点周围有易燃物。□3、用火前,清除周围易燃物。□4、高处作业火花四溅。□4、高处作业采取防火花飞溅措施。□5、用火点周围下水道、地沟有易燃物。□5、清除用火点周围下水道、地沟易燃物并采取冲水、 铺盖等手段进行隔离。□6、乙炔气瓶卧放,且间距不够□6、乙炔气瓶禁止卧放,氧气瓶与火源及乙炔气瓶间距不得少于10 米。□7、用火现场消防器材不符合要求。□7、现场配备合适灭火器器材。□8、动火前未办理动火证。□8、立即办理动火手续。□注: 1、危害发生的可能性L,严重性 S及风险等级评定标准:L*S 数值越高,风险越大。 2、当风险评价结构中出现重大及以上等级风险时,应停止本次作业活动;待采取有效控制措施后进行重新评估,评估合格方可作业。............................................................................................................................检维修作业安全风险分析记录表分析人员:落实人:验收人:年月日工作项目危险、危害因素检查情况主要后果现有控制措施(管理、技术)落实情况可能性L 值(1-5)严重性S 值(1-5)风险度R=L*S分析结论动火作业1、用火设备内未清理干净□火灾人身伤害1、利用吹扫、置换或水洗等措施清理用火设备内部构件,达到用火条件。□2、与用火设备相连的管线未断开。□2、断开管线,加盲板。□3、用火点周围有易燃物。□3、用火前,清除周围易燃物。□4、高处作业火花四溅。□4、高处作业采取防火花飞溅措施。□5、用火点周围下水道、地沟有易燃物。□5、清除用火点周围下水道、地沟易燃物并采取冲水、 铺盖等手段进行隔离。□6、乙炔气瓶卧放,且间距不够□6、乙炔气瓶禁止卧放,氧气瓶与火源及乙炔气瓶间距不得少于10 米。□7、用火现场消防器材不符合要求。□7、现场配备合适灭火器器材。□8、动火前未办理动火证。□8、立即办理动火手续。□注: 1、危害发生的可能性L,严重性 S及风险等级评定标准:L*S 数值越高,风险越大。 2、当风险评价结构中出现重大及以上...

1、当您付费下载文档后,您只拥有了使用权限,并不意味着购买了版权,文档只能用于自身使用,不得用于其他商业用途(如 [转卖]进行直接盈利或[编辑后售卖]进行间接盈利)。
2、本站所有内容均由合作方或网友上传,本站不对文档的完整性、权威性及其观点立场正确性做任何保证或承诺!文档内容仅供研究参考,付费前请自行鉴别。
3、如文档内容存在违规,或者侵犯商业秘密、侵犯著作权等,请点击“违规举报”。

碎片内容

检维修作业安全风险分析记录表

确认删除?
VIP
微信客服
  • 扫码咨询
会员Q群
  • 会员专属群点击这里加入QQ群
客服邮箱
回到顶部