电脑桌面
添加小米粒文库到电脑桌面
安装后可以在桌面快捷访问

模板支架验收标准VIP免费

模板支架验收标准_第1页
1/3
模板支架验收标准_第2页
2/3
模板支架验收标准_第3页
3/3
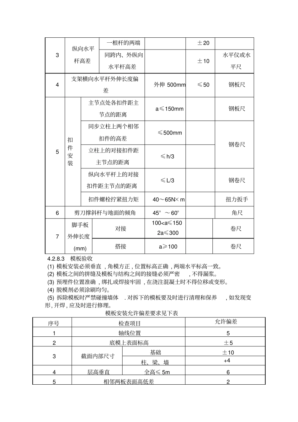
检查与验收4.2.8.1 材质验收构配件名称及规格验收内容标准验收时间验收人员钢管Φ 48×材 质GB/ T 13793-1992GB/T3091-2001GB/T700-2006进场邓先初赵文来尺寸和表示质量JGJ130-2001中第 8.1.1条、第条扣件(可锻铸铁)材质GB15831-2006邓先初赵文来承载力的力矩不破坏碗 扣表观质量DB11/T583-2008邓先初赵文来碗扣立杆连接套管表观质量DB11/T583-2008邓先初赵文来脚手板木脚手板GB50005-2003厚度 >50mm两道镀锌铅丝箍邓先初赵文来4.2.8.2 架体验收(1) 架体验收必须由项目安全部、技术质量部、工程部及施工队伍等共同参与,并填写验收单、合格后方可进行搭设或使用。(2) 支架的验收和日常检查按照以下规定进行,检查合格后, 方允许投入使用或继续使用。(3) 达到设计搭设高度。(4) 在使用过程中,发现有显著变形、沉降、拆除杆件和拉结以及其它安全隐患存在的情况时。(5) 支架搭设的技术要求、允许偏差与检验方法见下表:项次项目技术要求容许偏差(mm)检查方法与工具1立柱垂直度H=2H=10H/600±7±17用经纬仪或吊线和卷尺2间距步距偏差柱距偏差排距偏差±20±50±20钢板尺3纵向水平杆高差一根杆的两端±20同跨内、外纵向水平杆高差±10水平仪或水平尺4支架横向水平杆外伸长度偏差外伸 500mm≤50钢板尺5扣件安装主节点处各扣件距主节点的距离a≤150mm钢板尺同步立柱上两个相邻扣件的高差≤500mm钢卷尺立柱上的对接扣件距主节点的距离≤h/3纵向水平杆上的对接扣件距主节点的距离≤L/3钢卷尺扣件螺栓拧紧扭力矩40~65N×m扭力扳手6剪刀撑斜杆与地面的倾角45° ~ 60°角尺7脚手板外伸长度(mm)对接100

1、当您付费下载文档后,您只拥有了使用权限,并不意味着购买了版权,文档只能用于自身使用,不得用于其他商业用途(如 [转卖]进行直接盈利或[编辑后售卖]进行间接盈利)。
2、本站所有内容均由合作方或网友上传,本站不对文档的完整性、权威性及其观点立场正确性做任何保证或承诺!文档内容仅供研究参考,付费前请自行鉴别。
3、如文档内容存在违规,或者侵犯商业秘密、侵犯著作权等,请点击“违规举报”。

碎片内容

模板支架验收标准

您可能关注的文档

确认删除?
微信客服
  • 扫码咨询
会员Q群
  • 会员专属群点击这里加入QQ群