电脑桌面
添加小米粒文库到电脑桌面
安装后可以在桌面快捷访问

ZSLDA气动长行程执行机构课件VIP免费

ZSLDA气动长行程执行机构课件_第1页
1/6
ZSLDA气动长行程执行机构课件_第2页
2/6
ZSLDA气动长行程执行机构课件_第3页
3/6
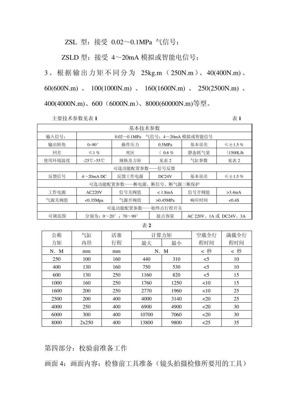
检修项目:ZSLD-A 气动长行程执行机构调试 设备介绍: 第一部分:ZSLD-A 气动长行程执行机构简介 画面1:画面内容:ZSLD-A 气动长行程执行机构简介(文字显示:ZSLD-A 气动长行程执行机构简介,拍摄运行状态下的就地执行机构状态,包括执行机构动作特写) 解说:气动长行程执行机构(简称长行程)是以压缩空气为动力能源,接受气、电模拟信号或智能信号,输出角位移,并以一定的转矩推动被调节机构的一种角行程执行机构。 第二部分:ZSLD-A 结构及工作原理介绍 画面2:画面内容:ZSLD-A 结构简介(镜头顺序:1.机架;2.手轮;3.手动切换手柄;4.气缸;5.输出轴;6.阀门定位器;7.三断装置;8.空气过滤减压器。 解说: 1、自动控制 长行程手操置于自动挡,定位器通过反馈来的角位移信号与输入信号进行比较,输出压力气推动活塞上行或下行,使长行程机构输出角位移。当反馈连杆反馈的信号与输入信号相同时(精度范围内),定位器停止供压力气,使机构保持在一定的输出位置。 2、 就地手操 长行程手自动切换手柄置于手动档,外界输入信号无效,转动手轮可方便的调节长行程的输出摆臂。 3、三断自锁保护原理 a)、三断自锁就是在工作气源中断、电网断电、断电信号时,要把执行机构位置保持在原来的位置上。本自锁装置采用气锁方式,即在自锁时将通往上下气缸的气路切断,使活塞不能动作,而达到自锁之目的。 b)、断气自锁原理:当工作气源小于自锁阀设定的压力时,气阀关闭,气缸的气路与定位器的气路被切断。当气源压力大于开启压力时,气阀打开。 c)、断电自锁原理:在气动自锁阀的基础上,增加一个两位三通电磁阀就可以实现电源自锁,通常使用 4~20mA 信号。 d)、本三断自锁装置在自锁故障排除后自动恢复。本自锁装置还备有压力开关,可供自锁时报警之用。 第三部分:ZSLD-A 气动长行程执行机构的规格和型号介绍 画面 3:画面内容:分散在现场不同地点的 ZSLD-A 气动长行程执行机构 解说:瑞安公司的 ZSLD-A 气动长行程执行机构有 A、Ⅰ、Ⅱ三种系列。 1、 根据手操的机构不同分 A 型:带罩壳、手操为手轮式,功能最齐全。 I 型:手操为手轮式; II 型:手操为杠杆式,机构最为轻便。 2、根据接受的控制信号不同分为 ZSL 型:接受 0.02~0.1MPa 气信号; ZSLD 型:接受 4~20mA 模拟或智能电信号; 3 、根据输出力矩不同分为 25kg.m(250N.m)、40(400N.m) 、60(600N.m) 、100(1000N.m) ...

1、当您付费下载文档后,您只拥有了使用权限,并不意味着购买了版权,文档只能用于自身使用,不得用于其他商业用途(如 [转卖]进行直接盈利或[编辑后售卖]进行间接盈利)。
2、本站所有内容均由合作方或网友上传,本站不对文档的完整性、权威性及其观点立场正确性做任何保证或承诺!文档内容仅供研究参考,付费前请自行鉴别。
3、如文档内容存在违规,或者侵犯商业秘密、侵犯著作权等,请点击“违规举报”。

碎片内容

ZSLDA气动长行程执行机构课件

您可能关注的文档

小辰9+ 关注
实名认证
内容提供者

出售各种资料和文档

相关文档

确认删除?
VIP
微信客服
  • 扫码咨询
会员Q群
  • 会员专属群点击这里加入QQ群
客服邮箱
回到顶部