电脑桌面
添加小米粒文库到电脑桌面
安装后可以在桌面快捷访问

[建筑施工扣件式钢管脚手架安全技术规范方案](JGJ1302011)VIP免费

[建筑施工扣件式钢管脚手架安全技术规范方案](JGJ1302011)_第1页
1/20
[建筑施工扣件式钢管脚手架安全技术规范方案](JGJ1302011)_第2页
2/20
[建筑施工扣件式钢管脚手架安全技术规范方案](JGJ1302011)_第3页
3/20
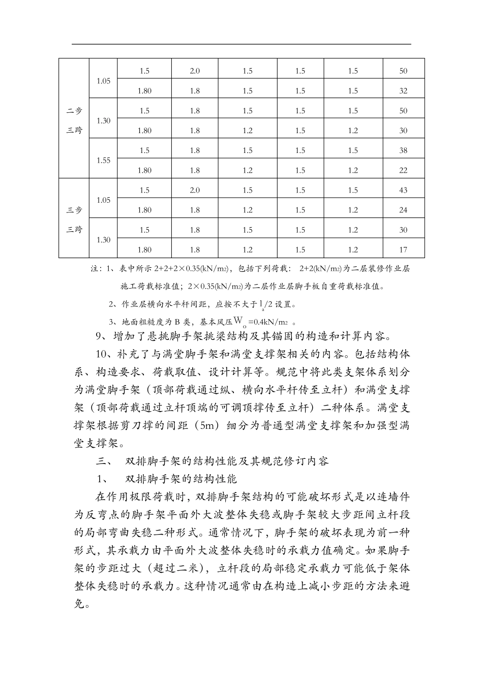
《建筑施工扣件式钢管脚手架 安全技术规范》(JGJ130-2011) 宣讲稿 一、 规范修订的背景 《建筑施工扣件式钢管脚手架安全技术规范》(JGJ130-2001)的编写工作于 1986 年开始,经历了调研、统计、实验研究、结构分析、总结和讨论后,于 1993 年定稿上报,2001 年修改后批准实施。 规范使用期内国家的建设规模、建筑工地的安全管理和脚手架使用等方面都发生了很大变化,规范内容应适应变化。 和本规范配套的相关规范在内容作了修订,使本规范在内容上应作出修改,和相关规范协调。 施工现场高大支架和模板工程数量增多,事故频发。在技术上亟待给予指导和规范。 2005 年开始对《建筑施工扣件式钢管脚手架安全技术规范》(JGJ130-2001)规范的修订工作。 二、 本次规范修订的主要内容 1、修订了钢管规格。取消φ51× 3.0 钢管; 为 符合《焊接钢管尺寸及单位长度重量》(GB/T 21835-2008)的规定,将原标准中φ48× 3.5的脚手架用钢管改为 φ48.3× 3.6。 2、对钢管壁厚的下差更严格。将原规定壁厚下差限值为0.5mm改为0.36mm。当所用钢管的壁厚不符合规范规定时,可以按钢管的实际尺寸进 行 设计计算 。 3、双管立杆脚手架的经济性不好,在施工现场已经很少使用,本次修订中予以取消。 4、脚手架柔性连墙件的做法粗糙,可靠性差,不符合安全要求,本次修订中予以取消。 5、与建筑结构荷载规范的内容统一。将作用于脚手架上的水平风荷载标准值的计算公式形式由:wk=0.7μz· μs· w0( w0 取 n=50) 修改为 : wk=μz· μs· w0( w0取 n=10)。 6、将荷载效 应 组 合表 中的可变 荷载组 合系 数 由 0.85 提 高 为 0.9。 7、将连墙件约 束 脚手架平面 外 变 形所 产 生 的轴 向 力 由单 排 架取3kN 改 为 2kN,双排 架取 5kN 改 为 3kN ; 表 4.3.1 荷载效 应 组 合 计算项 目 荷载效 应 组 合 纵 向 、横 向 水平杆强 度 与变 形 永 久 荷载+施工荷载 脚手架立杆地 基 承 载力 型 钢 悬 挑 梁 的强 度 、稳 定 与变 形 ○1 永 久 荷载+施工荷载 ○2 永 久 荷载+0.9( 施工荷载+风荷载) 立杆稳 定 ○1 永 久 荷载+可变 荷载( 不含风荷载) ○2 永 久 荷载+0.9( 可不荷载+风荷载) 连墙件强 度 与稳 定 单 排 架,风荷载+2.0 kN 双排 架,风荷载+3.0kN 8、根据施工现场脚手架应 采...

1、当您付费下载文档后,您只拥有了使用权限,并不意味着购买了版权,文档只能用于自身使用,不得用于其他商业用途(如 [转卖]进行直接盈利或[编辑后售卖]进行间接盈利)。
2、本站所有内容均由合作方或网友上传,本站不对文档的完整性、权威性及其观点立场正确性做任何保证或承诺!文档内容仅供研究参考,付费前请自行鉴别。
3、如文档内容存在违规,或者侵犯商业秘密、侵犯著作权等,请点击“违规举报”。

碎片内容

[建筑施工扣件式钢管脚手架安全技术规范方案](JGJ1302011)

您可能关注的文档

确认删除?
VIP
微信客服
  • 扫码咨询
会员Q群
  • 会员专属群点击这里加入QQ群
客服邮箱
回到顶部