电脑桌面
添加小米粒文库到电脑桌面
安装后可以在桌面快捷访问

_三相功率表(功率因数)使用说明书MODBUSVIP免费

_三相功率表(功率因数)使用说明书MODBUS_第1页
1/6
_三相功率表(功率因数)使用说明书MODBUS_第2页
2/6
_三相功率表(功率因数)使用说明书MODBUS_第3页
3/6
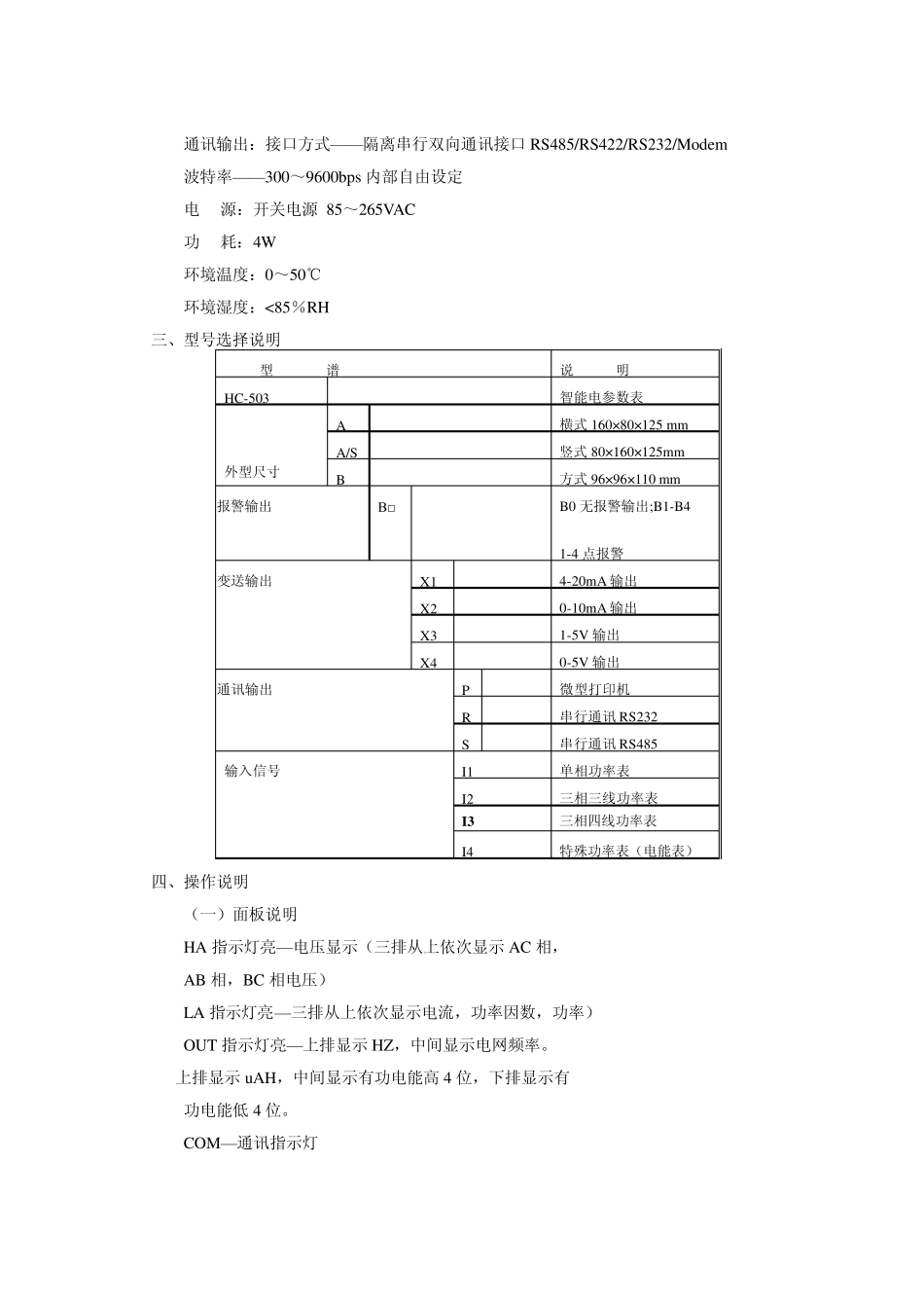
三相功率表(功率因数)使用说明书 最近更新时间:2008-8-6 11:44:10 提 供 商: 资料大小: 305KB 文件类型: DOC 格式 下载次数: 25 次 资料类型: 浏览次数: 51 次 相关产品: 详细介绍: 点这里下载-> 下载地址 [本地下载] 一·概述与用途 HC-503 数显功率表适用于电力网、自动化控制系统的现场监测显示、控制和自动化通讯,能将电网中的电参量如电流、电压、单相或三相功率、频率等值,由 CPU 实时采样、转换并输出标准电流或电压信号,与远距离数据终端相连。智能通讯型产品带有 RS-485通讯接口,可直接与控制中心进行数据交换,实现自 动化管理。广泛应用于电力、邮电、石油、煤炭、冶金、铁道、市政、智能大厦等行业、部门的电气装置、自动控制以及调度系统。 二·主要主要技术指标 基本误差:0.2%FS± 1 个字 分 辨 力:1、0.1 显 示:4 个四位 LED 数码管显示 分别显示,电压,电流,功率因数,有功功率 输入信号:标称输入 AC/DC 电流 5A,电压 100V、220V、380V 交流电流输入 交流电压输入 0~5A 直接输入 0~500V 直接输入 5~2000A 配电流互感器输入 500~2000V 配电压互感器输入 过量程持续:1.2 倍,瞬时:电流 2 倍/1 秒,电压 2 倍/1 秒 报警输出:二限报警或四限报警,每个输出根据需要可设定为上限报警、下限报警或禁止使用,继电器输出触点容量 AC220V/3A 或 AC220V/1A。 变送输出:4~20mA(负载电阻≤500Ω)、0~10mA(负载电阻≤1000Ω)1~5V、0~5V(负载电阻≥200KΩ) 通讯输出:接口方式——隔离串行双向通讯接口RS485/RS422/RS232/Modem 波特率——300~9600bps 内部自由设定 电 源:开关电源 85~265VAC 功 耗:4W 环境温度:0~50℃ 环境湿度:<85%RH 三、型号选择说明 型 谱 说 明 HC-503 智能电参数表 外型尺寸 A 横式160×80×125 mm A/S 竖式80×160×125mm B 方式96×96×110 mm 报警输出 B□ B0 无报警输出;B1-B4 1-4 点报警 变送输出 X1 4-20mA 输出 X2 0-10mA 输出 X3 1-5V 输出 X4 0-5V 输出 通讯输出 P 微型打印机 R 串行通讯RS232 S 串行通讯RS485 输入信号 I1 单相功率表 I2 三相三线功率表 I3 三相四线功率表 I4 特殊功率表(电能表) 四、操作说明 (一)面板说明 HA 指示灯亮—电压显示(三排从上依次显示 AC 相, AB 相,BC 相电压) LA 指示灯...

1、当您付费下载文档后,您只拥有了使用权限,并不意味着购买了版权,文档只能用于自身使用,不得用于其他商业用途(如 [转卖]进行直接盈利或[编辑后售卖]进行间接盈利)。
2、本站所有内容均由合作方或网友上传,本站不对文档的完整性、权威性及其观点立场正确性做任何保证或承诺!文档内容仅供研究参考,付费前请自行鉴别。
3、如文档内容存在违规,或者侵犯商业秘密、侵犯著作权等,请点击“违规举报”。

碎片内容

_三相功率表(功率因数)使用说明书MODBUS

您可能关注的文档

确认删除?
VIP
微信客服
  • 扫码咨询
会员Q群
  • 会员专属群点击这里加入QQ群
客服邮箱
回到顶部