电脑桌面
添加小米粒文库到电脑桌面
安装后可以在桌面快捷访问

控制风机基础预应力螺栓组合件施工VIP免费

控制风机基础预应力螺栓组合件施工_第1页
1/20
控制风机基础预应力螺栓组合件施工_第2页
2/20
控制风机基础预应力螺栓组合件施工_第3页
3/20
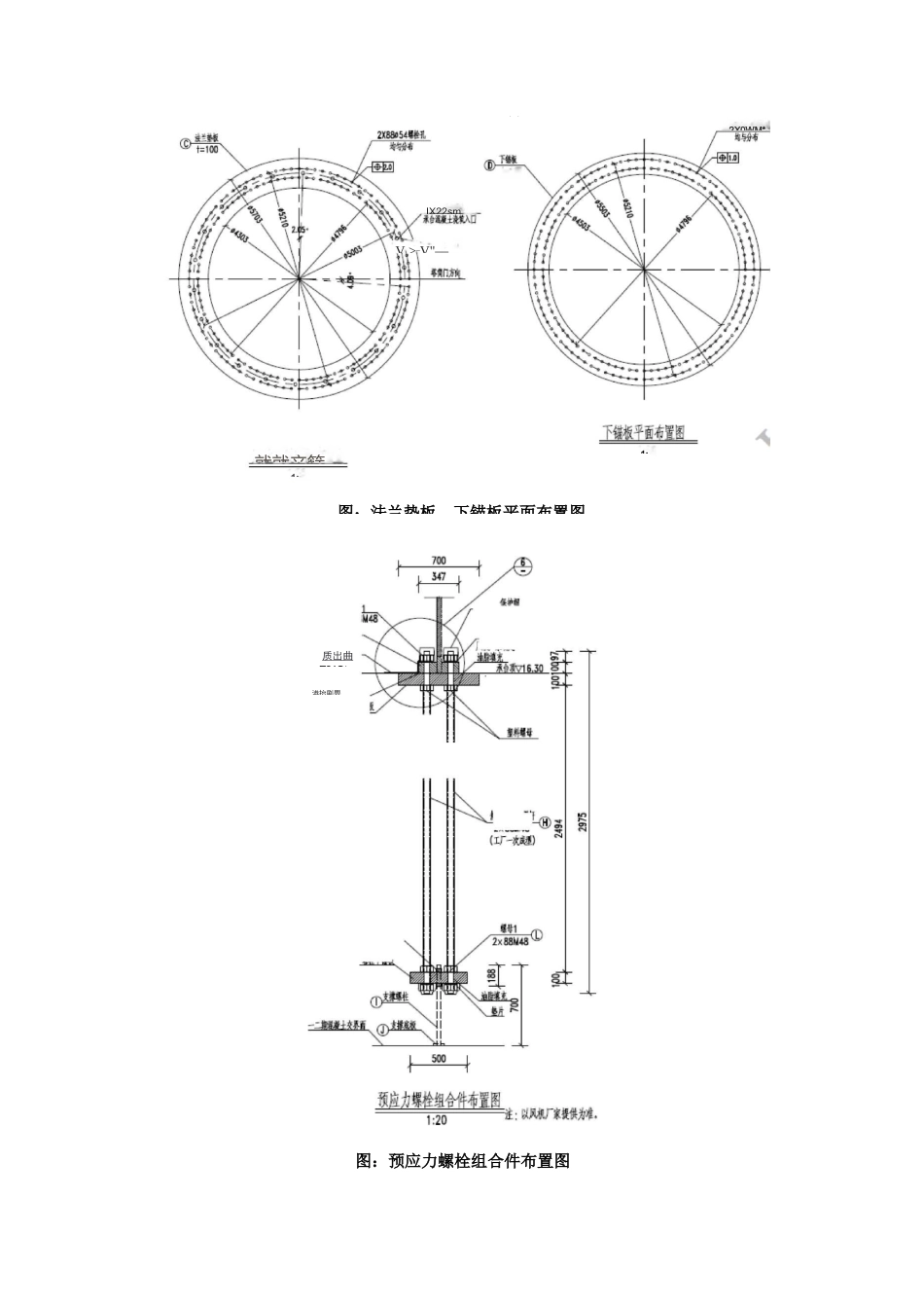
%讥:■r1Z 枷澤器飆暫林砂比1 酣副恥刹血唏厂斛AU 曲二4.啊**片和BlUft 卿脱5:1 出1^痕删JOm.:控制风机基础预应力螺栓组合件施工一次验收合格率中交第三航务工程局有限公司宁波分公司国电舟山普陀号海上风电场区工程预应力螺栓组合件小组一、工程概况国电舟山普陀号海上风电场区工程位于舟山市六横岛东南侧,风场东西长约,南北宽约,总面积约 Itf。风场场区内海底地形变化较小,水深在〜之间,风电场中心离六横岛距离约。整个风电场区总装机容量为,风电机组采用平行排列的布置方式,风机行内间距,行间距,风机基础设计形式为高桩高承台混凝土基础,承台为现浇 C45 混凝土圆形墩式结构,承台直径 14.2m,底标咼为+12.5m,顶标咼为+16.3m,承台咼度为 3.8m。风机塔筒与混凝土承台基础通过根预应力螺栓连接,螺栓沿下塔筒底法兰分两圈均匀布置,单根螺杆长度为。预应力螺栓组合件下锚板厚,最大直径 Q(内径 Q),螺孔直径 Q;顶部法兰垫板厚,最大直径 Q(内径 Q),螺孔直径 Q,组合件总重量约。图:高桩承台基础典型结构形式2>ame_V"—1=1就就辛篩港抬剧畀质出曲T21Qtm二、小组简介QC 小组名称中交三航局宁波分公司国电舟山普陀 6号海上风电场 2 区工程预应力螺栓组合件 QC 小组小组注册号SH 甬 2017-20课题注册号SH 甬 2017-20K小组人数10课题类型攻关型组长胡凯登记日期年月建组日期年月课题名称控制风机基础预应力螺栓组合件施工一次验收合格率人均 QC 知识培训课时30 学时/人活动日期2016 年 12 月〜2017 年 11 月小组成员序号成员姓名性别年龄文化程度职务(职称、工种)1组长胡凯男25本科质量员、助理工程师2副组长黄延琦男38本科项目总工、高级工程师3副组长吴春林男29本科技术部长、工程师4组员叶修煜男52本科项目副经理、工程师5组员管鹏程男34本科项目副经理、工程师6组员周二风男30本科工程副部长7组员司天宇男26本科质量员、助理工程师8组员咼乐男29本科预算主管、工程师9组员胡海甬男39本科测量主管、技师10组员孟令鑫男37大专施工班组组长制表:胡凯日期:2016 年 12 月 25 日三、选题理由、本工程为舟山市重点工程,质量目标是工程满足国电集团达标投产要求,确保国家优质工程,小组成员简介表表争创国家优质工程金奖。、本工程预应力螺栓组合件总数为个,每个构件包含上下个法兰垫板和根螺杆,法兰垫板...

1、当您付费下载文档后,您只拥有了使用权限,并不意味着购买了版权,文档只能用于自身使用,不得用于其他商业用途(如 [转卖]进行直接盈利或[编辑后售卖]进行间接盈利)。
2、本站所有内容均由合作方或网友上传,本站不对文档的完整性、权威性及其观点立场正确性做任何保证或承诺!文档内容仅供研究参考,付费前请自行鉴别。
3、如文档内容存在违规,或者侵犯商业秘密、侵犯著作权等,请点击“违规举报”。

碎片内容

控制风机基础预应力螺栓组合件施工

您可能关注的文档

wxg+ 关注
实名认证
内容提供者

该用户很懒,什么也没介绍

确认删除?
VIP
微信客服
  • 扫码咨询
会员Q群
  • 会员专属群点击这里加入QQ群
客服邮箱
回到顶部