电脑桌面
添加小米粒文库到电脑桌面
安装后可以在桌面快捷访问

氯气相关知识VIP免费

氯气相关知识_第1页
1/10
氯气相关知识_第2页
2/10
氯气相关知识_第3页
3/10
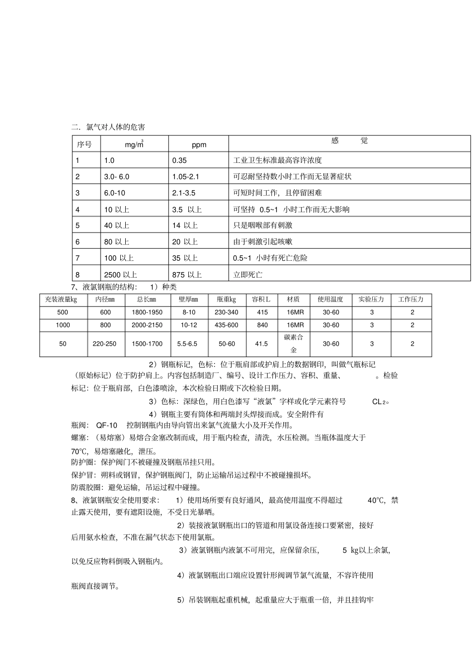
氯气相关知识一、氯气:氯气是一种黄绿色、带有刺激性气味的有毒气体。1、 氯气的制备方法:1)电解熔融食盐金属钠的同时得到氯气。Nacl Na+CL22)电解饱和食盐水制氢氧化钠时得到氯气和氢气。Nacl+H2O NaOH+H2+CL2氯气的纯度要求:含水≤0.05%,含氢≤ 0.6% 2、 氯气的应用及用途:1) 国防工业:高氯酸盐、氯酸盐。2)金属氯化冶炼:氯化钛、氯化镁。3)化学工业:医药、染料、触媒、农药、溶剂、制冷剂F12、F22、合成树脂。4)强氧化剂、漂白剂(次酸钠、漂白粉)、洗涤剂。5)消毒杀菌:自来水厂、游泳池、电厂、医院。3、氯气的物理性质:1)密度: 1.47 千克/升。沸点:—34.5℃. 熔点:— 101.5 ℃.2)氯气比空气重2.5 倍,在空气中不易扩散。3)溶解性:能溶于水,易溶于碱。4)燃烧性:助燃物5)氯气的液化: 0.1Mp,-3 5℃、和 0.86Mp,30 ℃条件下可液化。在常温20—— 25℃;氯气在0.6-0.8 Mp压力或 -35 — -40 ℃常压下液化而得,密度:常温下是水的1.4 倍。在 0 时 1 升液氯可汽化变成450 升以上的气态氯,即1 千克液氯可汽化变成315 升气态氯。4、氯气的化学性质:属于卤族元素,很活泼的氧化剂。1)氢与氯的反应:H 2+CL 2→HCL (爆炸性混合气体)受到阳光照射,振动,高温或催化剂的作用下,发生激烈爆炸。2)氨与氯的反应:CL 2+NH4OH →NHCL 氯化铵在空气中似白烟状态,可用于检查氯气泄露的方法。3)氯与有机物的反应。会引起爆炸。4)氯与乙炔的反应:CH≡CH→CLCH﹦ CHCL 当氯与乙炔直接接触能立即反应且爆炸力很强。5、氯的腐蚀性:纯净干燥的氯气对铁设备无腐蚀性,当遇到水后生成盐酸与次氯酸,对铁及金属产生很强的腐蚀作用,故氯气中的含水量控制在0.05%以下(液氯钢瓶内部检验含水量的控制范围)6、氯气对人体的危害:氯气对人体引起刺激的实质是粘膜上的水分与氯形成次氯酸,而对粘膜的破坏与腐蚀,也就是对粘膜的刺激造成。1)对皮肤、粘膜的损害:液氯与皮肤接触会发生冻伤,与面部接触,眼结膜受到刺激,发生流眼泪,鼻咽粘膜发炎,流清鼻涕。咽干,继而鼻咽喉有灼痛,面部皮肤干燥、刺痛。2)对呼吸道的损伤:氯气进入呼吸道后,器官粘膜受到刺激而发炎,产生剧烈咳嗽,胸部程压迫感, 进入呼吸道深处的氯气,可损坏组织, 引起剧烈疼痛, 引发阵发性哮喘、 肺水肿,血粘度增加,呼吸变慢,心力衰竭死亡,即使未死,常有支气管炎,胸膜炎等症状。3)对人体的危害:工...

1、当您付费下载文档后,您只拥有了使用权限,并不意味着购买了版权,文档只能用于自身使用,不得用于其他商业用途(如 [转卖]进行直接盈利或[编辑后售卖]进行间接盈利)。
2、本站所有内容均由合作方或网友上传,本站不对文档的完整性、权威性及其观点立场正确性做任何保证或承诺!文档内容仅供研究参考,付费前请自行鉴别。
3、如文档内容存在违规,或者侵犯商业秘密、侵犯著作权等,请点击“违规举报”。

碎片内容

氯气相关知识

您可能关注的文档

爱的疯狂+ 关注
实名认证
内容提供者

该用户很懒,什么也没介绍

确认删除?
VIP
微信客服
  • 扫码咨询
会员Q群
  • 会员专属群点击这里加入QQ群
客服邮箱
回到顶部