电脑桌面
添加小米粒文库到电脑桌面
安装后可以在桌面快捷访问

水冷壁组合安装方案VIP免费

水冷壁组合安装方案_第1页
1/13
水冷壁组合安装方案_第2页
2/13
水冷壁组合安装方案_第3页
3/13
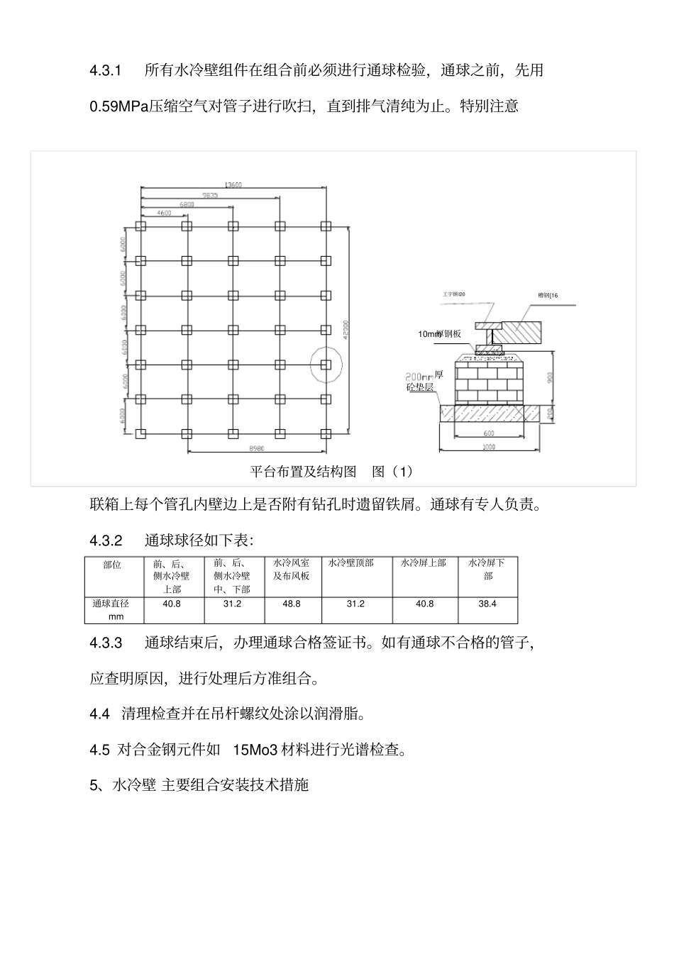
1、工程概况1.1 盘锦辽通化工股份有限公司220T/H循环硫化床锅炉工程水冷壁系统由哈尔滨锅炉厂提供。水冷系统总重量为208315kg , 主要由以下六个部分组成:前侧水冷壁系统、后侧水冷壁系统、左右两侧水冷壁系统、顶部水冷壁系统、六片水冷屏、水冷风室及布风板。1.2 前、后、左、右水冷壁和布风板等水冷系统构成锅炉的炉膛,炉膛几何尺寸为 : 深度*宽度 *高度=5170mm*9650mm*32200mm。1.3 汽包里的水通过两根 Ф 457*35 的集中下降管,向下引至各分配集箱,再通过十八根 Ф 159*14 的管分别向前、后、左、右水冷壁下集箱供水,前、后、左、右水冷壁中的水从各自下集箱逆流而上到各自的上集箱,然后从上集箱到汽包形成完整的循环。汽包下方中间的六根Ф168*16 的下降管分别单独给六片水冷屏供水。水冷系统下水管流程图(2) 2、编制依据2.1 哈尔滨锅炉厂提供的水冷系统安装图及相关技术资料。2.2 锅炉安装设计文件。2.3 锅炉总体施工方案。2.4 << 电力建设施工及验收技术规范>>锅炉机组篇。2.5 << 电力建设施工及验收技术规范>>焊接篇。2.6 << 电力建设施工及验收技术规范>>管道篇。2.7 << 火电施工质量检验及评定标准>>锅炉篇。2.8 << 蒸气锅炉安全技术监察规程>> 2.9 << 电力建设施工、验收及质量验评标准汇编>>。2.10 <>。2.11 中国化学工程第六建设公司相关程序文件。3、施工流程图4、施工准备4.1 设备清点、编号。受热面安装前应根据供货清单、装箱单和图纸对设备清点、编号。对设备进行外观检查,注意检查表面有无裂纹、撞伤、龟裂、压扁、砂眼和分层等缺陷,并对几何尺寸进行复查。4.2 组合架搭设。组合支架按组件的尺寸、重量分布情况等设计搭设,组合支架应稳固牢靠,有足够的刚性,同时,要有足够的荷重能力。组合架搭设高度800 毫米,砖混结构,支撑梁采用I20 工字钢,支墩间距及数量应使组件不产生超额定的变形及挠度,每个支墩在承重后不下沉。如图 (1)(为节约成本,可利用钢结构组合用的平台,但此平台在钢结构组合施工中大部分已被损坏,必须进行修复。修复所需材料I20 工字钢 200 米)4.3 管子通球及吹扫。图纸会审施工方案编写施工方案审批技术交底设备清点缺陷处理吹管通球磨口管排组焊及加固组合件吊装及找正空间口焊接施工自检质量验收4.3.1 所有水冷壁组件在组合前必须进行通球检验,通球之前,先用0.59MPa压缩空气对管子进行吹扫,直到排气...

1、当您付费下载文档后,您只拥有了使用权限,并不意味着购买了版权,文档只能用于自身使用,不得用于其他商业用途(如 [转卖]进行直接盈利或[编辑后售卖]进行间接盈利)。
2、本站所有内容均由合作方或网友上传,本站不对文档的完整性、权威性及其观点立场正确性做任何保证或承诺!文档内容仅供研究参考,付费前请自行鉴别。
3、如文档内容存在违规,或者侵犯商业秘密、侵犯著作权等,请点击“违规举报”。

碎片内容

水冷壁组合安装方案

确认删除?
VIP
微信客服
  • 扫码咨询
会员Q群
  • 会员专属群点击这里加入QQ群
客服邮箱
回到顶部