电脑桌面
添加小米粒文库到电脑桌面
安装后可以在桌面快捷访问

水泥复习思考题P58VIP免费

水泥复习思考题P58_第1页
1/10
水泥复习思考题P58_第2页
2/10
水泥复习思考题P58_第3页
3/10
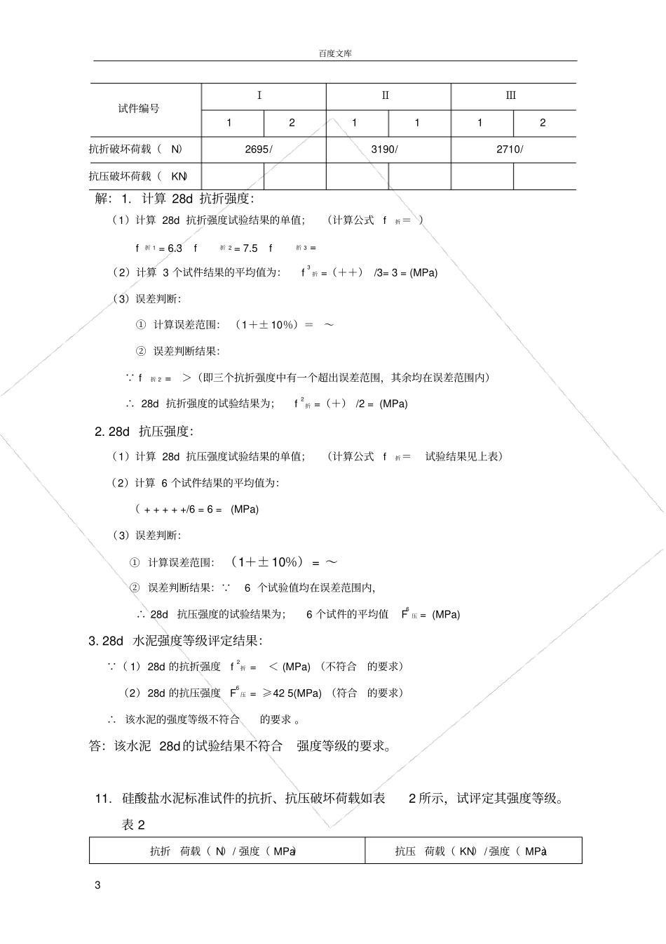
百度文库1 第四章水泥P581. 什么是硅酸盐水泥?生产硅酸盐水泥时,为什么要加入适量石膏?答:( 1)根据 GB175-2007《通用硅酸盐水泥》的定义:凡由硅酸盐水泥熟料加适量的石膏、或再掺加 0~5%的石灰石或粒化高炉矿渣,磨细制成的水硬性胶凝材料, 称为硅酸盐水泥。( 2)生产硅酸盐水泥时,加入适量石膏的目的是: ① 调节水泥的凝结时间; ② 使水泥不致发生急凝现象;③ 同时在最佳石膏掺量时可得到水泥最高强度。2. 试分析硅酸盐水泥强度发展的规律和主要影响因素答:( 1)早期( 3d)强度发展较快,后期(28d)发展较慢;( 2)主要影响因素:Ⅰ. 内因:① 水泥中各主要矿物的相对含量;② 水泥的细度;③ 石膏掺量。Ⅱ. 外因:①水泥浆的水灰比;② 养护温度(冬季施工注意防冻);③ 养护湿度(夏季施工注意洒水);④ 养护龄期。3. 什么是水泥的体积安定性?体积安定性不良的原因及危害有哪些?答:( 1)水泥的体积安定性是指水泥浆体在凝结硬化过程中体积变化的均匀性;( 2)体积安定性不良的原因有:① 游离氧化钙( f-CaO );② 氧化镁( MgO);③ 三氧化硫( SO3)含量过高;④ 此外,碱分( K2O、 Na2O)的含量也应加以控制。( 3)体积安定性不良的危害:使已硬化水泥石中产生不均匀膨胀,破坏水泥石结构,出现龟裂、弯曲、松脆或崩溃现象。百度文库2 4. 影响硅酸盐水泥水化热的因素有哪些?水化热高低对水泥的使用有什么影响?答:( 1)影响硅酸盐水泥水化热的因素有:水泥中(熟料)的矿物组成、水灰比、细度和养护条件等;( 2)水化热高低对水泥的使用的影响有:大型基础、水坝、桥墩等大体积混凝土建筑物。由于水化热积聚在内部不易散发出去,内部温度常升高到50~60℃以上,内部和外部的温度差所引起的应力,可使混凝土产生裂缝,因此水化热对大体积混凝土是有害因素。在大体积混凝土工程中,不宜采用硅酸盐水泥,应采用低热水泥,若使用水化热较高的水泥施工时,应采取必要的降温措施。5. 硅酸盐水泥的强度等级是如何检验的?答:是按 GB/T 17671-1999 《水泥胶砂强度检验方法(ISO)》测定其 7d 和 28d 的抗折强度及抗压强度;然后根据其强度值的大小,依据GB/T 175-2008 《通用硅酸盐水泥》的强度指标要求进行评定。6. 分析水泥石受到环境水侵蚀破坏的主要原因,可采取哪些措施进行预防? 答:( 1)基本原因:①水泥的水化产物Ca(OH)2等晶体物质溶解于水;②...

1、当您付费下载文档后,您只拥有了使用权限,并不意味着购买了版权,文档只能用于自身使用,不得用于其他商业用途(如 [转卖]进行直接盈利或[编辑后售卖]进行间接盈利)。
2、本站所有内容均由合作方或网友上传,本站不对文档的完整性、权威性及其观点立场正确性做任何保证或承诺!文档内容仅供研究参考,付费前请自行鉴别。
3、如文档内容存在违规,或者侵犯商业秘密、侵犯著作权等,请点击“违规举报”。

碎片内容

水泥复习思考题P58

您可能关注的文档

爱的疯狂+ 关注
实名认证
内容提供者

该用户很懒,什么也没介绍

相关文档

确认删除?
VIP
微信客服
  • 扫码咨询
会员Q群
  • 会员专属群点击这里加入QQ群
客服邮箱
回到顶部