电脑桌面
添加小米粒文库到电脑桌面
安装后可以在桌面快捷访问

2024年施工总平面布置图与临时用地表VIP免费

2024年施工总平面布置图与临时用地表_第1页
1/10
2024年施工总平面布置图与临时用地表_第2页
2/10
2024年施工总平面布置图与临时用地表_第3页
3/10
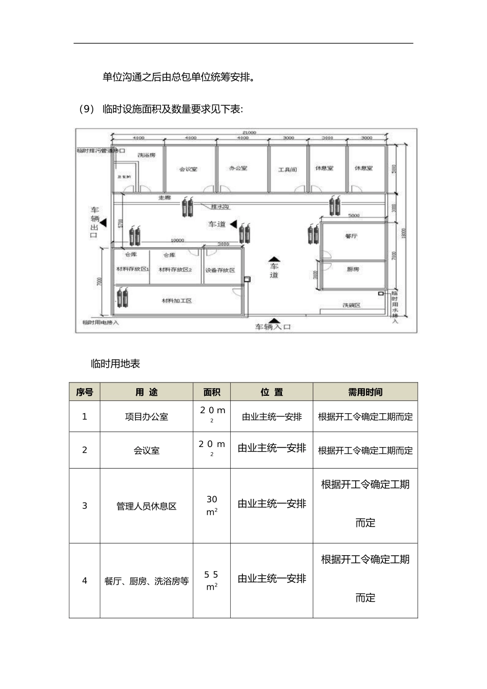
1.施工总平面布置图及临时用地表施工总平面布置是否合理,将直接关系到施工进度的快慢,同时也体现了安全文明施工管理水平的高低。为保证施工的顺利进行,具体施工平面布置原则如下(1)满足施工的条件下,节约施工用地;(2)满足施工和文明施工的前提下,减少临时设施投资;(3)在保证场内交通顺畅和保证施工对材料需求的前提下,尽量减少场内二次运输;(4)在平面布置上,避免土建、水电、安全及施工的相互干扰;(5)符合场内卫生、安全和防火的要求;(6)本工程施工现场按材料、办公、施工三区布置,并相对独立,以保证达到安全文明施工的要求。考虑到弱电施工的特殊性和施工场地等方面的因素,我们在场外单独为施工人员租赁提供生活用房,在场内只留正常值班人员;(7)施工用水电办理接入手续,并设置独立水、电表,由专业电工负责,接入点和使用点严格按规范和相关制度执行。(8)在施工总平面布置图上项目部将会把公司建议的办公、现场生产加工、仓库等场地的区域位置标识出以供参考,最终的位置待中标后进场前与总包单位沟通之后由总包单位统筹安排。(9)临时设施面积及数量要求见下表:临时用地表序号用途面积位置需用时间1项目办公室20m2由业主统一安排根据开工令确定工期而定2会议室20m2由业主统一安排根据开工令确定工期而定3管理人员休息区30m2由业主统一安排根据开工令确定工期而定4餐厅、厨房、洗浴房等55m2由业主统一安排根据开工令确定工期而定序号用途面积位置需用时间5工人宿舍场外租用6仓库70m2由业主统一安排根据开工令确定工期而定7其它185m2由业主统一安排根据开工令确定工期而定8合计380m2电力需求计划表用电位置计划用电数量(KW.H)用途需用时间2015年1月1日至2015年7月1日(暂定)备注序号左或右(m)1配件加工场所1KW*8H*211天=1688KW.H现场零配件加工竣工完成2现场1KW*8H*211天设备安装竣工完成用电位置计划用电数量(KW.H)用途需用时间2015年1月1日至2015年7备注序号左或右(m)=1688KW.H3现场1KW*8H*60天=480KW.H设备调试用电竣工完成4办公场所0.5KW*8H*211天=844KW.H现场办公竣工完成按供电可靠性要求,本现场施工用电定为二级负荷,采用一个独立电源供电。现场施工用电设备台数很多,设备之间容量相差悬殊,为简化计算,按需用系数法计算,需用系数为估计值。通过正确的计算,合理分配负荷,使三相均衡。在380/220V低压架空线路设计中,除按常规选择导线截面外,当负荷较大时应考虑选择节能截面。为防止电气设备或系统的金属外壳因绝缘损坏而带电,将正常情况下不带电的金属外壳或构架例如配电箱和开关箱的金属箱体等与PE线相连,并再作重复接地,即保护接零。保护零线(即PE线)由工作接地线、配电房的零线或第一极漏电保护器的电源侧(上端)引出。保护零线除在配电房外接地外,还需在配电线路的中间处和末端处作重复接地,每一重复接地装置的接地电阻不得大于10欧。接地体采用50×50×5mm的角钢焊接而成,深埋2.5米左右。配电箱、设备外壳的接地线采用直径不小于2.5mm2的多股铜芯线(绿黄双色线)。古希腊哲学大师亚里士多德说:人有两种,一种即“吃饭是为了活着”,一种是“活着是为了吃饭”.一个人之所以伟大,首先是因为他有超于常人的心。“志当存高远”,“风物长宜放眼量”,这些古语皆鼓舞人们要树立雄心壮志,要有远大的理想。有一位心理学家到一个建筑工地,分别问三个正在砌砖的工人:“你在干什么?”第一个工人懒洋洋地说:“我在砌砖。”第二个工人缺乏热情地说:“我在砌一堵墙。”第三个工人满怀憧憬地说:“我在建一座高楼!”听完回答,心理学家判定:第一个人心中只有砖,他一辈子能把砖砌好就不错了;第二个人眼中只有墙,好好干或许能当一位技术员;而第三个人心中已经立起了一座殿堂,因为他心态乐观,胸怀远大的志向!井底之蛙,只能看到巴掌大的天空;摸到大象腿的盲人,只能认为大象长得像柱子;登上五岳的人,才能感觉“一览众山小”;看到大海的人,就会顿感心胸开阔舒畅;心中没有希望的人,是世界上最贫穷的人;心中没有梦想的人,是普天下最平庸的人;目光短浅的人,是最没有希望的人。清代“红顶商人”胡雪岩说...

1、当您付费下载文档后,您只拥有了使用权限,并不意味着购买了版权,文档只能用于自身使用,不得用于其他商业用途(如 [转卖]进行直接盈利或[编辑后售卖]进行间接盈利)。
2、本站所有内容均由合作方或网友上传,本站不对文档的完整性、权威性及其观点立场正确性做任何保证或承诺!文档内容仅供研究参考,付费前请自行鉴别。
3、如文档内容存在违规,或者侵犯商业秘密、侵犯著作权等,请点击“违规举报”。

碎片内容

2024年施工总平面布置图与临时用地表

您可能关注的文档

确认删除?
VIP
微信客服
  • 扫码咨询
会员Q群
  • 会员专属群点击这里加入QQ群
客服邮箱
回到顶部