电脑桌面
添加小米粒文库到电脑桌面
安装后可以在桌面快捷访问

汇川变频器MD330张力开环调试

汇川变频器MD330张力开环调试_第1页
1/5
汇川变频器MD330张力开环调试_第2页
2/5
汇川变频器MD330张力开环调试_第3页
3/5
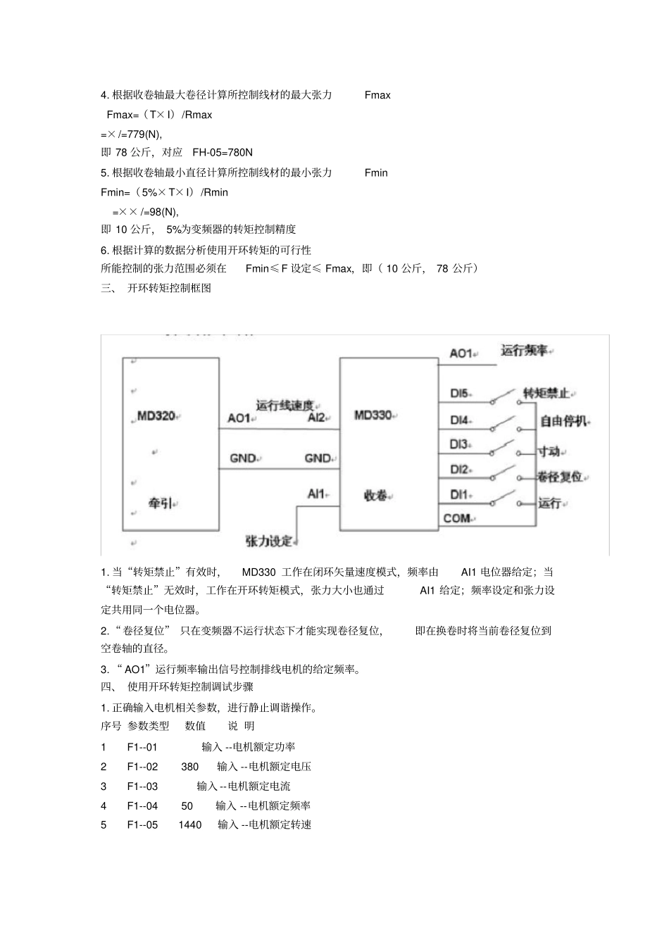
一、 MD330 开环转矩张力控制原理介绍1.典型开环张力控制示意图对张力控制有两个途径,一是控制电机的输出转矩,二是控制电机的转速,MD330 开环控制模式是针对第一种控制途径,并且不需要张力反馈。 这里的开环是指没有张力反馈信号,变频器仅靠控制输出频率或转矩即可达到控制目的,与是不是加装编码器构成速度闭环无关。转矩控制模式是指变频器控制的是电机的转矩,而不是频率, 输出频率是跟随材料的速度自动变化。根据公式 F=T/R(其中 F 为材料张力, T 为收卷轴的扭矩,R 为收卷的半径),可看出,如果能根据卷径的变化调整收卷轴的转矩,就可以控制材料上的张力,这就是开环转矩模式控制张力的根据, 其可行性还有一个原因是材料上的张力只来源于收卷轴的转矩,收卷轴的转矩主要作用于材料上。 MD330 系列变频器在闭环矢量(加装编码器矢量控制)下,可以准确地控制电机输出转矩,使用这种控制模式,必须加装编码器(变频器要配PG 卡)。2. 变频器内部与开环转矩模式有关的功能模块? ? 张力设定部分:用以设定张力,实际使用中张力的设定值应与所用材料、卷曲成型的要求等实际情况相对应,需由使用者设定。张力锥度可以控制张力随卷径增加而递减,用于改善收卷成型的效果。? ?卷径计算部分:用于计算或获得卷径信息,如果用线速度计算卷径需用到线速度输入功能部分,如果用厚度累计计算卷径需用到厚度累计计算卷径相关参数功能部分。当采用线速度计算卷径时(1)(2)ω = 2π n/60 其中, V 为线速度 m/min, ω 为角速度rad/s,n 为转速 r/min ,R 为卷轴半径m,是根据实际线速度和角速度实时计算出来,同时可通过 FH-18 监测实际卷径值,卷轴空轴( FH-12)≤ 2R≤卷轴满轴( FH-11)。?转矩补偿部分: 电机的输出转矩在加减速时有一部分要用来克服收(放) 卷辊的转动惯量,变频器中关于惯量补偿部分可以通过适当的参数设置自动地根据加减速速率进行转矩补偿,使系统在加减速过程中仍获得稳定的张力。摩擦补偿可以克服系统阻力对张力产生的影响。对应参数: FH-33、FH-36二、 使用 MD330 时需要注意的几个常用公式根据牵引电机、 牵引辊直径、 传动比计算最大线速度;根据收卷电机、 收卷轴空满轴直径、传动比,计算收卷变频器的最大输出频率、最大设定张力。牵引部分:牵引电机1440r/min,50Hz ,牵引棍直径D 牵引 =210mm,传动比 I=(根据 n 牵引电机× 1/10 ×19/25=n 牵引棍...

1、当您付费下载文档后,您只拥有了使用权限,并不意味着购买了版权,文档只能用于自身使用,不得用于其他商业用途(如 [转卖]进行直接盈利或[编辑后售卖]进行间接盈利)。
2、本站所有内容均由合作方或网友上传,本站不对文档的完整性、权威性及其观点立场正确性做任何保证或承诺!文档内容仅供研究参考,付费前请自行鉴别。
3、如文档内容存在违规,或者侵犯商业秘密、侵犯著作权等,请点击“违规举报”。

碎片内容

汇川变频器MD330张力开环调试

确认删除?
VIP
微信客服
  • 扫码咨询
会员Q群
  • 会员专属群点击这里加入QQ群
客服邮箱
回到顶部