电脑桌面
添加小米粒文库到电脑桌面
安装后可以在桌面快捷访问

五轴说明书(编程部分)

五轴说明书(编程部分)_第1页
1/22
五轴说明书(编程部分)_第2页
2/22
五轴说明书(编程部分)_第3页
3/22
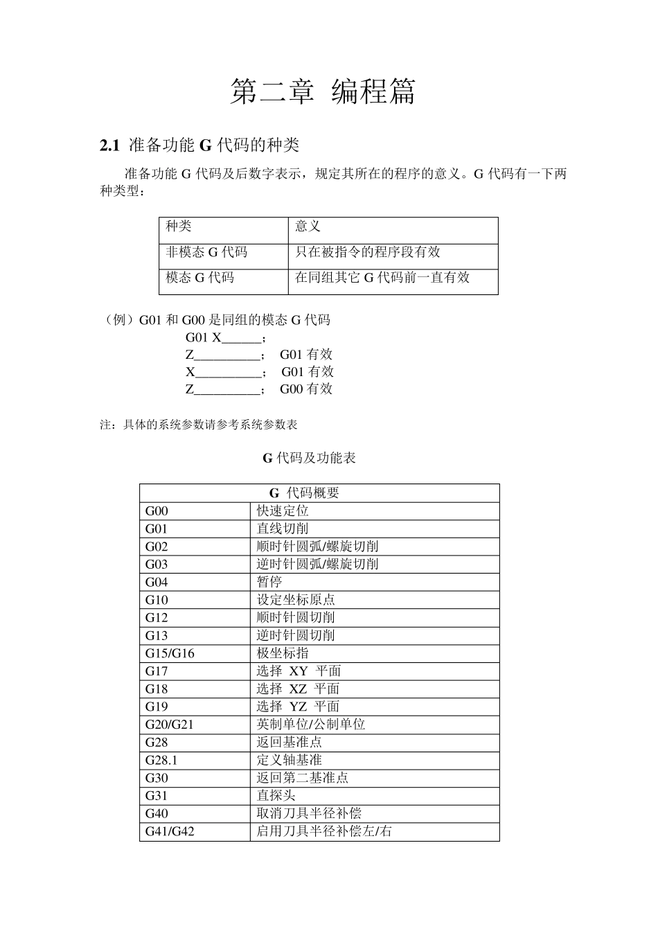
第二章 编程篇 2.1 准备功能G 代码的种类 准备功能G 代码及后数字表示,规定其所在的程序的意义。G 代码有一下两种类型: 种类 意义 非模态 G 代码 只在被指令的程序段有效 模态 G 代码 在同组其它 G 代码前一直有效 (例)G01 和 G00 是同组的模态 G 代码 G01 X______; Z__________; G01 有效 X__________; G01 有效 Z__________; G00 有效 注:具体的系统参数请参考系统参数表 G 代码及功能表 G 代码概要 G00 快速定位 G01 直线切削 G02 顺时针圆弧/螺旋切削 G03 逆时针圆弧/螺旋切削 G04 暂停 G10 设定坐标原点 G12 顺时针圆切削 G13 逆时针圆切削 G15/G16 极坐标指 G17 选择 XY 平面 G18 选择 XZ 平面 G19 选择 YZ 平面 G20/G21 英制单位/公制单位 G28 返回基准点 G28.1 定义轴基准 G30 返回第二基准点 G31 直探头 G40 取消刀具半径补偿 G41/G42 启用刀具半径补偿左/右 G43 添加刀具长度偏移量 G49 取消刀具长度偏移量 G50 重新设定缩放比例为 1 G51 设置轴数据输入缩放比例 G52 选择临时坐标偏移 G53 选择机床绝对坐标系 G54 使用夹具偏移量 1 G55 使用夹具偏移量 2 G56 使用夹具偏移量 3 G57 使用夹具偏移量 4 G58 使用夹具偏移量 5 G59 使用夹具偏移量 6/ 使用同样夹具偏移量 G61/G64 精确停止模式/恒速模式 G68/G69 旋转坐标系 G70/G71 英制单位/公制单位 G73 深孔钻削固定循环 G80 取消移动模式 (包括固定循环) G81 镗孔固定循环 G82 可暂停镗孔固定循环 G83 深孔钻削固定循环 G84 右螺旋切削固定循环 G85/G86G88/G89 镗孔固定循环 G90 绝对尺寸 G91 增量尺寸 G92 设置偏移量及参数 G92.X 取消 G92 命令 G93 逆时针进给 G94 每分钟仅给模式 G95 每转进给模式 G98 返回固定循环起始点 G99 返回固定循环 R 点 U、V、W 分别和 A、B、C 同义,同时使用 A 和 U 或 B 和 V 等会产生错误(也就是一行中用了两次 A)。在 U、V、W 代码的描述中没有指定它们在同一程序行使用的次数,但 A、B、C 代码的描述决定了他们只能使用一次。 2.1.1 快速直线移动 - G 00 (1)对于快速直线移动,程序 G00 X__ Y__ Z__ A__ C__ 中的所有功能字,除了至少选用其中的一个外其它都为可选,如果当前移动模式为G00 那么 G00 也是可选的,刀具可以以协调...

1、当您付费下载文档后,您只拥有了使用权限,并不意味着购买了版权,文档只能用于自身使用,不得用于其他商业用途(如 [转卖]进行直接盈利或[编辑后售卖]进行间接盈利)。
2、本站所有内容均由合作方或网友上传,本站不对文档的完整性、权威性及其观点立场正确性做任何保证或承诺!文档内容仅供研究参考,付费前请自行鉴别。
3、如文档内容存在违规,或者侵犯商业秘密、侵犯著作权等,请点击“违规举报”。

碎片内容

五轴说明书(编程部分)

确认删除?
VIP
微信客服
  • 扫码咨询
会员Q群
  • 会员专属群点击这里加入QQ群
客服邮箱
回到顶部