电脑桌面
添加小米粒文库到电脑桌面
安装后可以在桌面快捷访问

产品质量审核的步骤和方法

产品质量审核的步骤和方法_第1页
1/6
产品质量审核的步骤和方法_第2页
2/6
产品质量审核的步骤和方法_第3页
3/6
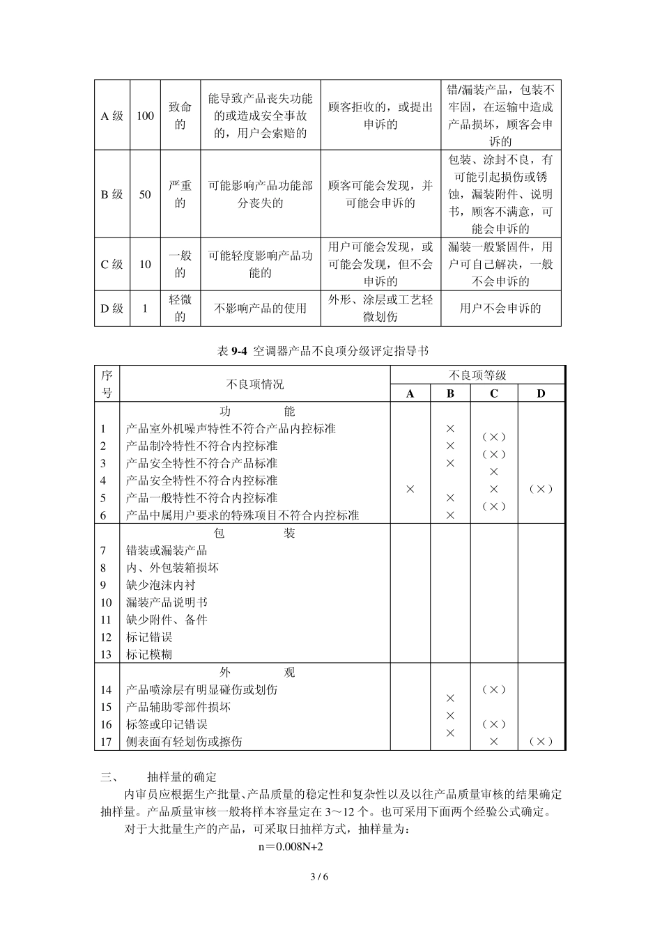
1 / 6 产品质量审核的步骤和方法 一、 审核的程序 产品质量审核的程序科参照治理管理体系审核程序进行,根据一些组织的实践和产品质量审核特点,本节只对这些程序中与产品审核有关的问题作简要性介绍。 (一) 审核的管理 组织应制定产品质量审核的程序与方案,通常应包括下列内容: ―――制定审核需要的文件记录表格; ―――规定产品质量审核的指责; ―――规定产品质量审核的程序; ―――规定产品质量审核的范围与频次; ―――规定产品质量审核的准则; ―――规定产品质量审核人员的资格与能力要求。 (二) 审核提出 ―――根据年度审核的策划安排编制年度产品审核方案; ―――产品质量审核的提出时机往往要受产品实现的进度和交付期影响; ―――审核一般有最高管理者或管理者代表授权,或是组织中产品质量审核归口管理部门的委托(后者经过组织管理者的批准)。 (三) 审核准备 ―――首先要选择具有相应知识和专业技能的审核员组成审核组,必要时可聘请有关的设计、工艺专家; ―――收集或编制产品不良项分级评定指导书; ―――审核组编制审核计划和检查表。 (四) 审核实施 1 . 召开首次会议 首次会议只邀请与产品审核直接有关的人员参加,会议主要内容是宣布产品审核计划和检查表,这样的会议一般不超过 1 5 分钟。 2 . 现场实施检查 (1 ) 检查产品的测试条件 对用作测试产品的仪器和设备校准情况进行检查,对测试的环境进行检查,保证审核测试的环境与条件。 (2 ) 对产品进行抽样检测 由审核员独立随机完成产品抽样。 按规定进行产品检测。根据组织和产品的具体情况,产品检测可以由制定的实验室的检验员进行,可以由审核员自已进行,也可以在审核员在场情况下,由受审核部门的检验(试验)人员进行。 (3 ) 审查产品质量 ―――根据产品标准/规范审查产品质量的符合性,包括产品外观和包装质量; ―――调阅该产品最终检验记录并与这次审核检查结果比较; ―――抽查产品的关键件、重要件和外购、外协件质量情况。 (4 ) 分析与判断 整理和分析检查、测试记录,计算不良项加权分和总分,并通过综合分析对被审核产品的专利水平作出客观判断。 (5 ) 召开末次会议 2 / 6 ―――报告不合格项情况; ―――对产品质量状况综合分析; ―――协商完成纠正措施的时间。 (五) 编写审核报告 产品审核报告一般应包括下列内容: ―――审核的目的; ―...

1、当您付费下载文档后,您只拥有了使用权限,并不意味着购买了版权,文档只能用于自身使用,不得用于其他商业用途(如 [转卖]进行直接盈利或[编辑后售卖]进行间接盈利)。
2、本站所有内容均由合作方或网友上传,本站不对文档的完整性、权威性及其观点立场正确性做任何保证或承诺!文档内容仅供研究参考,付费前请自行鉴别。
3、如文档内容存在违规,或者侵犯商业秘密、侵犯著作权等,请点击“违规举报”。

碎片内容

产品质量审核的步骤和方法

确认删除?
VIP
微信客服
  • 扫码咨询
会员Q群
  • 会员专属群点击这里加入QQ群
客服邮箱
回到顶部