电脑桌面
添加小米粒文库到电脑桌面
安装后可以在桌面快捷访问

钢筋制安工程

钢筋制安工程_第1页
1/7
钢筋制安工程_第2页
2/7
钢筋制安工程_第3页
3/7
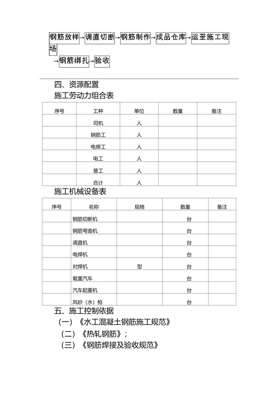
钢筋制安工程本工程泄洪灌溉洞钢筋制安工程量共。一、施工工艺流程施工准备-下料-弯曲成型 T 钢筋成品运输-绑扎-验收二、施工方案钢筋制安采用在钢筋加工厂制作,钢筋切断机下料,弯曲机成型,制作好的钢筋采用人工运至仓面,在仓面进行绑扎成型。三、施工质量要求(一)材料要求钢筋应有出厂质量保证书,热轨钢筋的机械性能应符合《钢筋混凝土用热轨带肋钢筋》有关规定;使用前应按规定抽样做机械性能试验,需要焊接的钢筋应做焊接工艺试验;发现性能异常的钢筋,应做化学成分检验或其他专项检验,不合格的产品不得使用。钢筋的种类、钢号、直径应符合设计规定,需要代换时,应符合《水工混凝土设计规范》的有关规定。建筑结构部分的钢筋应符合《混凝土结构设计规范》的有关规定。(二)贮存钢筋进场后,按等级、规格分别验收、堆放,取样送检,垫高并加遮盖,设立标示牌,防止锈蚀和污染。无合格证和岀厂试验报告时,拒绝入场。(三)加工及安装、进场钢材经检验合格,即开始配料和加工制作,钢筋接头采用搭接,焊钢筋在其搭接接头处轴线弯折误差不超过度,且要保证两接长钢筋的轴线一致。、底板钢筋设置直径①的架立钢筋,其他粱板结构如必要时设置架立短钢筋或点焊成钢筋网,防止钢筋变形;墙钢筋均采取通长配置,并搭设三步双排脚手架扶持固定,以保证钢筋位置准确、无弯折变形;不同排钢筋之间设立架立短钢筋以保证排距。、搭接长度符合设计及规范的规定,搭接头分散布置,位置避开连续粱的跨中上部及支座上部;混凝土垫块的强度不低于浇筑部位混凝土的设计强度,并埋设绑丝与钢筋绑扎牢靠,所有垫块相互错开,均匀分散布置。、钢筋加工后的形状、尺寸应符合设计要求,其允许偏差应符合规范规定。、钢筋安装位置和保护层的允许偏差应符合规范的规定。钢筋制安工程一、工程量及施工强度本工程钢筋制安总量为,根据施工进度安排施工强度。二、施工方法钢筋制作均采有机械切割和弯曲,用钢筋调直机对钢筋拉直,钢筋切断机切断,由~钢筋弯曲机进行弯曲弯钩,交流电焊机焊接,载重汽车水平运输到现场,汽车起重机吊装,人工按照钢筋图纸进行绑扎。三、施工工艺流程冷拉-》调直切断-9 钢筋放样-»钢筋制作-»成品仓库-运至施工现场->钢筋绑扎-'验收四、资源配置施工劳动力组合表序号工种单位数量备注司机人钢筋工人电焊工人电工人普工人合计人施工机械设备表序号名称规格数量备注钢筋切断机台钢筋弯曲机台调直机台电焊机台对焊机型台载重汽车台...

1、当您付费下载文档后,您只拥有了使用权限,并不意味着购买了版权,文档只能用于自身使用,不得用于其他商业用途(如 [转卖]进行直接盈利或[编辑后售卖]进行间接盈利)。
2、本站所有内容均由合作方或网友上传,本站不对文档的完整性、权威性及其观点立场正确性做任何保证或承诺!文档内容仅供研究参考,付费前请自行鉴别。
3、如文档内容存在违规,或者侵犯商业秘密、侵犯著作权等,请点击“违规举报”。

碎片内容

钢筋制安工程

确认删除?
VIP
微信客服
  • 扫码咨询
会员Q群
  • 会员专属群点击这里加入QQ群
客服邮箱
回到顶部