电脑桌面
添加小米粒文库到电脑桌面
安装后可以在桌面快捷访问

2024年水平井钻井技术概述VIP专享VIP免费

2024年水平井钻井技术概述_第1页
1/10
2024年水平井钻井技术概述_第2页
2/10
2024年水平井钻井技术概述_第3页
3/10
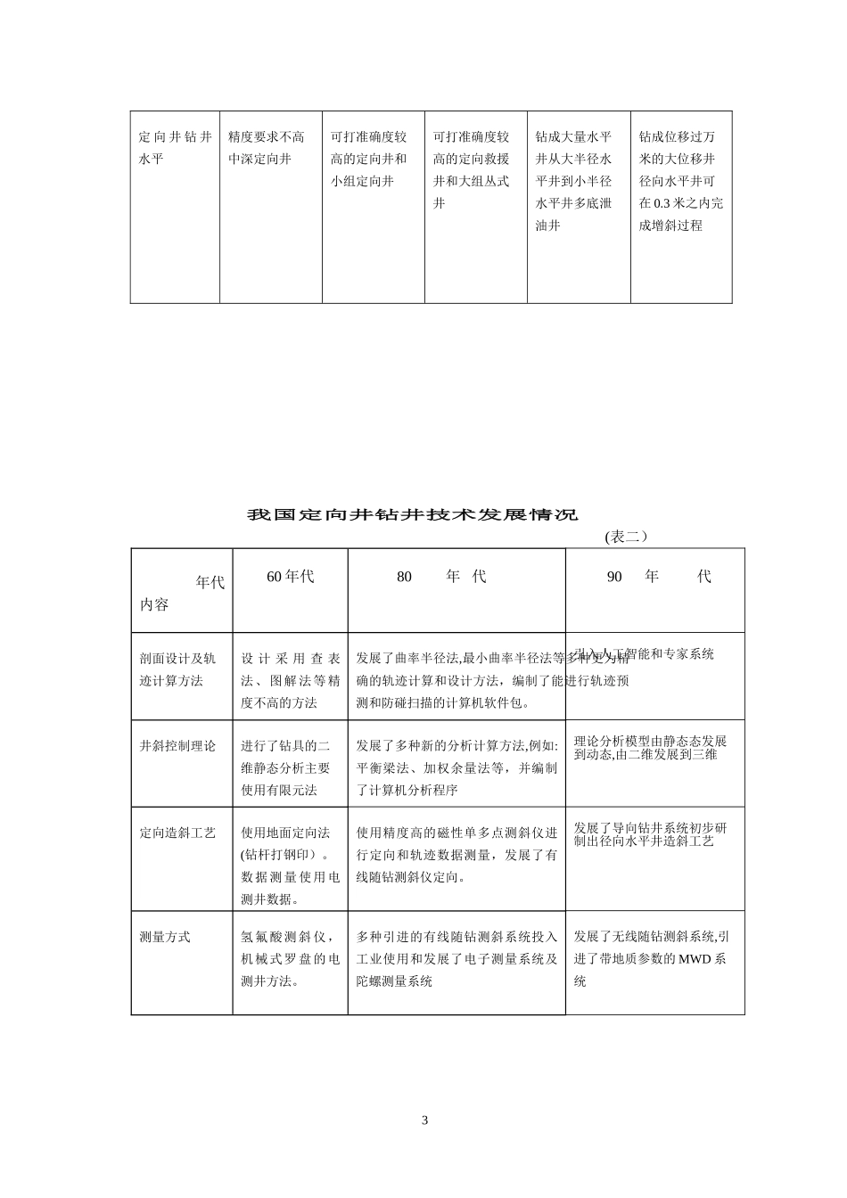
第一章定向井(水平井)钻井技术概述第一节定向井、水平井的基本概念1.定向井丛式井发展简史定向井钻井被(英)T.A.英格利期定义为:“使井筒按特定方向偏斜,钻遇地下预定目标的一门科学和艺术。”我国学者则定义为,定向井是按照预先设计的井斜角、方位角和井眼轴线形状进行钻进的井。定向井相对与直井而言它具有井斜方位角度而直井是井斜角为零的井,虽然实际所钻的直井它都有一定斜度但它仍然是直井。定向井首先是从美国发展起来的,在十九世纪后期,美国的旋转钻井代替了顿钻钻井。当时没有考虑控制井身轨迹的问题,认为钻出来的井必定是铅垂的,但通过后来的井筒测试发现,那些垂直井远非是垂直的。并由于井斜原因造成了侵犯别人租界而造成被起诉的案例。最早采用定向井钻井技术是在井下落物无法处理后的侧钻。早在1895年美国就使用了特殊的工具和技术达到了这一目的。有记录定向井实例是美国在二十世纪三十年代初在加利福尼亚享廷滩油田钻成的。第一口救援井是1934年在东德克萨斯康罗油田钻成的。救援井是指定向井与失控井具有一定距离,在设计和实际钻进让救援井和失控井井眼相交,然后自救援井内注入重泥浆压死失控井。目前最深的定向井由BP勘探公司钻成,井深达10,654米;水平位移最大的定向井是BP勘探公司于己于1997年在英国北海的RytchFarm油田钻成的M11井,水平位移高达1,0114米。垂深水平位移比最高的是Statoil公司钻成的的33/9—C2达到了1:3.14;丛式井口数最多,海上平台:96口;人工岛:170口;我国定向井钻井技术发展情况我国定向井钻井技术的发展可以分为三个阶段,50—60年代开始起步,首先在玉门和四川油田钻成定向井及水平井:玉门油田的C2—15井和磨三井,其中磨三井总井深1685米,垂直井深表遗憾350米,水平位移444.2米,最大井斜92°,水平段长160米;70年代扩大实验,推广定向井钻井技术;80年代通过进行集团化联合技术攻关,使得我国从定向井软件到定向井硬件都有了一个大的发展。我国目前最深的水平井是胜利定向井公司完成的JF128井,井深达到7000米,垂深位移比最大的大位移井是胜利定向井公司完成的郭斜井,水平位移最大的大位移井是大港定向井公司完成的井,水平位移达到2666米,最大的丛式井组是胜利石油管理局的河50丛式井组,该丛式井组长384米,宽115米,该丛式井平台共有钻定向井42口。2.定向井的分类按定向井的用途分类可以分为以下几种类型:普通定向井多目标定向井定向井丛式定向井1救援定向井水平井多分枝井(多底井)国外定向井发展简况(表一)年代内容50年代60年代70年代80年代90年代剖面设计及迹计算方法误差很大的正切法,进行定向井设计轨迹计算18种二维计算方法,如更精确的曲率半径法发展到三维设计和大组丛式井整体设计计算机专家系统进行定向井的设计和指导定向井施工发展了大型集成设计软件包井斜控制理论斜直井段的二维分析考虑了井眼的曲率及满眼组合的特性三维数据分析,由静态发展到动态发展了多种分析计算方法并编制了计算机程序在原来多种分析的基础上引入了数学及其它边沿学科定向造斜工艺涡轮加弯接头斜向器配合转盘钻使用效率更高的螺杆动力钻具,专用工具的定型配套涡轮、螺杆动力钻具向低速大扭矩发展。各种专用井下工具系列化发展了复合式动力钻具,导向钻井系统,长寿命PDC钻头等发展成熟多分枝井回接工艺地质导向钻井系统测量方式氢氟酸玻璃管刻线法和地面定向法机械式罗盘,精度较高的单多点照相测斜仪有线随钻测斜仪投入工业性使用,无线随钻测斜仪研制成功多种无线随钻测斜系统投入工业使用和发展了电子测量系统和陀螺测量系统发展成熟带地质参数的无线随钻测斜仪2定向井钻井水平精度要求不高中深定向井可打准确度较高的定向井和小组定向井可打准确度较高的定向救援井和大组丛式井钻成大量水平井从大半径水平井到小半径水平井多底泄油井钻成位移过万米的大位移井径向水平井可在0.3米之内完成增斜过程我国定向井钻井技术发展情况(表二)年代内容60年代80年代90年代剖面设计及轨迹计算方法设计采用查表法、图解法等精度不高的方法发展了曲率半径法,最小曲率半径法等多种更为精确的轨迹计算和设计方法...

1、当您付费下载文档后,您只拥有了使用权限,并不意味着购买了版权,文档只能用于自身使用,不得用于其他商业用途(如 [转卖]进行直接盈利或[编辑后售卖]进行间接盈利)。
2、本站所有内容均由合作方或网友上传,本站不对文档的完整性、权威性及其观点立场正确性做任何保证或承诺!文档内容仅供研究参考,付费前请自行鉴别。
3、如文档内容存在违规,或者侵犯商业秘密、侵犯著作权等,请点击“违规举报”。

碎片内容

2024年水平井钻井技术概述

您可能关注的文档

确认删除?
VIP
微信客服
  • 扫码咨询
会员Q群
  • 会员专属群点击这里加入QQ群
客服邮箱
回到顶部