电脑桌面
添加小米粒文库到电脑桌面
安装后可以在桌面快捷访问

关于继续暂停受理煤炭探矿权申请VIP免费

关于继续暂停受理煤炭探矿权申请_第1页
1/18
关于继续暂停受理煤炭探矿权申请_第2页
2/18
关于继续暂停受理煤炭探矿权申请_第3页
3/18
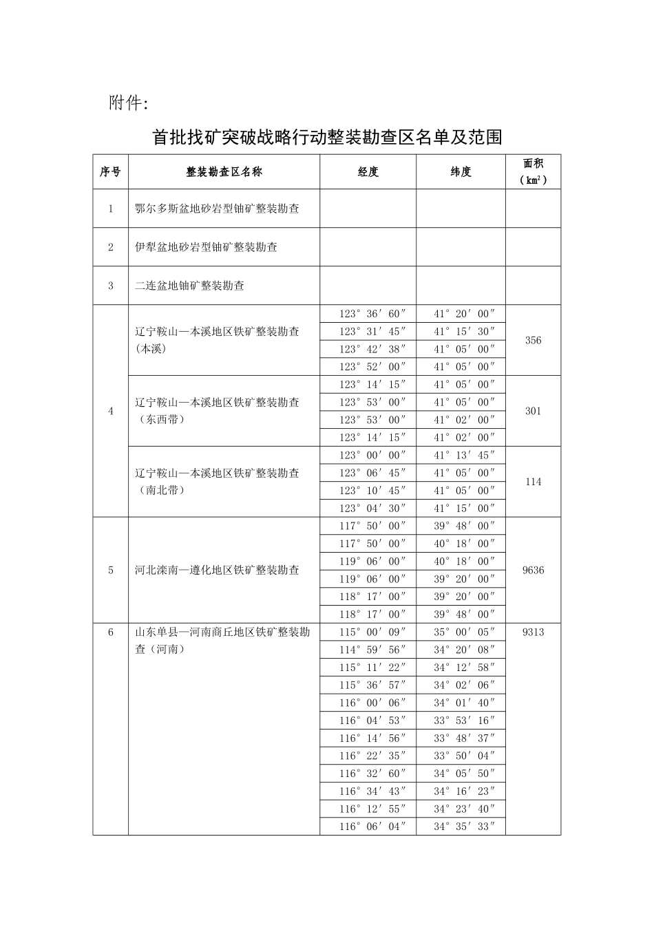
国土资源部关于继续暂停受理煤炭探矿权申请的通知2011-02-10|作者:|来源:矿产开发管理司|【大中小】【打印】【关闭】国土资发〔2011〕18号各省、自治区、直辖市国土资源厅(国土环境资源厅、国土资源局、国土资源和房屋管理局、规划和国土资源管理局):为保障和促进我国煤炭工业健康可持续发展,防止煤炭资源勘查投资过多而出现产能过剩问题,经研究,决定在2013年12月31日前继续在全国范围内暂停受理新的煤炭探矿权申请。现就有关事项通知如下:一、除下列情形外,全国继续暂停受理新的煤炭探矿权申请。(一)国务院批准的重点煤炭资源开发项目及使用中央地质勘查基金开展的煤炭资源预查、普查和必要的详查项目。(二)使用省级财政安排的地质勘查专项资金开展的煤炭资源预查、普查和必要的详查项目,并由省级人民政府正式来函商国土资源部同意的项目。(三)为国家煤炭工业发展“十二五”规划中煤炭资源开发项目配套的勘查项目和大中型矿山企业资源枯竭的已设煤炭采矿权周边及深部的不宜单独设置采矿权的零星分散煤炭资源勘查项目,并由省级人民政府正式来函商国土资源部同意的项目。二、使用中央地质勘查基金或省级财政安排的地质勘查专项资金的煤炭资源勘查项目,不吸收社会资金参与勘查,申报时还应提交项目立项文件和勘查专项资金计划(或预算)文件,在完成预查、普查和必要的详查工作后,依法注销探矿权,实行矿产地储备,不得做到勘探后直接设置采矿权。三、暂停期间,国土资源部和各省级国土资源行政主管部门继续暂停受理第一条规定以外的煤炭探矿权申请。同时要加强对煤炭资源勘查工作的监管,做好煤炭探矿权的管理。如发现有违规出让煤炭探矿权行为的,将依法追究相关负责人和工作人员的责任。二〇一一年一月三十一日国土资源部办公厅关于矿产资源整装勘查区暂停受理新立探矿权采矿权申请的通知2011-03-04|作者:|来源:矿产开发管理司|【大中小】【打印】【关闭】国土资电发〔2011〕22号各省、自治区、直辖市国土资源厅(国土环境资源厅、国土资源和房屋管理局、房屋土地资源管理局、规划和国土资源局):为深化矿业权管理制度改革,落实地质找矿新机制,促进地质找矿快速突破,部正在研究矿产资源整装勘查区矿业权管理措施。为做好衔接,自本通知印发之日起,《国土资源部关于设立首批找矿突破战略行动整装勘查区的公告》(2011年第10号)确定的整装勘查区内矿业权空白区,暂停受理新立探矿权采矿权申请(已设探矿权转采矿权仍可正常办理);已受理尚未完成审批程序的,暂缓审批;部暂停整装勘查区内矿业权空白区的矿业权配号。请各省级国土资源行政主管部门抓紧组织编制整装勘查区矿业权设置方案报部审批(具体要求部将另行通知),矿业权设置方案批准后,按矿业权设置方案的要求设置矿业权。整装勘查区矿业权设置方案批复前,国家和省级重点项目、按照整装勘查部署急需新立探矿权采矿权的,由省级国土资源行政主管部门报部批准后,可以设置矿业权。二〇一一年三月二日设立首批找矿突破战略行动整装勘查区的公告2011-03-08|作者:|来源:矿产开发管理司|【大中小】【打印】【关闭】为切实提高我国矿产资源保障能力,构建适应社会主义市场经济体制的地质找矿新机制,努力实现地质找矿重大突破,国土资源部决定从2011年起,组织实施全国地质找矿突破战略行动。根据找矿突破战略行动总体部署,在全国设立首批47片找矿突破战略行动整装勘查区,现将其名单及范围予以公告。为保障整装勘查工作合理布局、有序推进,国土资源部正在组织各省级国土资源行政主管部门编制整装勘查区矿业权设置方案。自本公告发布之日起,暂停受理整装勘查区内矿业权空白区的新立探矿权采矿权申请(已设探矿权转采矿权仍可正常办理),待整装勘查区矿业权设置方案批准后,按方案要求整合和出让矿业权。二〇一一年三月二日附件:首批找矿突破战略行动整装勘查区名单及范围序号整装勘查区名称经度纬度面积(km2)1鄂尔多斯盆地砂岩型铀矿整装勘查2伊犁盆地砂岩型铀矿整装勘查3二连盆地铀矿整装勘查4辽宁鞍山—本溪地区铁矿整装勘查(本溪)123°36′60″41°20′00″356123°31′45″41°15′30″...

1、当您付费下载文档后,您只拥有了使用权限,并不意味着购买了版权,文档只能用于自身使用,不得用于其他商业用途(如 [转卖]进行直接盈利或[编辑后售卖]进行间接盈利)。
2、本站所有内容均由合作方或网友上传,本站不对文档的完整性、权威性及其观点立场正确性做任何保证或承诺!文档内容仅供研究参考,付费前请自行鉴别。
3、如文档内容存在违规,或者侵犯商业秘密、侵犯著作权等,请点击“违规举报”。

碎片内容

关于继续暂停受理煤炭探矿权申请

确认删除?
VIP
微信客服
  • 扫码咨询
会员Q群
  • 会员专属群点击这里加入QQ群
客服邮箱
回到顶部