电脑桌面
添加小米粒文库到电脑桌面
安装后可以在桌面快捷访问

消毒产品卫生安全评价报告VIP专享

消毒产品卫生安全评价报告_第1页
1/14
消毒产品卫生安全评价报告_第2页
2/14
消毒产品卫生安全评价报告_第3页
3/14
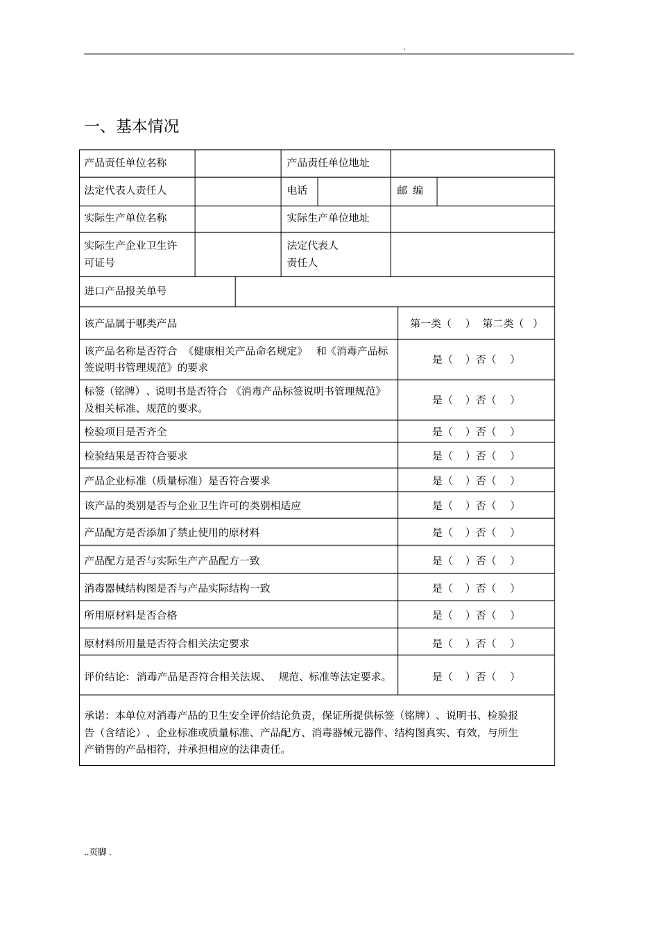
. ..页脚 . 消毒产品卫生安全评价报告产品名称:剂型型号:产品责任单位名称(盖章) :评价日期:. ..页脚 . 一、基本情况产品责任单位名称产品责任单位地址法定代表人责任人电话邮 编实际生产单位名称实际生产单位地址实际生产企业卫生许可证号法定代表人责任人进口产品报关单号该产品属于哪类产品第一类() 第二类()该产品名称是否符合 《健康相关产品命名规定》和《消毒产品标签说明书管理规范》的要求是()否()标签(铭牌)、说明书是否符合 《消毒产品标签说明书管理规范》及相关标准、规范的要求。是()否()检验项目是否齐全是()否()检验结果是否符合要求是()否()产品企业标准(质量标准)是否符合要求是()否()该产品的类别是否与企业卫生许可的类别相适应是()否()产品配方是否添加了禁止使用的原材料是()否()产品配方是否与实际生产产品配方一致是()否()消毒器械结构图是否与产品实际结构一致是()否()所用原材料是否合格是()否()原材料所用量是否符合相关法定要求是()否()评价结论:消毒产品是否符合相关法规、 规范、标准等法定要求。是()否()承诺:本单位对消毒产品的卫生安全评价结论负责,保证所提供标签(铭牌)、说明书、检验报告(含结论)、企业标准或质量标准、产品配方、消毒器械元器件、结构图真实、有效,与所生产销售的产品相符,并承担相应的法律责任。. ..页脚 . 二、评价资料(一)标签(铭牌)、说明书;(二)检验报告(含结论);(三)企业标准或质量标准;(四)国产产品生产企业卫生许可证;(五)进口产品生产国(地区)允许生产销售的证明文件及报关单;(六)产品配方;(七)消毒器械元器件、结构图。备注:.经营使用单位索证时,产品责任单位提供的卫生安全评价报告资料包括标签(铭牌)、说明书、检验报告结论、国产产品生产企业卫生许可证、进口产品生产国(地区)允许生产销售的证明文件及报关单;.卫生安全评价报告备案时, 产品责任单位需提供一式 叁份,两份为卫生计生行政部门存档,一份为企业存档;.(一)、(三)、(四)和(五)为原件或复印件,(二)、(六)和(七)为原件。复印件应由产品责任单位加盖公章;.本表应使用规格纸张打印,资料按顺序排列,逐页加盖产品责任单位公章,并装订成册。. ..页脚 . 配方的书写格式和要求原材料名称号原材料商品名称原材料纯度原材料级别原材料投加量原材料投加百分比()注:.单一...

1、当您付费下载文档后,您只拥有了使用权限,并不意味着购买了版权,文档只能用于自身使用,不得用于其他商业用途(如 [转卖]进行直接盈利或[编辑后售卖]进行间接盈利)。
2、本站所有内容均由合作方或网友上传,本站不对文档的完整性、权威性及其观点立场正确性做任何保证或承诺!文档内容仅供研究参考,付费前请自行鉴别。
3、如文档内容存在违规,或者侵犯商业秘密、侵犯著作权等,请点击“违规举报”。

碎片内容

消毒产品卫生安全评价报告

确认删除?
VIP
微信客服
  • 扫码咨询
会员Q群
  • 会员专属群点击这里加入QQ群
客服邮箱
回到顶部