电脑桌面
添加小米粒文库到电脑桌面
安装后可以在桌面快捷访问

混凝土灌注桩检验批质量验收记录

混凝土灌注桩检验批质量验收记录_第1页
1/5
混凝土灌注桩检验批质量验收记录_第2页
2/5
混凝土灌注桩检验批质量验收记录_第3页
3/5
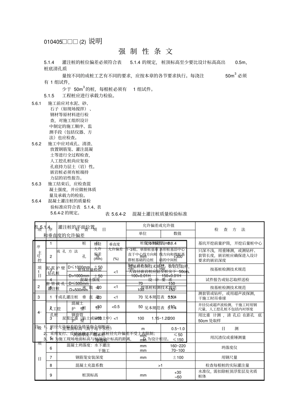
混凝土灌注桩检验批质量验收记录(GB50202-2002) 表 5.6.4-2编号: 010405□□□ (2)工程名称分项工程名称项目经理施工单位验收部位施工执行标准名称及编号专业工长(施工员 ) 分包单位分包项目经理施工班组长质 量 验 收 规 范 的 规 定施工单位自检记录监理 (建设 )单位验收记录检查项目质量要求单位数值主控项目1 桩 位 偏 差见规范表 5.1.4 2 孔 深 偏 差mm +300 3 桩体质量检验按基桩检测技术规范。如钻芯取样,大直径嵌岩桩应钻至桩尖下 50cm 4 混凝土强度符合设计要求5 承载力按基桩检测技术规范一般项目1 桩垂直度见规范表 5.1.4 2 桩径见规范表 5.1.4 3 泥浆比重 (粘土或砂性土中 ) 1.15~1.20 4 泥浆面标高 (高于地下水位 ) m 0.5~1.0 5 沉渣厚度端 承 桩mm ≤ 50 摩 擦 桩mm ≤ 150 6 混凝土坍深度水下灌注mm 160~220 干 施 工mm 70~100 7 钢筋笼安装深度mm ± 100 8 混凝土充盈系数>1 9 桩顶标高mm +30 50 施 工 操 作 依 据质 量 检 查 记 录施工单位检查结 果 评 定项目专业项目专业质量检查员:技术负责人:年月日监理(建设)单位验收结论专业监理工程师:(建设单位项目专业负责人) 年月日010405□□□ (2) 说明强 制 性 条 文5.1.4 灌注桩的桩位偏差必须符合表5.1.4 的规定, 桩顶标高至少要比设计标高高出0.5m,桩底清孔质量按不同的成桩工艺有不同的要求,应按本章的各节要求执行。每浇注50m3 必须有 1 组试件,少于 50m3 的桩,每根桩必须有1 组试件。5.1.5工程桩应进行承载力检验。5.6.1施工前应对水泥、砂、石子(如现场搅拌) 、钢材等原材料进行检查,对施工组织设计中制定的施工顺序、监测手段(包括仪器、方法)也应检查。5.6.2施工中应对成孔、清渣、放置钢筋笼、灌注混凝土等进行全过程检查,人工挖孔桩尚应复验孔底持力层土(岩)性。嵌岩桩必须有桩端持力层的岩性报告。5.6.3施工结束后,应检查混凝土强度,并应做桩体质量及承载力的检验。5.6.4混凝土灌注桩的质量检验标准应符合表5.1.4、表5.6.4-2 的规定。表 5.1.4 灌注桩的平面位置和垂直度的允许偏差序号成 孔 方 法桩径允许偏差(mm) 垂直度允许偏差(%) 桩位允许偏差 (mm) 1~3根、单排桩基垂直于中心线方向和群桩基础的边桩条形桩基沿中心线方向和群桩基础的中间桩1 泥 浆 护 壁钻孔桩D≤1000mm ±50 <1 D/6 ,且不大于100 D/4...

1、当您付费下载文档后,您只拥有了使用权限,并不意味着购买了版权,文档只能用于自身使用,不得用于其他商业用途(如 [转卖]进行直接盈利或[编辑后售卖]进行间接盈利)。
2、本站所有内容均由合作方或网友上传,本站不对文档的完整性、权威性及其观点立场正确性做任何保证或承诺!文档内容仅供研究参考,付费前请自行鉴别。
3、如文档内容存在违规,或者侵犯商业秘密、侵犯著作权等,请点击“违规举报”。

碎片内容

混凝土灌注桩检验批质量验收记录

您可能关注的文档

爱的疯狂+ 关注
实名认证
内容提供者

该用户很懒,什么也没介绍

确认删除?
VIP
微信客服
  • 扫码咨询
会员Q群
  • 会员专属群点击这里加入QQ群
客服邮箱
回到顶部