电脑桌面
添加小米粒文库到电脑桌面
安装后可以在桌面快捷访问

混凝土路面胀缝、锁缝施工技术交底VIP专享

混凝土路面胀缝、锁缝施工技术交底_第1页
1/4
混凝土路面胀缝、锁缝施工技术交底_第2页
2/4
混凝土路面胀缝、锁缝施工技术交底_第3页
3/4
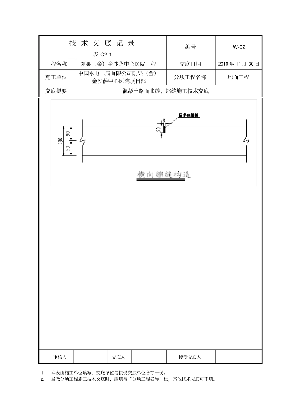
1.本表由施工单位填写,交底单位与接受交底单位各存一份。2.当做分项工程施工技术交底时,应填写“分项工程名称”栏,其他技术交底可不填。技 术 交 底 记 录表 C2-1编号W-02 工程名称刚果(金)金沙萨中心医院工程交底日期2010 年 11 月 30 日施工单位中国水电二局有限公司刚果(金)金沙萨中心医院项目部分项工程名称地面工程交底提要混凝土路面胀缝、缩缝施工技术交底交底内容:一、作业条件:1、混凝土路面大面积铺设。2、主要材料:(1)、水泥: 32.5 级普通硅酸盐水泥,应有出厂证明及复试报告。(2)、砂:中砂或粗砂,用前过筛。(3)、沥青砂。3、主要机具:孔径 5mm筛子,手推车,大桶,木抹子,水平尺,方尺,靠尺板,合金錾子,托线板,盒尺,匀石机,直径20 钢筋,槽钢,米粒条。二、操作工艺:分缝灌沥青砂路面养护。1、分缝:胀缝:每 30m设置一条 30mm胀缝,胀缝设置拉力杆,拉力杆间距为30mm,一端固定在混凝土路面中,另外一端套在PVC套管中(详见附图一) 。缩缝:每 6m设置一条 8mm横向缩缝,缩缝用沥青砂灌缝后安放米粒条(详见附图二)。2、灌沥青砂:在胀缝与缩缝分割好后灌沥青砂。三、质量标准:1、主控项目:1)、混凝土水泥型号符合要求。2)、拉力杆钢筋直径符合要求。1.本表由施工单位填写,交底单位与接受交底单位各存一份。2.当做分项工程施工技术交底时,应填写“分项工程名称”栏,其他技术交底可不填。技 术 交 底 记 录表 C2-1编号W-02 工程名称刚果(金)金沙萨中心医院工程交底日期2010 年 11 月 30 日施工单位中国水电二局有限公司刚果(金)金沙萨中心医院项目部分项工程名称地面工程交底提要混凝土路面胀缝、缩缝施工技术交底3)、胀缝与缩缝的宽度符合要求。4)、胀缝与缩缝要沥青砂灌缝。2、一般项目:1)、混凝土路面表面应平整、洁净、无裂痕和缺损。2)、胀缝与缩缝缝应平直、光滑,填嵌应连续、密实。四、成品保护:1、混凝土路面铺设完成之后要进行养护。2、注意其它专业施工时,不要破坏现有成品。五、应注意的问题:1、胀缝与缩缝的间距要符合要求。2、胀缝中拉力杆的间距分布符合要求。(附图一):1.本表由施工单位填写,交底单位与接受交底单位各存一份。2.当做分项工程施工技术交底时,应填写“分项工程名称”栏,其他技术交底可不填。技 术 交 底 记 录表 C2-1编号W-02 工程名称刚果(金)金沙萨中心医院工程交底日期2010 年 11 月 30 日施...

1、当您付费下载文档后,您只拥有了使用权限,并不意味着购买了版权,文档只能用于自身使用,不得用于其他商业用途(如 [转卖]进行直接盈利或[编辑后售卖]进行间接盈利)。
2、本站所有内容均由合作方或网友上传,本站不对文档的完整性、权威性及其观点立场正确性做任何保证或承诺!文档内容仅供研究参考,付费前请自行鉴别。
3、如文档内容存在违规,或者侵犯商业秘密、侵犯著作权等,请点击“违规举报”。

碎片内容

混凝土路面胀缝、锁缝施工技术交底

确认删除?
VIP
微信客服
  • 扫码咨询
会员Q群
  • 会员专属群点击这里加入QQ群
客服邮箱
回到顶部