电脑桌面
添加小米粒文库到电脑桌面
安装后可以在桌面快捷访问

PROTEL课程设计报告样本

PROTEL课程设计报告样本_第1页
1/28
PROTEL课程设计报告样本_第2页
2/28
PROTEL课程设计报告样本_第3页
3/28
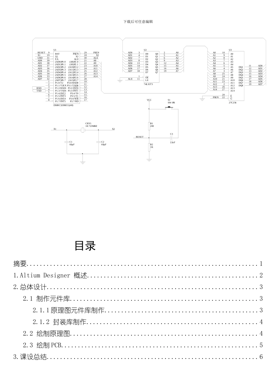
下载后可任意编辑PROTEL 课程设计任务书一一、 课程设计题目: PROTEL 应用实践——简单的单片机开发系统设计二、 课程设计的目的让学生掌握用 PROTEL 软件画电子线路原理图、 设计印制版电路图的知识。三、 初始条件 利用 PROTEL 软件画出老师提供的( 或者自己确定的) 电子线路原理图, 并设计出印制版电路图。四、 要求完成的主要任务1、用 PROTEL 软件画出原理图并打印。2、生成原理图网络表并打印。3、生成原理图元件表并打印。4、建 10 个元件的原理图元件库以及相应的封装元件库, 并打印出来。( 选做) 5、用自动和手动相结合的方法设计出印制版电路图, 并打印出来。6、心得体会。五、 时间安排第十八周 第十九周下载后可任意编辑目录摘要.....................................................................11.Altium Designer 概述...................................................22.总体设计...............................................................32.1 制作元件库........................................................32.1.1 原理图元件库制作..............................................32.1.2 封装库制作...................................................42.2 绘制原理图........................................................42.3 绘制 PCB..........................................................53.课设总结...............................................................6123456ABCD654321DCBATitleNumberRevisionSizeBDate:25-Jul-2001Sheet of File:D:\protel99\Examples\MyDesign2.ddbDrawn By:C160pFC260pFC322uFCRY118.723MHZR1200R21KS1SW-PBD03Q02D14Q15D27Q26D38Q39D413Q412D514Q515D617Q616D718Q719OE1LE11U274LS373RST9X119X218PSEN29ALE30(AD0)P0.039(AD1)P0.138(AD2)P0.237(AD3)P0.336(AD4)P0.435(AD5)P0.534(AD6)P0.633(AD7)P0.732P1.0/T21P1.1/T2EX2P1.2/RXD13P1.3/TXD14P1.4/INT25P1.5/INT36P1.6/INT47P1.7/INT58(A8)P2.021(A9)P2.122(A10)P2.223(A11)P2.324(A12)P2.425(A13)P2.526(A14)P2.627(A15)P2.728P3.0/RXD010P3.1/TXD011P3.2/INT012P3.3/INT113P3.4/T014P3.5/T115P3.6/WR16P3.7/RD17EA31U1DS80C320MCG(40)A010A19A28A37A46A55A64A73A825A924A1021A1123A122A1326A1427E20G22DQ111DQ212DQ313DQ415DQ516DQ617DQ718DQ819U327C25...

1、当您付费下载文档后,您只拥有了使用权限,并不意味着购买了版权,文档只能用于自身使用,不得用于其他商业用途(如 [转卖]进行直接盈利或[编辑后售卖]进行间接盈利)。
2、本站所有内容均由合作方或网友上传,本站不对文档的完整性、权威性及其观点立场正确性做任何保证或承诺!文档内容仅供研究参考,付费前请自行鉴别。
3、如文档内容存在违规,或者侵犯商业秘密、侵犯著作权等,请点击“违规举报”。

碎片内容

PROTEL课程设计报告样本

确认删除?
VIP
微信客服
  • 扫码咨询
会员Q群
  • 会员专属群点击这里加入QQ群
客服邮箱
回到顶部