电脑桌面
添加小米粒文库到电脑桌面
安装后可以在桌面快捷访问

上海工业区工程监理实施细则

上海工业区工程监理实施细则_第1页
1/39
上海工业区工程监理实施细则_第2页
2/39
上海工业区工程监理实施细则_第3页
3/39
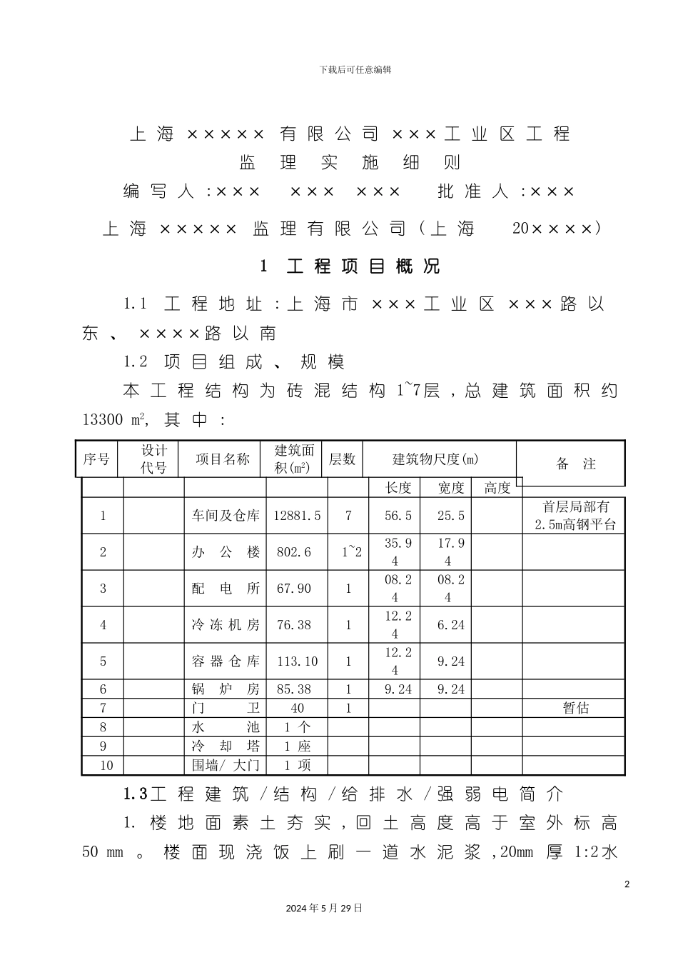
下载后可任意编辑上海工业区工程监理实施细则12024 年 5 月 29 日下载后可任意编辑上 海 ××××× 有 限 公 司 ××× 工 业 区 工 程监 理 实 施 细 则编 写 人 :××× ××× ××× 批 准 人 :×××上 海 ××××× 监 理 有 限 公 司 ( 上 海 20××××)1 工 程 项 目 概 况1.1 工 程 地 址 : 上 海 市 ××× 工 业 区 ××× 路 以东 、 ××××路 以 南1.2 项 目 组 成 、 规 模本 工 程 结 构 为 砖 混 结 构 1~7 层 , 总 建 筑 面 积 约13300 m2, 其 中 :序号设计代号项目名称建筑面积(m2)层数建筑物尺度(m)备 注长度宽度高度1车间及仓库12881.5756.525.5首层局部有2.5m高钢平台2办公楼802.61~235.9417.943配电所67.90108.2408.244冷 冻 机 房76.38112.246.245容 器 仓 库113.10112.249.246锅炉房85.3819.249.247门卫401暂估8水池1 个9冷却塔1 座10围墙/ 大门1 项1.3 工 程 建 筑 / 结 构 / 给 排 水 / 强 弱 电 简 介1. 楼 地 面 素 土 夯 实 , 回 土 高 度 高 于 室 外 标 高50 mm。 楼 面 现 浇 饭 上 刷 一 道 水 泥 浆 ,20mm厚 1:2 水22024 年 5 月 29 日下载后可任意编辑泥 砂 浆 粉 光 。2. 门 窗 : 内 门 为 夹 板 门 , 外 围 护 墙 上 为 塑 钢门 , 窗 为 塑 钢 窗 , 局 部 为 玻 璃 幕 墙 ( 专 业 公 司 设计 及 施 工 ) 。3. 装 饰 : 外 装 饰 1:1:4混 合 砂 浆 底 面 二 道 , 刷外 墙 涂 料 三 度 , 内 粉 刷 1:1:6混 合 砂 浆 底 纸 筋 灰面 , 面 层 二 次 装 修 , 卫 生 间 1:3 水 泥 砂 浆 刮 糙 , 面层 用 户 自 理 。4. 屋 面 : 找 坡 3%, 现 浇 屋 面 板 上 100 mm 厚 粉 煤 灰加 气 混 凝 土 块 , 最 薄 处 60 mm厚 ,20 mm 厚 1:2.5水 泥砂 浆 找 平 ,PVC 防 水 卷 材 。5. 基 础 构 造 ; 本 工 程 基 础 为 钢 筋 混 凝 土 独 立基 础 / 条 型 基 础 : 混 凝 土 设 计 强 度 : 垫 层 为 ClO, 基础 为 C20, 构 造 柱 和 大 梁 为 C25, 防 潮 层 以 下 砖 为MUlO 实 心 砖 ,M5 水 泥 砂 浆 砌 筑 , 防 ...

1、当您付费下载文档后,您只拥有了使用权限,并不意味着购买了版权,文档只能用于自身使用,不得用于其他商业用途(如 [转卖]进行直接盈利或[编辑后售卖]进行间接盈利)。
2、本站所有内容均由合作方或网友上传,本站不对文档的完整性、权威性及其观点立场正确性做任何保证或承诺!文档内容仅供研究参考,付费前请自行鉴别。
3、如文档内容存在违规,或者侵犯商业秘密、侵犯著作权等,请点击“违规举报”。

碎片内容

上海工业区工程监理实施细则

您可能关注的文档

确认删除?
VIP
微信客服
  • 扫码咨询
会员Q群
  • 会员专属群点击这里加入QQ群
客服邮箱
回到顶部