电脑桌面
添加小米粒文库到电脑桌面
安装后可以在桌面快捷访问

关于加强合肥市膨胀玻化微珠保温砂浆外墙保温质量管理的若干规定

关于加强合肥市膨胀玻化微珠保温砂浆外墙保温质量管理的若干规定_第1页
1/6
关于加强合肥市膨胀玻化微珠保温砂浆外墙保温质量管理的若干规定_第2页
2/6
关于加强合肥市膨胀玻化微珠保温砂浆外墙保温质量管理的若干规定_第3页
3/6
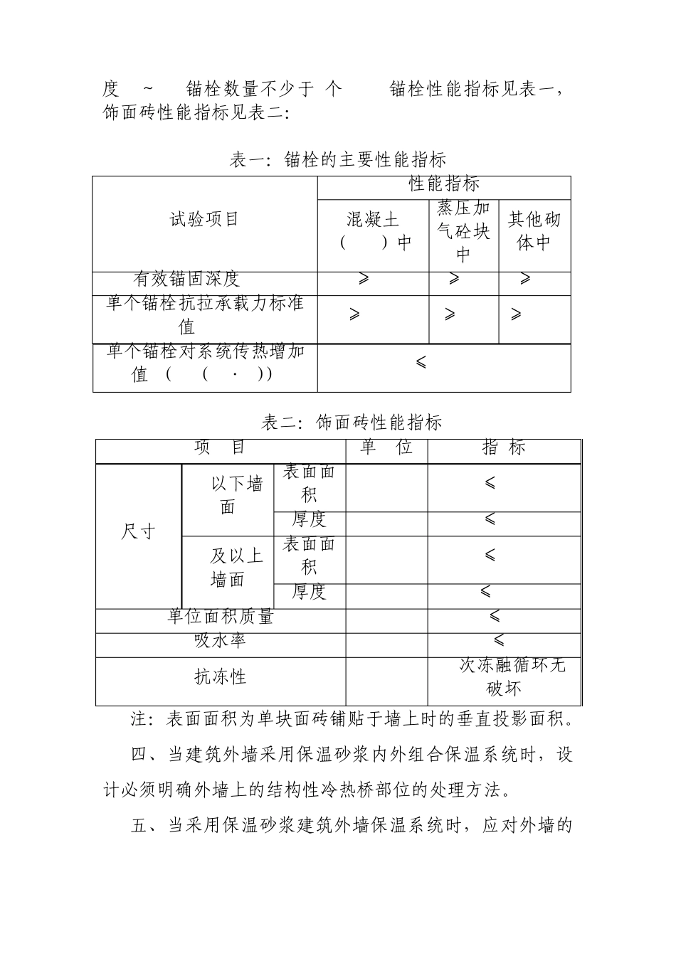
合肥市建筑质量安全监督站文件 合建质安监[2011]56号 关于加强合肥市膨胀玻化微珠保温砂浆 外墙保温质量管理的若干规定 各有关单位: 为了加强膨胀玻化微珠保温砂浆外墙保温工程质量管理,规范我市膨胀玻化微珠外墙保温材料的做法,确保工程质量和安全,根据有关法律、法规、标准,结合我市实际情况,制订以下管理规定,请你们认真执行。 一、膨胀玻化微珠保温砂浆(以下简称保温砂浆)建筑保温系统用于墙体保温隔热工程时,建筑热工节能设计应符合国家、行业和地方现行建筑节能设计标准的规定,并通过建筑节能审查。 二、保温砂浆用于建筑外墙外侧时的设计厚度不应大于40mm, 采用面砖饰面时保温层设计厚度不应超过 30mm。 三、保温砂浆的建筑外墙当采用面砖等此类材料饰面时,施工图设计文件应明确各组成材料的性能指标和饰面砖系统安全性的构造措施。饰面砖系统的最大应用高度不应大于40m。抗裂防护层中的热镀锌电焊网应采用塑料锚栓将其固定在基层墙体上,高度20m以下锚栓数量不少于7个/m2,高 度20~40m锚栓数量不少于9个/m2; 锚栓性能指标见表一,饰面砖性能指标见表二: 表一:锚栓的主要性能指标 试验项目 性能指标 混凝土(C25)中 蒸压加气砼块中 其他砌体中 有效锚固深度/ mm ≥25 ≥50 ≥50 单个锚栓抗拉承载力标准值/ kN ≥0.80 ≥0.3 ≥0.40 单个锚栓对系统传热增加值/(W/(m2〃K)) ≤0.004 表二:饰面砖性能指标 项 目 单 位 指 标 尺寸 6m以下墙面 表面面积 cm2 ≤410 厚度 cm ≤1.0 6m及以上墙面 表面面积 cm2 ≤190 厚度 cm ≤0.75 单位面积质量 kg/m2 ≤16 吸水率 % ≤6 抗冻性 - 10次冻融循环无破坏 注:表面面积为单块面砖铺贴于墙上时的垂直投影面积。 四、当建筑外墙采用保温砂浆内外组合保温系统时,设计必须明确外墙上的结构性冷热桥部位的处理方法。 五、当采用保温砂浆建筑外墙保温系统时,应对外墙的 出挑构件、附墙部件及门窗洞四周墙面进行保温隔热处理,施工图上应有保温做法的大样详图。 六、保温砂浆生产企业要严格履行保温材料登记备案制度,应取得省住建厅颁发的“安徽省建设科技成果项目推广证书”,并在合肥市建设委员会备案登记。 七、膨胀玻化微珠原材料应为颗粒球状,放置于水中七天后的体积漂浮率应大于 80%。(依据 JC/T1042-2007第 5.3条的规定) 八、施工单位在结构验收前应在施工现场做系统样板,并按规定的指标要求进行现...

1、当您付费下载文档后,您只拥有了使用权限,并不意味着购买了版权,文档只能用于自身使用,不得用于其他商业用途(如 [转卖]进行直接盈利或[编辑后售卖]进行间接盈利)。
2、本站所有内容均由合作方或网友上传,本站不对文档的完整性、权威性及其观点立场正确性做任何保证或承诺!文档内容仅供研究参考,付费前请自行鉴别。
3、如文档内容存在违规,或者侵犯商业秘密、侵犯著作权等,请点击“违规举报”。

碎片内容

关于加强合肥市膨胀玻化微珠保温砂浆外墙保温质量管理的若干规定

小辰7+ 关注
实名认证
内容提供者

出售各种资料和文档

确认删除?
VIP
微信客服
  • 扫码咨询
会员Q群
  • 会员专属群点击这里加入QQ群
客服邮箱
回到顶部