电脑桌面
添加小米粒文库到电脑桌面
安装后可以在桌面快捷访问

游泳馆造价指标分析

游泳馆造价指标分析_第1页
1/11
游泳馆造价指标分析_第2页
2/11
游泳馆造价指标分析_第3页
3/11
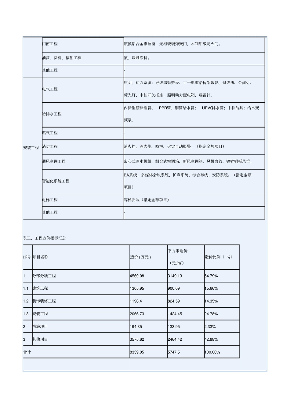
游泳馆造价指标分析时间 : 2009年 07 月 24 日 来源 : 互联网作 ? 未知浏览次数 : 208 游泳馆造价指标分析表一、工程概况项 目 名称内容工程名称xx 大学游泳馆工程分类游泳馆(池)工程地点外环线外 -松江区建筑物功能及规模观众厅座位数约500 座开工日期2006 年 3 月 1 日竣工日期2006 年 8 月 24 日建筑面积 ( 平方米 ) 14509 其中 : 地上 14509 地下 _________ 建筑和安装工程造价( 万元) 8339.05 平方米造价 ( 元 / 平方米 ) 5747.5 结构类型框架层数(层)地上 3 地下 ________ 建筑高度(檐口)( 米)17.8 层高 ( 米) 其中:首层 5.4 标准层 6 建筑节能大厅屋顶为铝合金复合保温屋面,要求总传热系数小于0.7。一般门窗选用镀膜铝合金型材,外门窗的传热系数应该小于3.0k,外金属幕墙的传热系数应该小于1.0k。设计荷载活载:观众看台、大平台3.5KN/ ㎡,接待室 2.5KN/ ㎡,办公室 2.0KN/ ㎡;基本风压: 0.55KN/ ㎡;基本雪压 0.2KN/ ㎡。抗震设防烈度7 度基础类型桩,带形基础(元宝基础)埋置深度 ( 米) -1.8 计价方式清单计价合同类型单价合同造价类别合同价编制依据《建设工程工程量清单计价规范》(GB50500-2003) 、现行定额、计价依据及相关文件价格取定期2005 年 5 月表二、工程特征项 目 名 称特征描述建筑工程土(石)方工程人工挖土带形基础(元宝基础)桩与地基基础工程预制钢筋混凝土方桩JZHB-230-1111B 预制钢筋混凝土管桩PHC-AB600 砌筑工程外墙类型外墙(除幕墙区域外)选用200 厚 A5.0 加气混凝土砌块作为填充料。内墙类型内隔墙选用120/200 厚加气混凝土砌块混凝土及钢筋混凝土工程垫层 C15,基础地梁C35,水池部位C35,柱、梁 C30,室内板、墙C15,泵送砼。厂库房大门、特种门、木结构工程- 金属结构工程-屋面及防水工程屋面构造:花岗石板、粘结剂、水泥砂浆、防水层、水泥砂浆找平、钢筋混凝土板。防水: 2 厚高分子防水卷材,水泥基型防水涂料。防腐、隔热、保温工程- 其他工程- 装饰装修工程楼地面工程花岗岩、防滑地砖、塑胶板、防静电地板块料面层。墙柱面工程干挂花岗岩、墙面面砖、隔音墙板面层。天棚工程轻钢龙骨石膏板吊顶、铝合金吊顶及吸音板吊顶。门窗工程镀摸铝合金推拉窗,无框玻璃弹簧门,木制甲级防火门。油漆、涂料、裱糊工程顶、墙刷涂料。其他工程- 安装工程电气工程照明、动力系统;导线串管敷设、...

1、当您付费下载文档后,您只拥有了使用权限,并不意味着购买了版权,文档只能用于自身使用,不得用于其他商业用途(如 [转卖]进行直接盈利或[编辑后售卖]进行间接盈利)。
2、本站所有内容均由合作方或网友上传,本站不对文档的完整性、权威性及其观点立场正确性做任何保证或承诺!文档内容仅供研究参考,付费前请自行鉴别。
3、如文档内容存在违规,或者侵犯商业秘密、侵犯著作权等,请点击“违规举报”。

碎片内容

游泳馆造价指标分析

您可能关注的文档

确认删除?
VIP
微信客服
  • 扫码咨询
会员Q群
  • 会员专属群点击这里加入QQ群
客服邮箱
回到顶部