电脑桌面
添加小米粒文库到电脑桌面
安装后可以在桌面快捷访问

溶出度仪机械验证记录表——第二法桨法溶出度仪机械性能验证记录参考模板

溶出度仪机械验证记录表——第二法桨法溶出度仪机械性能验证记录参考模板_第1页
1/2
溶出度仪机械验证记录表——第二法桨法溶出度仪机械性能验证记录参考模板_第2页
2/2
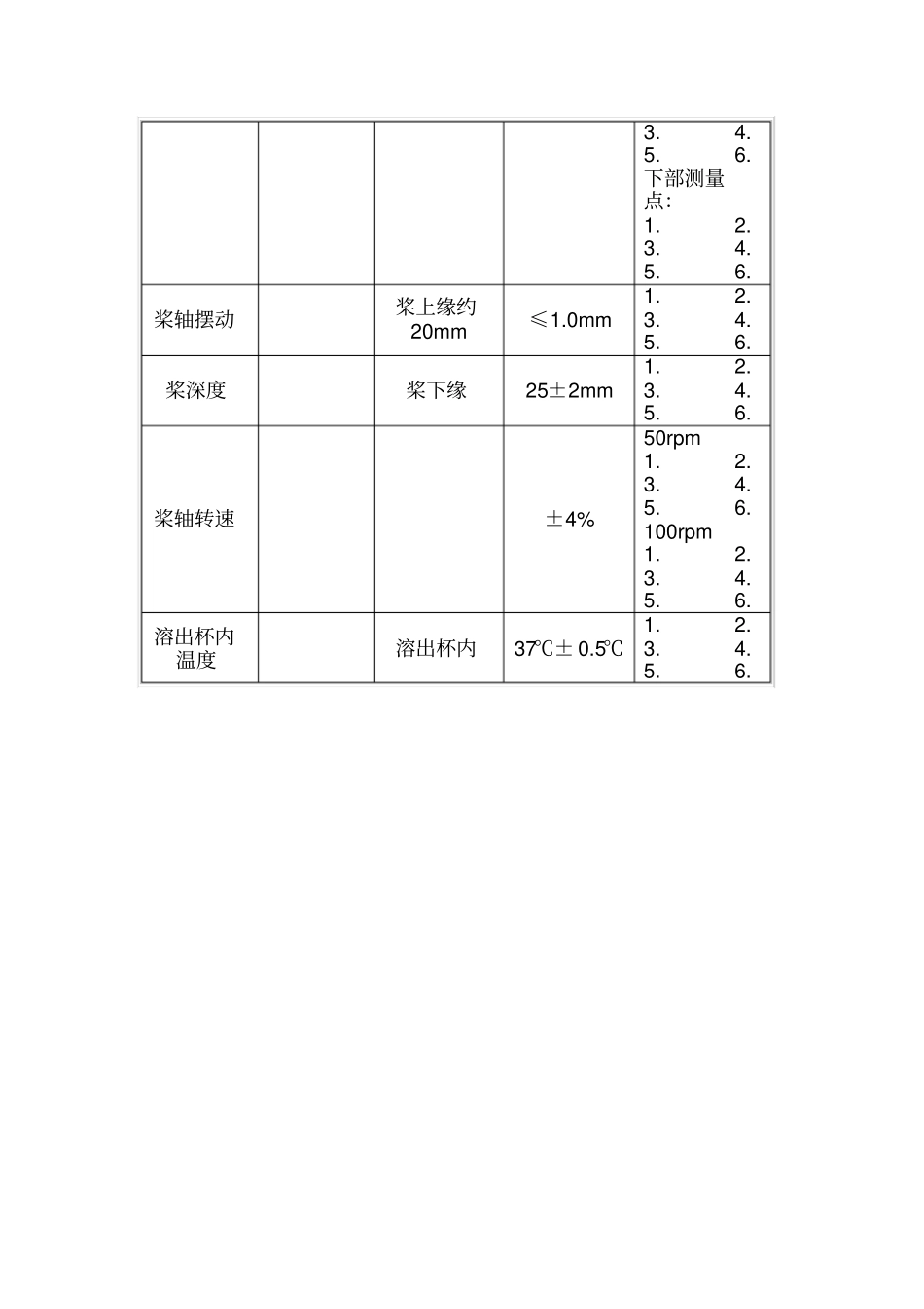
溶出度仪机械验证记录表——第二法(桨法)(溶出度仪机械性能验证记录参考模板)溶出度仪机械验证记录表——第二法(桨法)日期____ 记录员 ____ 溶出度仪:生产商 ____型号____序列号参 数工具测量点技术要求结果溶出度仪水平度将倾角仪放在溶出度仪的水平面板上,在两个垂直方向上测量≤0.5°1. 2. 桨轴垂直度紧贴桨轴,在夹角为90° 的两个方向分别测量90.0° ±0.5°轴是否垂直:(y/n )轴 1 位置1:位置2:轴 2 位置1:位置2:轴 3 位置1:位置2:轴 4 位置1:位置2:轴 5 位置1:位置2:轴 6 位置1:位置2:溶出杯垂直度紧贴杯壁,在夹角为90° 的两个方向分别测量90.0° ±1.0°1. 2. 3. 4. 5. 6. 溶出杯与桨轴同轴度上部测量点与下部测量点≤2.0mm 上部测量点:1. 2. 3. 4. 5. 6. 下部测量点:1. 2. 3. 4. 5. 6. 桨轴摆动桨上缘约20mm ≤1.0mm 1. 2. 3. 4. 5. 6. 桨深度桨下缘25±2mm 1. 2. 3. 4. 5. 6. 桨轴转速±4% 50rpm 1. 2. 3. 4. 5. 6. 100rpm 1. 2. 3. 4. 5. 6. 溶出杯内温度溶出杯内37℃± 0.5℃1. 2. 3. 4. 5. 6.

1、当您付费下载文档后,您只拥有了使用权限,并不意味着购买了版权,文档只能用于自身使用,不得用于其他商业用途(如 [转卖]进行直接盈利或[编辑后售卖]进行间接盈利)。
2、本站所有内容均由合作方或网友上传,本站不对文档的完整性、权威性及其观点立场正确性做任何保证或承诺!文档内容仅供研究参考,付费前请自行鉴别。
3、如文档内容存在违规,或者侵犯商业秘密、侵犯著作权等,请点击“违规举报”。

碎片内容

溶出度仪机械验证记录表——第二法桨法溶出度仪机械性能验证记录参考模板

爱的疯狂+ 关注
实名认证
内容提供者

该用户很懒,什么也没介绍

确认删除?
VIP
微信客服
  • 扫码咨询
会员Q群
  • 会员专属群点击这里加入QQ群
客服邮箱
回到顶部