电脑桌面
添加小米粒文库到电脑桌面
安装后可以在桌面快捷访问

火力发电厂水汽质量标准

火力发电厂水汽质量标准_第1页
1/9
火力发电厂水汽质量标准_第2页
2/9
火力发电厂水汽质量标准_第3页
3/9
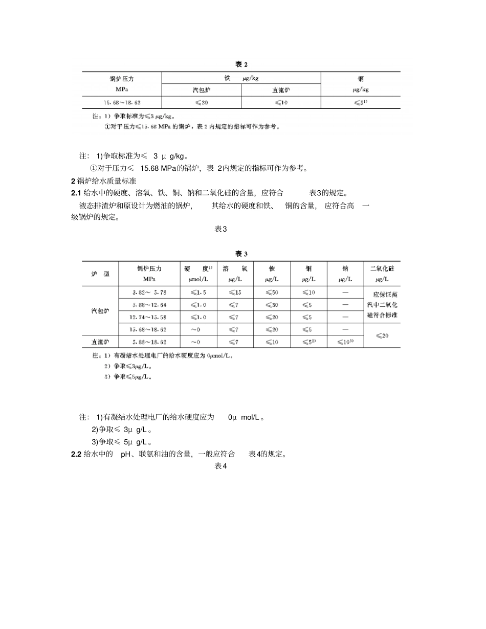
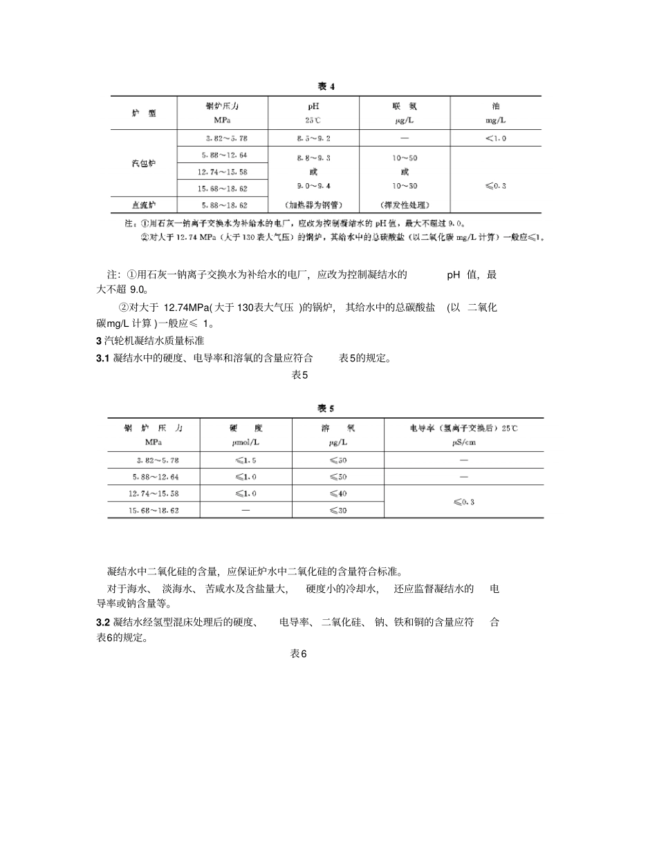
火力发电厂水汽质量标准SD 163-85 中华人民共和国水利电力部(85)水电技字第 74号随着火力发电厂高参数、大容量机组和新型水处理设备的不断投入运行,《电力工业技术管理法规》(一九八○年版 )第三篇第十章中的化学水处理和化学监督中有关水汽质量标准部分(简称“原标准” )已不能完全满足要求,国家标准局于一九八三年以 049号文要求我部制订火力发电厂水汽质量国家标准。为此,我部于一九八三年责成水利电力部西安热工研究所为技术归口单位,先组织修订成火力发电厂水汽质量的部颁标准,通过进一步生产实践后,再提出国家标准的报批稿。水利电力部西安热工研究所在各单位的协作、配合下,经过近两年的广泛调查研、总结经验以及组织讨论和审定,提出了修订后的SD 163— 85《火力发电厂水汽质量标准》 ,现颁发执行。火力发电厂水汽质量标准是化学监督的重要依据,也是保证发电设备安全、经济运行的重要手段。希各单位在贯彻执行中进一步积累经验,使之不断完善和提本标准适用于 3.82MPa以上的火力发电组。1 蒸汽标准自然循环、强迫循环汽包炉或直流炉的饱和蒸汽和过热蒸汽应符合表1的 规定。表1 注: 1)争取标准为≤ 5μ g/kg。对于压力≥ 5.88MPa的锅炉, 当用除盐水补给,并用电导率连续监督运行中的蒸汽质量时,其电导率(氢离子交换后 )一般应≤ 0.3μ S/cm(25℃)。为了防止汽轮机积结金属氧化物,还应检查蒸汽中铜和铁的含量,一般应符合表2的规定。表2 注: 1)争取标准为≤ 3 μ g/kg。①对于压力≤ 15.68 MPa的锅炉,表 2内规定的指标可作为参考。2 锅炉给水质量标准2.1 给水中的硬度、溶氧、铁、铜、钠和二氧化硅的含量,应符合表3的规定。液态排渣炉和原设计为燃油的锅炉,其给水的硬度和铁、铜的含量, 应符合高一级锅炉的规定。表3 注: 1)有凝结水处理电厂的给水硬度应为0μ mol/L 。2)争取≤ 3μ g/L 。3)争取≤ 5μ g/L 。2.2 给水中的pH、联氨和油的含量,一般应符合表4的规定。表4 注:①用石灰一钠离子交换水为补给水的电厂,应改为控制凝结水的pH 值,最大不超 9.0。②对大于 12.74MPa( 大于 130表大气压 )的锅炉, 其给水中的总碳酸盐(以 二氧化碳mg/L 计算 )一般应≤ 1。3 汽轮机凝结水质量标准3.1 凝结水中的硬度、电导率和溶氧的含量应符合表5的规定。表5 凝结水中二氧化硅的含量,应保证炉水中二氧化硅的含量符合标准。对于海水、 淡海水、 苦咸水及含盐量大,...

1、当您付费下载文档后,您只拥有了使用权限,并不意味着购买了版权,文档只能用于自身使用,不得用于其他商业用途(如 [转卖]进行直接盈利或[编辑后售卖]进行间接盈利)。
2、本站所有内容均由合作方或网友上传,本站不对文档的完整性、权威性及其观点立场正确性做任何保证或承诺!文档内容仅供研究参考,付费前请自行鉴别。
3、如文档内容存在违规,或者侵犯商业秘密、侵犯著作权等,请点击“违规举报”。

碎片内容

火力发电厂水汽质量标准

您可能关注的文档

确认删除?
VIP
微信客服
  • 扫码咨询
会员Q群
  • 会员专属群点击这里加入QQ群
客服邮箱
回到顶部