电脑桌面
添加小米粒文库到电脑桌面
安装后可以在桌面快捷访问

勘测收费标准

勘测收费标准_第1页
1/8
勘测收费标准_第2页
2/8
勘测收费标准_第3页
3/8
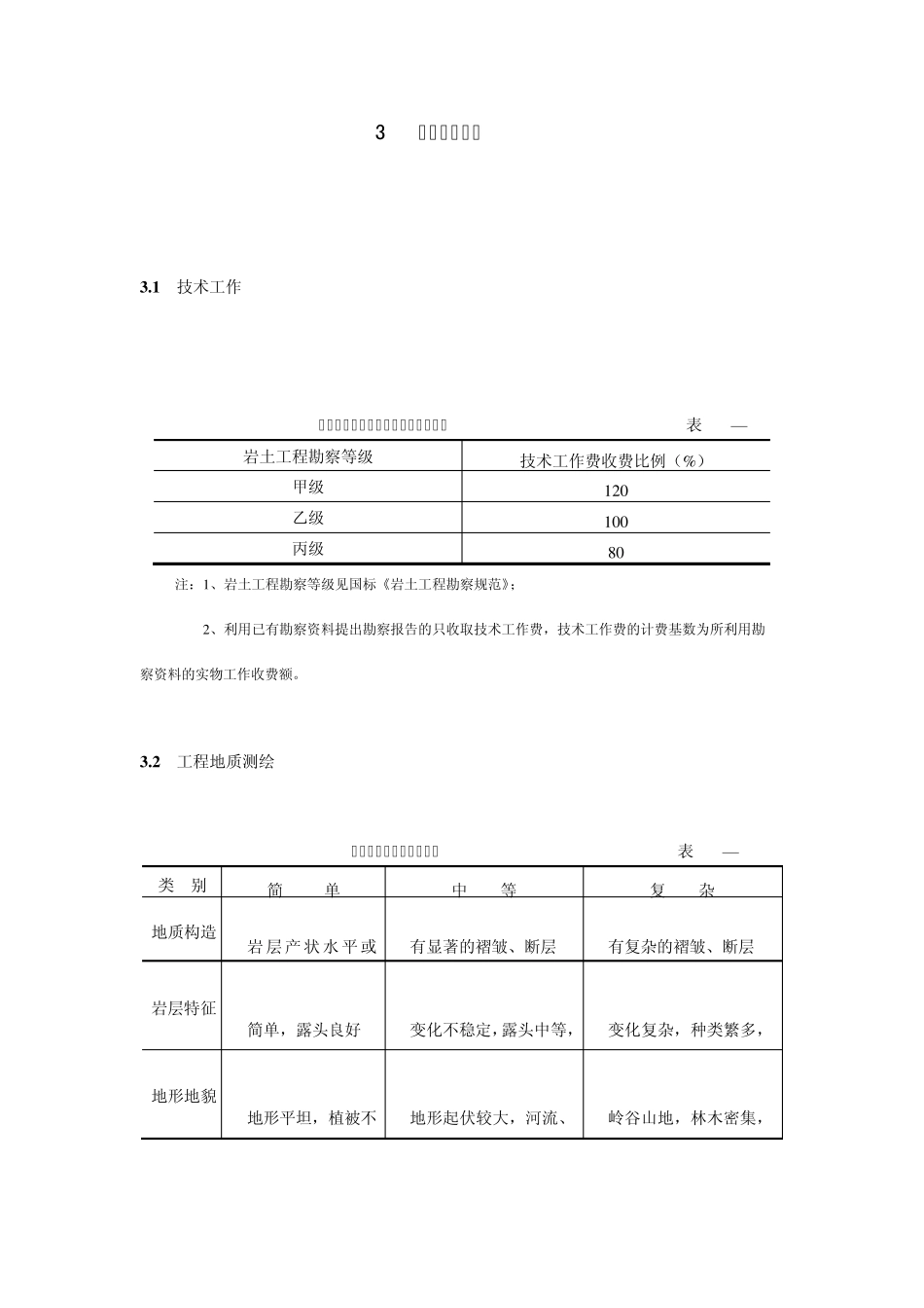
3 岩土工程勘察 3 .1 技术工作 岩土工程勘察技术工作费收费比例表 表3.1—1 岩土工程勘察等级 技术工作费收费比例(%) 甲级 120 乙级 100 丙级 80 注:1、岩土工程勘察等级见国标《岩土工程勘察规范》; 2、利用已有勘察资料提出勘察报告的只收取技术工作费,技术工作费的计费基数为所利用勘 察资料的实物工作收费额。 3 .2 工程地质测绘 工程地质测绘复杂程度表 表3.2—1 类 别 简 单 中 等 复 杂 地质构造 岩层产 状水 平或 有显著的褶皱、断层 有复杂的褶皱、断层 岩层特征 简单,露头良好 变化不稳定,露头中等, 变化复杂,种类繁多,地形地貌 地形平坦,植被不 地形起伏较大,河流、 岭谷山地,林木密集, 工程地质测绘实物工作收费基价表 表3.2—2 序 号 项 目 计费单位 收费基价(元) 简单 中等 复杂 1 工程地质测绘 成图比例 1:200 Km2 16065 22950 34425 1:500 8033 11475 17213 1:1000 5355 7650 11475 1:2000 3570 5100 7650 1:5000 1071 1530 2295 1:10000 536 765 1148 1:25000 268 383 574 1:50000 134 191 287 2 带状工程地质测绘 附加调整系数为1.3 3 工程地质测绘与 附加调整系数为1.5 3 .3 岩土工程勘探与原位测试 岩土工程勘探与原位测试复杂程度表 表3.3—1 岩土类别 Ⅰ Ⅱ Ⅲ Ⅳ Ⅴ Ⅵ 松散地层 流 塑 、 软 硬塑、坚硬 砂土, 粒径≤ 粒径≤100mm、 粒岩石地层 极软岩 软岩 较软岩 较硬岩 坚硬岩 注:岩土的分类和鉴定见国标《岩土工程勘察规范》。 岩土工程勘探实物工作收费基收表 表3.3—2 序号 项 目 计费 单位 收费基价(元) 勘探 项目 深度D(m ) / 长度L(m ) Ⅰ Ⅱ Ⅲ Ⅳ Ⅴ Ⅵ 1 钻孔 D≤10 m 46 71 117 207 301 382 10100 每增加 20m ,按前一档收费基价乘以 1.2 的附加调整系数 2 探井 D≤2 m 50 63 78 125 200 250 2

1、当您付费下载文档后,您只拥有了使用权限,并不意味着购买了版权,文档只能用于自身使用,不得用于其他商业用途(如 [转卖]进行直接盈利或[编辑后售卖]进行间接盈利)。
2、本站所有内容均由合作方或网友上传,本站不对文档的完整性、权威性及其观点立场正确性做任何保证或承诺!文档内容仅供研究参考,付费前请自行鉴别。
3、如文档内容存在违规,或者侵犯商业秘密、侵犯著作权等,请点击“违规举报”。

碎片内容

勘测收费标准

您可能关注的文档

确认删除?
微信客服
  • 扫码咨询
会员Q群
  • 会员专属群点击这里加入QQ群