电脑桌面
添加小米粒文库到电脑桌面
安装后可以在桌面快捷访问

化工原理复习资料选择及计算题答案

化工原理复习资料选择及计算题答案_第1页
1/9
化工原理复习资料选择及计算题答案_第2页
2/9
化工原理复习资料选择及计算题答案_第3页
3/9
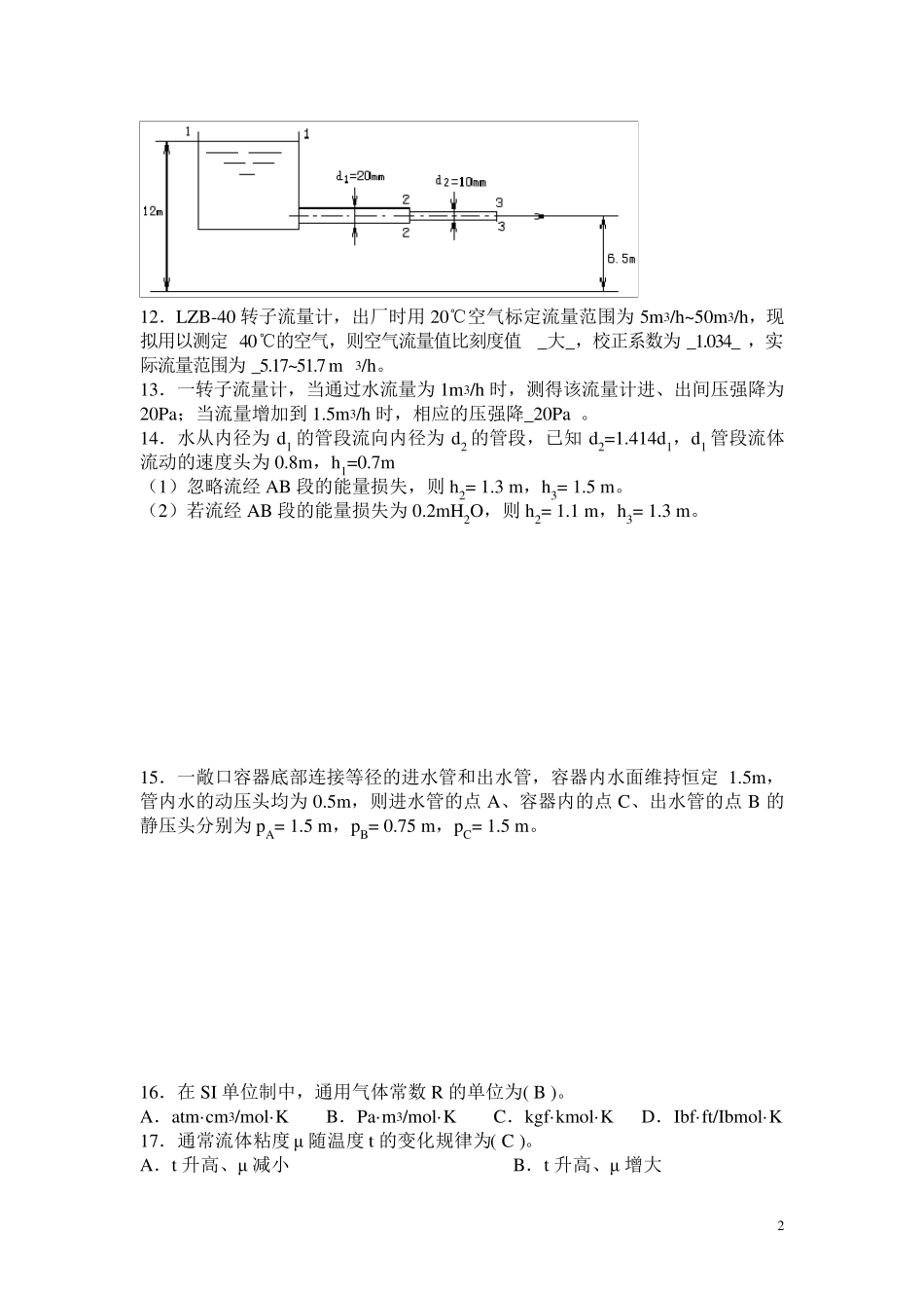
1 第一章 流体流动与输送机械 一、 填空或选择 1.牛顿粘性定律的表达式为 dudy,该式应用条件为 牛顿型 流体作_层流 流动。在SI 制中,粘度的单位是 流体的物性 ,在cgs 制中,粘度的单位是 泊 。 2.某设备的表压强为100kPa,则它的绝对压强为_201.33 kPa;另一设备的真空度为400mmHg,则它的绝对压强为_360mmHg 。(当地大气压为101.33 kPa) 3.流体在圆形直管中作滞流流动时,其速度分布侧形是_抛物线 型曲线。其管中心最大流速为平均流速的_2 倍,摩擦系数λ 与Re 关系为64Re 。层流区又称为阻力的 一次方 。 4.流体在钢管内作湍流流动时,摩擦系数λ 与_Re_和_ε/d 有关;若其作完全湍流,则λ 仅与_ε/d 有关。完全湍流又称为阻力的 平方区 。 5.流体作湍流流动时,邻近管壁处存在一_层流底层_,雷诺数愈大,湍流程度愈剧烈,则该层厚度_越薄 ;流动阻力 越大 。 6.因次分析的依据是_因次一致性原则 。 7.从液面恒定的高位槽向常压容器加水,若将放水管路上的阀门开度关小,则管内水流量将_减小 ,管路的局部阻力将_增大 ,直管阻力将_减小 ,管路总阻力将_恒定 。(设动能项可忽略。) 8.根据流体力学原理设计的流量(流速)计中,用于测定大直径气体管路截面上速度分布的是 测速管(皮托管) ;恒压差流流量计有 转子流量计 ;恒截面差压流量计有 孔板流量计和文丘里流量计 ;能量损失最大的是 孔板流量计 ;对流量变化反映最灵敏的是孔板流量计。 A.孔板流量计 B.文丘里流量计 C.皮托管 D.转子流量计 9.当量直径的定义式为4 流通截面积润湿周边 ,水力半径为_1/4_倍当量直径。 10.直管阻力的计算式22flupd; 局部阻力的计算式有22fup 和22eflupd。 11.水流经图示的管路系统从细管喷出。已知d1 管段的压头损失 Hf1=1m(包括局部阻力)d2 管段的压头损失 Hf,2=2m(不包括出口损失)。则管口喷出时水的速度 u 3=_7.00_m/s,d1 管段的速度u 1=_1.75_m/s,水的流量 V=_8.06_m3/h。 2 12.LZB-40 转子流量计,出厂时用20℃空气标定流量范围为 5m3/h~50m3/h,现拟用以测定 40℃的空气,则空气流量值比刻度值_大_,校正系数为 _1.034_ ,实际流量范围为 _5.17~51.7 m3/h。 13.一转子流量计,当通过水流量为 1m3/h 时,测得该流量计进、出间压强降为20Pa;当流量增加到 1.5m3/h 时,相应的压强降_20...

1、当您付费下载文档后,您只拥有了使用权限,并不意味着购买了版权,文档只能用于自身使用,不得用于其他商业用途(如 [转卖]进行直接盈利或[编辑后售卖]进行间接盈利)。
2、本站所有内容均由合作方或网友上传,本站不对文档的完整性、权威性及其观点立场正确性做任何保证或承诺!文档内容仅供研究参考,付费前请自行鉴别。
3、如文档内容存在违规,或者侵犯商业秘密、侵犯著作权等,请点击“违规举报”。

碎片内容

化工原理复习资料选择及计算题答案

您可能关注的文档

确认删除?
VIP
微信客服
  • 扫码咨询
会员Q群
  • 会员专属群点击这里加入QQ群
客服邮箱
回到顶部