电脑桌面
添加小米粒文库到电脑桌面
安装后可以在桌面快捷访问

管线的综合排布深化设计方案

管线的综合排布深化设计方案_第1页
1/7
管线的综合排布深化设计方案_第2页
2/7
管线的综合排布深化设计方案_第3页
3/7
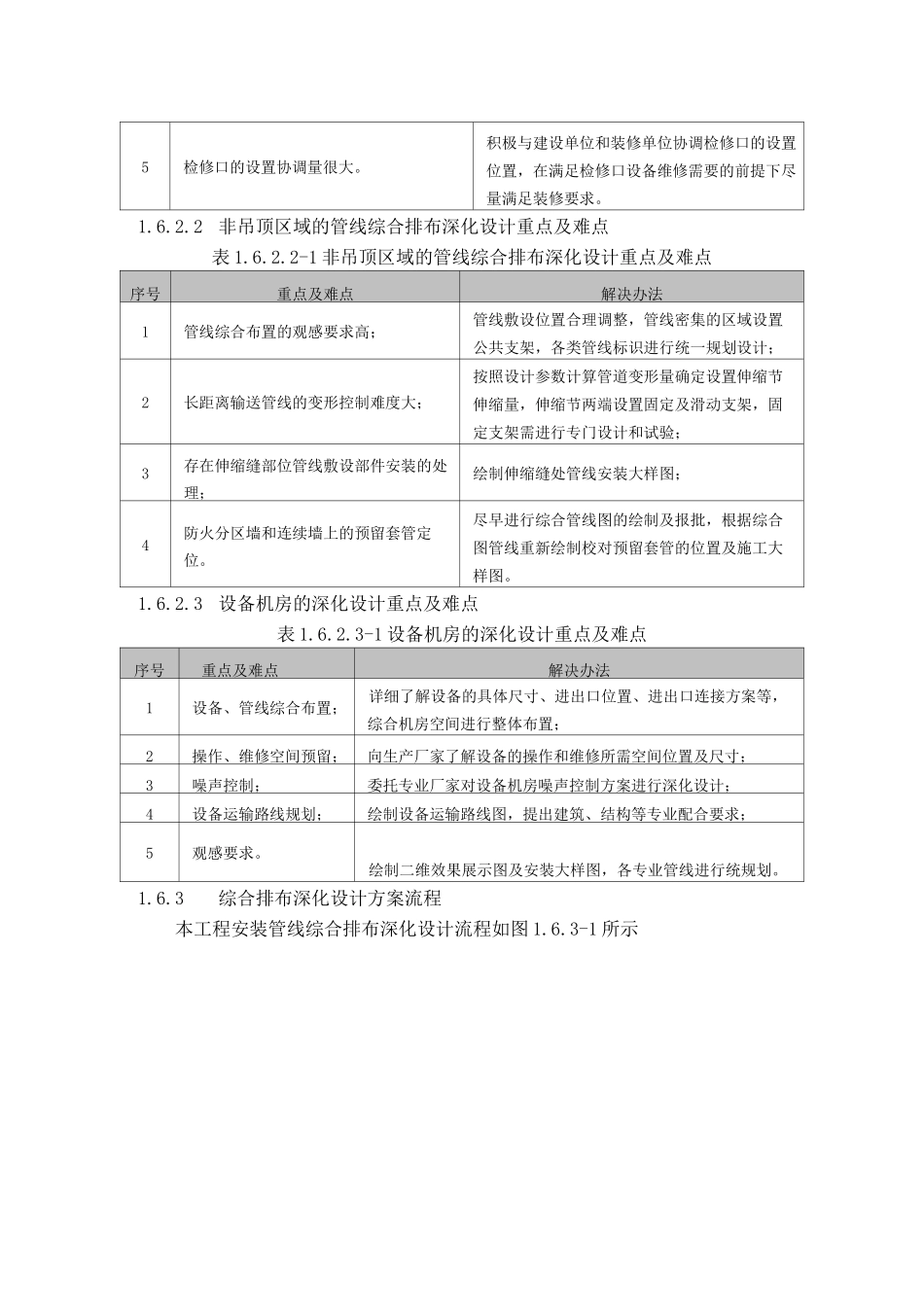
管线的综合排布深化设计方案1.6.1设计概况本工程机电专业系统繁多、使用功能全面、技术要求高,目前的施工图对各机电专业的管线仅作了初步的排布设计,这往往会造成某些部位尤其是管线交叉部位和吊顶内的各机电专业管道之间的碰撞和冲突,既影响到施工质量和施工速度,也可能会影响相应的使用功能和外观上的整齐美观。因此,在正式施工前必须进行各机电专业管线综合平衡布置的深化设计工作。在图纸上综合协调机电各专业管线、设备的平衡布置,尤其是设备机房、各楼层走廊、机电竖井等管线密集部位和吊顶、墙面机电末端器具布置,力求各专业管线及设备的合理、美观布置和各机电系统的高效运行、配合完善。在满足规范及设计使用功能要求的前提下,通过合理安排机电管线及设备的综合平衡布置,为业主提供最大的使用空间。本工程各功能区明晰,管线布置密集区域主要为主管线、各功能层吊顶、竖井等部位,为使前述部位水、电、风及专业管线的合理布置,在安装工程施工前,我单位将投入技术精湛并有丰富现场施工经验的技术人员,进行各专业的管线综合平衡布置、符合实际的深化设计,在计算机上对各专业管线进行叠加,对各管线的空间位置进行合理布置,组合、排列、检查、调整,最终确定管线综合平衡的合理方案,并对管线交叉密集处或特殊部位做大样图或剖面图,并据此确定选用共用管线支吊架,然后再将各专业管线进行分解,形成各专业施工图纸,下发施工班组指导施工。在深化设计过程中,还将根据施工现场实际情况,以及业主、监理、设计及各约定专业分包施工方提出的其他要求和配合情况,做进一步的深化设计修改,保证工程施工安全、高效、快速地进行。1.6.2安装管线综合排布深化设计重点难点1.6.2.1 吊顶区域的管线综合排布深化设计重点及难点表 1.6.2.1-1 吊顶区域的管线综合排布深化设计重点及难点序号重点及难点解决办法1吊顶空间紧张,各专业主管线综合布置难度大,特别是过道和电梯厅连接处和过道与机房、管井连接处;积极与设计单位协调,优化各专业主管线的敷设方式和位置,保证吊顶的控制标高;2无压管道(如冷凝水、排水)安装位置需协调;优化无压管道的走向,积极与装修单位的沟通,为无压管道预留足够的安装空间;3大型灯具(设备)支吊架与吊顶龙骨位置需协调;将需要单独设置支架的大型灯具(设备)提刖告知设计及相关施工单位,以便进行预留;4吊顶内设备安装位置影响管线敷设空间;根据与装饰单位协调的吊顶风口、嵌入式灯具等位置...

1、当您付费下载文档后,您只拥有了使用权限,并不意味着购买了版权,文档只能用于自身使用,不得用于其他商业用途(如 [转卖]进行直接盈利或[编辑后售卖]进行间接盈利)。
2、本站所有内容均由合作方或网友上传,本站不对文档的完整性、权威性及其观点立场正确性做任何保证或承诺!文档内容仅供研究参考,付费前请自行鉴别。
3、如文档内容存在违规,或者侵犯商业秘密、侵犯著作权等,请点击“违规举报”。

碎片内容

管线的综合排布深化设计方案

您可能关注的文档

确认删除?
VIP
微信客服
  • 扫码咨询
会员Q群
  • 会员专属群点击这里加入QQ群
客服邮箱
回到顶部