电脑桌面
添加小米粒文库到电脑桌面
安装后可以在桌面快捷访问

焊工资格项目说明

焊工资格项目说明_第1页
1/10
焊工资格项目说明_第2页
2/10
焊工资格项目说明_第3页
3/10
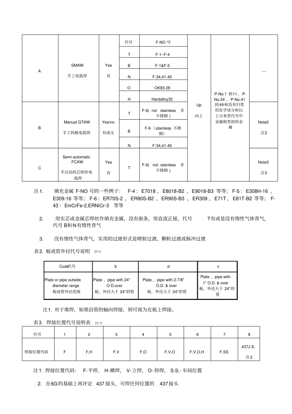
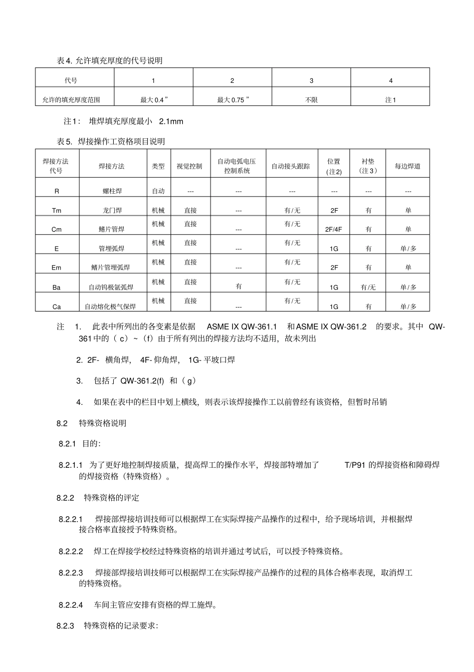
A b – 1 / 1 - T 板或管外径代号,见表2 焊接工艺(方法)代号,见表 1 焊接位置代号,一个数字代表一组位置,有几个数字就表示包含几组位置的组合,见表3 允许填充厚度的代号,见表 4 分隔符号分隔符号焊接位置和相应允许的填充厚度之间的分隔斜线。填充金属的类别代号,一个字母代表一种类别,如果有几个字母就表示包含着几种类别,见表1 焊工 / 焊接操作工资格说明书8 ASME 焊工 /焊接操作工资格项目说明 8.1 焊接资格代号说明资格项目代号说明图[注 1,2] 注1.所有的项目都是坡口焊缝注2.,可以评定角焊缝,且角焊缝的填充厚度不受限制,母材外径大于、等于73mm ,位置与坡口焊缝的位置相同(横焊角焊缝也可以由立焊或仰焊的坡口焊缝来评定)。注 2. 整个项目代号分为两部分,第一部分由前两个字母组成,列在表的上部总栏中,第二部分由第一个分隔符号后面的代号组成,天灾表中。如果在第二部分代号中划上横线,则表明焊工以前曾经有该资格,但暂时吊销。表1.焊接工艺与填充金属类别代码说明表焊接工艺代号焊接工艺衬垫填充金属【注 1】立焊母材的 P-NO 号其他A SMAW 手工电弧焊Yes 有代号F-NO 号Up 向上P-No.1 到11, P-No.34 ,P-No.41到 49和没有归类但化学成分和以上分来类代号中金属相类似的金属--- T F-1~F-4 B F-1&F-5 N F-34,41-45 O OK83.28 H Hardalloy32 B Manual GTAW 手工钨极电弧焊Yes/no 有或无T F-6( not stainless非不锈钢 ) Note2 注2 B F-6( stainless 不锈钢)N F-34,41-45 C Semi-automatic FCAW 半自动药芯焊丝电弧焊Yes 有T F-6( not stainless非不锈钢 ) Note3 注3 注1. 填充金属 F-NO 号的一些例子:F-4 :E7018 ,E8018-B2 ,E9018-B3 等等; F-5 :E308H-16 ,E309-16 等等; F-6 :ER70S-2 , ER80S-B2 ,ER90S-B3 ,ER309 ,E71T ,E81T-B2 等等; F-43:EniCrFe-2,ERNiCr-3等等 2. 用实芯或金属芯焊丝作填充金属,没有嵌条,用直流正接,代号T有或是没有惰性气体背气,代号 B和N有惰性背气 3. 没有惰性气体背气,实用的过渡形式是喷射过渡、颗粒过渡或脉冲过渡表2. 板或管外径代号说明[注1] Code代号bdxPlate or pipe outsidediameter range板或管外径范围Plate ,pipe with 24"O.D.over板,外径大于 24"的管Plate ,pipe with 2-7/8"O.D. & over板,外径大于 24"的管Plate ,pipe...

1、当您付费下载文档后,您只拥有了使用权限,并不意味着购买了版权,文档只能用于自身使用,不得用于其他商业用途(如 [转卖]进行直接盈利或[编辑后售卖]进行间接盈利)。
2、本站所有内容均由合作方或网友上传,本站不对文档的完整性、权威性及其观点立场正确性做任何保证或承诺!文档内容仅供研究参考,付费前请自行鉴别。
3、如文档内容存在违规,或者侵犯商业秘密、侵犯著作权等,请点击“违规举报”。

碎片内容

焊工资格项目说明

您可能关注的文档

确认删除?
VIP
微信客服
  • 扫码咨询
会员Q群
  • 会员专属群点击这里加入QQ群
客服邮箱
回到顶部