电脑桌面
添加小米粒文库到电脑桌面
安装后可以在桌面快捷访问

焊缝质量标准和焊缝等级分类

焊缝质量标准和焊缝等级分类_第1页
1/10
焊缝质量标准和焊缝等级分类_第2页
2/10
焊缝质量标准和焊缝等级分类_第3页
3/10
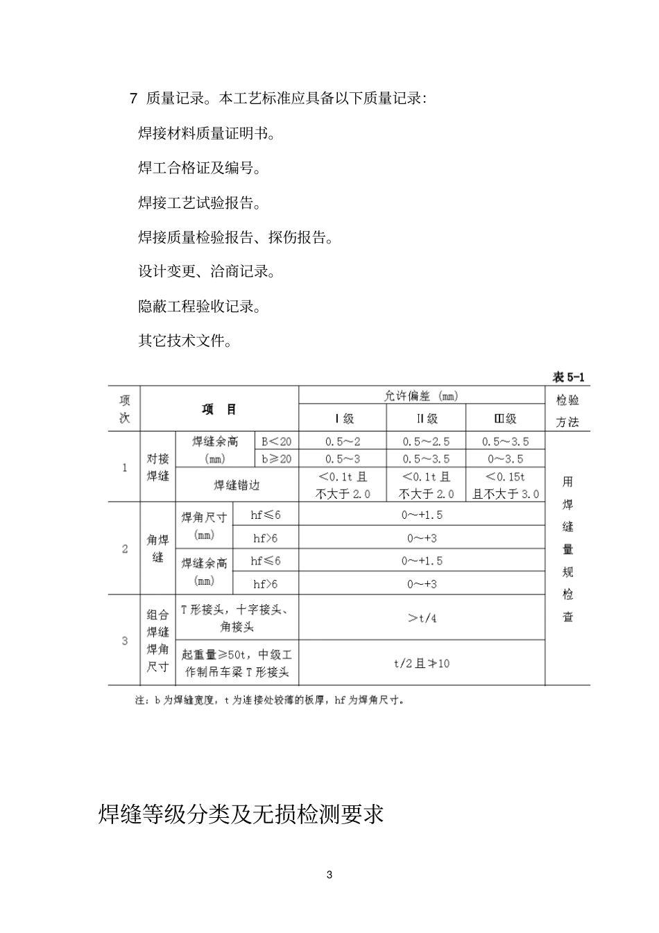
1 焊缝质量标准保证项目4.1.1 焊接材料应符合设计要求和有关标准的规定. 应检查质量证明书及烘焙记录。4.1.2 焊工必须经考试合格 . 检查焊工相应施焊条件的合格证及考核日期。4.1.3 Ⅰ、Ⅱ级焊缝必须经探伤检验. 并应符合设计要求和施工及验收规范的规定 . 检查焊缝探伤报告。4.1.4 焊缝表面Ⅰ、Ⅱ级焊缝不得有裂纹、焊瘤、烧穿、弧坑等缺陷。Ⅱ级焊缝不得有表面气孔、夹渣、弧坑、裂纹、电弧擦伤等缺陷. 且Ⅰ级焊缝不得有咬边、未焊满等缺陷。基本项目4.2.1 焊缝外观:焊缝外形均匀. 焊道与焊道、焊道与基本金属之间过渡平滑 . 焊渣和飞溅物清除干净。4.2.2 表面气孔:Ⅰ、Ⅱ级焊缝不允许;Ⅲ级焊缝每50mm 长度焊缝内允许直径≤; 且≤3mm 气孔2 个;气孔间距≤ 6 倍孔径。4.2.3 咬边:Ⅰ级焊缝不允许。Ⅱ级焊缝:咬边深度≤. 且≤. 连续长度≤100mm.且两侧咬边总长≤ 10%焊缝长度。 Ⅲ级焊缝:咬边深度≤ . 且≤lmm。注: t 为连接处较薄的板厚。允许偏差项目 . 见表5-1 。5 成品保护。2 焊后不准撞砸接头 . 不准往刚焊完的钢材上浇水。 低温下应采取缓冷措施。不准随意在焊缝外母材上引弧。各种构件校正好之后方可施焊. 并不得随意移动垫铁和卡具. 以防造成构件尺寸偏差。隐蔽部位的焊缝必须办理完隐蔽验收手续后.方可进行下道隐蔽工序。低温焊接不准立即清渣 . 应等焊缝降温后进行。6 应注意的质量问题尺寸超出允许偏差: 对焊缝长宽、宽度、厚度不足 . 中心线偏移 .弯折等偏差 . 应严格控制焊接部位的相对位置尺寸. 合格后方准焊接 .焊接时精心操作。焊缝裂纹:为防止裂纹产生 . 应选择适合的焊接工艺参数和施焊程序. 避免用大电流 . 不要突然熄火 . 焊缝接头应搭 10~15mm.焊接中木允许搬动、敲击焊件。表面气孔:焊条按规定的温度和时间进行烘焙. 焊接区域必须清理干净 . 焊接过程中选择适当的焊接电流. 降低焊接速度 . 使熔池中的气体完全逸出。焊缝夹渣:多层施焊应层层将焊渣清除干净. 操作中应运条正确 .弧长适当。注意熔渣的流动方向 . 采用碱性焊条时 . 上须使熔渣留在熔渣后面。3 7 质量记录。本工艺标准应具备以下质量记录:焊接材料质量证明书。焊工合格证及编号。焊接工艺试验报告。焊接质量检验报告、探伤报告。设计变更、洽商记录。隐蔽工程验收记录。其它技术文件。焊缝等级分类及无损检测要求4 焊缝应根据结构的重要性、荷载特性、焊缝形式、工...

1、当您付费下载文档后,您只拥有了使用权限,并不意味着购买了版权,文档只能用于自身使用,不得用于其他商业用途(如 [转卖]进行直接盈利或[编辑后售卖]进行间接盈利)。
2、本站所有内容均由合作方或网友上传,本站不对文档的完整性、权威性及其观点立场正确性做任何保证或承诺!文档内容仅供研究参考,付费前请自行鉴别。
3、如文档内容存在违规,或者侵犯商业秘密、侵犯著作权等,请点击“违规举报”。

碎片内容

焊缝质量标准和焊缝等级分类

文库当当响+ 关注
实名认证
内容提供者

该用户很懒,什么也没介绍

确认删除?
VIP
微信客服
  • 扫码咨询
会员Q群
  • 会员专属群点击这里加入QQ群
客服邮箱
回到顶部