电脑桌面
添加小米粒文库到电脑桌面
安装后可以在桌面快捷访问

函授电力拖动与控制大纲Microsoft-Word-文档VIP免费

函授电力拖动与控制大纲Microsoft-Word-文档_第1页
1/4
函授电力拖动与控制大纲Microsoft-Word-文档_第2页
2/4
函授电力拖动与控制大纲Microsoft-Word-文档_第3页
3/4
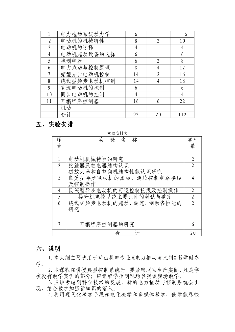
中国矿业大学(北京)成人教育学院电力拖动与控制教学大纲(试行)适用矿山机电、机电技术应用专业(112学时)一、课程性质目标本课程是矿山机电专业的一门专业课程。通过本课程的学习,掌握电力拖动与控制的相关理论,并且能够对控制电路进行设计和实施,为解决生产实际问题以及继续学习打下良好的基础。二、课程教学目标(一)知识目标通过本课程的教学,学生应掌握下列知识:了解电力拖动动力学知识;掌握常用电动机的机械特性和启动、调速、制动知识;掌握常用电动机的控制设备和控制元件的结构原理及性能功用;了解常用电控系统运行,维护和调试的方法;了解可编程序控制器在电力拖动与控制中的应用;(二)能力目标具有阅读控制电路图的能力;具有分析控制电路故障的能力;具有选择计算能力和设计简单控制电路的能力;(三)思想教育目标树立安全第一的思想,树立爱岗敬业思想,树立实事求是思想,树立职业道德。三、教学内容和要求(一)理论教学1.电力拖动系统动力学;了解电力拖动系统的组成;“了解电力拖动系统的运动方程式;掌握电力拖动系统力、力矩、飞轮量的计算。2.电动机的机械特性了解各类生产机械的机械特性;熟悉各类电动机的机械特性;掌握各类电动机的起动、调速及制动方法。掌握电力拖动系统稳定运行条件。3.电动机的选择掌握电动机的选择原则;了解电动机的发热与冷却过程;掌握长时运行方式下电动机容量的选择;掌握短时运行方式下电动机容量的选择;掌握重复短时运行方式下电动机容量的选择;4.电动机起动设备选择掌握绕线式异步电动机启动电阻的计算方法;熟悉启动电控器的用途及选择;掌握自耦变压器的选择;掌握频敏变压器的选择;5.控制电器熟悉按钮、组合开关、限位开关及主令控制器的结构用途;掌握接触器的分类、结构及工作原理;熟悉各类控制继电器的结构、工作原理及用途;了解磁放大器、自整角机的工作原理及在控制中的应用:了解控制电机的工作原理及在控制中的应用;了解常用传感器的结构及工作原理。6.电力拖动的控制原理掌握常用电气元件符号及识图方法;了解控制的分类及基本原则;掌握点动控制及连动控制的方法:掌握可逆控制的方法,会读图并能简易设计;了解多速电动机的控制方法。7.笼型异电动机的控制掌握笼型电动机各种降压启动控制电路;掌握采煤机的电控系统;掌握掘进机的电控系统;掌握运输机的电控系统。8.绕线式异步电动机的控制掌握绕线型电动机转子串频敏变阻器启动控制电路掌握矿井提升机电控系统9.直流电动机的控制掌握直流电动机拖动的矿井提升机控制系统掌握井下电机车的控制系统;10.同步电动机控制掌握同步电动机拖动的通风机电控系统11.可编程序控制了解PLC的工作原理与硬件组成了解PLC的编程语言及软件设计(二)实践教学磁放大器和自整角机结构性能认识研究鼠笼型异步电动机的点动、连续控制电路接线及控制操作。鼠笼型异步电动机的可逆控制接线及控制操作;提升机电控系统主要元件的调试与整定绕线式异步电动机的起动、调速、制动各性能的研究可编程序控制器的研究。四、学时分配建议序号教学内容讲课实训合计1电力拖动系统动力学662电动机的机械特性82103电动机的选择444电动机起动设备的选择665控制电器6286电力拖动与控制原理84127笼型异步电动机控制142168绕线型异步电动机控制144189直流电动机的控制6610同步电动机的控制4411可编程序控制器16622机动合计9220112五、实验安排实验安排表序号实验名称学时数1电动机机械特性的研究22接触器及继电器结构认识磁放大器和自整角机结构性能认识研究23鼠笼型异步电动机的点动、连续控制电路接线及控制操作44鼠笼型异步电动机的可逆控制接线及控制操作25提升机电控系统主要元件的调试与整定26绕线式异步电动机的起动、调速、制动各性能的研究27可编程序控制器的研究6合计20六、说明1.本大纲主要适用于矿山机电专业《电力拖动与控制》教学时参考。2.本课程在讲授典型控制系统时,要紧密联系生产实际,凡是学校没有教学实训的部分;应组织学生到现场参观或现场教学。3.应该考虑到科学技术的发展,新的电力拖动与控制系统会出现,结合教学加强新知识的溶入。4.利用现代...

1、当您付费下载文档后,您只拥有了使用权限,并不意味着购买了版权,文档只能用于自身使用,不得用于其他商业用途(如 [转卖]进行直接盈利或[编辑后售卖]进行间接盈利)。
2、本站所有内容均由合作方或网友上传,本站不对文档的完整性、权威性及其观点立场正确性做任何保证或承诺!文档内容仅供研究参考,付费前请自行鉴别。
3、如文档内容存在违规,或者侵犯商业秘密、侵犯著作权等,请点击“违规举报”。

碎片内容

函授电力拖动与控制大纲Microsoft-Word-文档

确认删除?
VIP
微信客服
  • 扫码咨询
会员Q群
  • 会员专属群点击这里加入QQ群
客服邮箱
回到顶部