电脑桌面
添加小米粒文库到电脑桌面
安装后可以在桌面快捷访问

质量事故费用表模板

质量事故费用表模板_第1页
1/2
质量事故费用表模板_第2页
2/2
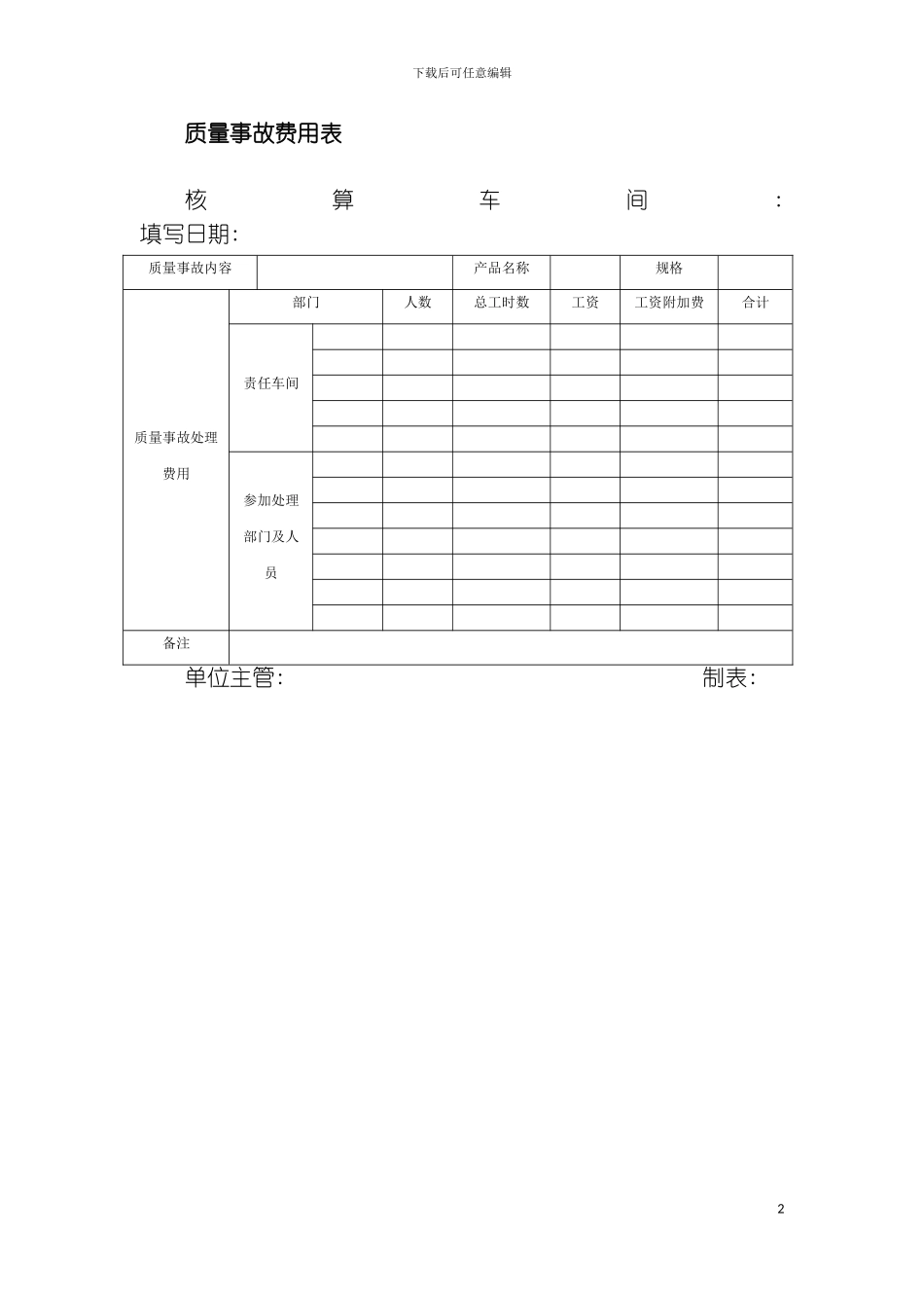
下载后可任意编辑质量事故费用表1下载后可任意编辑质量事故费用表核算车间: 填写日期: 质量事故内容产品名称规格质量事故处理费用部门人数总工时数工资工资附加费合计责任车间参加处理部门及人员备注单位主管: 制表: 2

1、当您付费下载文档后,您只拥有了使用权限,并不意味着购买了版权,文档只能用于自身使用,不得用于其他商业用途(如 [转卖]进行直接盈利或[编辑后售卖]进行间接盈利)。
2、本站所有内容均由合作方或网友上传,本站不对文档的完整性、权威性及其观点立场正确性做任何保证或承诺!文档内容仅供研究参考,付费前请自行鉴别。
3、如文档内容存在违规,或者侵犯商业秘密、侵犯著作权等,请点击“违规举报”。

碎片内容

质量事故费用表模板

您可能关注的文档

确认删除?
VIP
微信客服
  • 扫码咨询
会员Q群
  • 会员专属群点击这里加入QQ群
客服邮箱
回到顶部