电脑桌面
添加小米粒文库到电脑桌面
安装后可以在桌面快捷访问

围井试验报告

围井试验报告_第1页
1/6
围井试验报告_第2页
2/6
围井试验报告_第3页
3/6
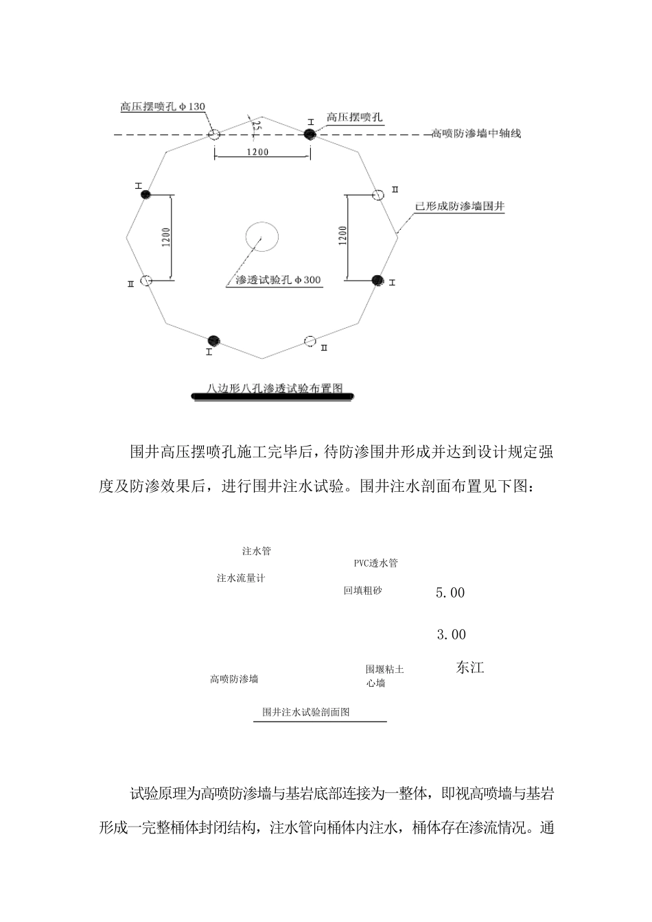
东江水利枢纽工程 高压摆喷围井渗透试验 试 验 报 告 中国安能建设总公司惠州东江项目部 二 O O 六年四月二十日 东江水利枢纽工程高喷防渗效果 检测试验报告 1 、概述 根据东江水利枢纽工程二期围堰高压摆喷防渗墙设计图纸及分布情况,对设计所布设高压摆喷孔桩的实际防渗效果进行实际检验。为取得真实、接近实际防渗效果的数据,试验采用在现场布设摆喷孔形成高喷防渗墙。待防渗墙达到设计规定强度后,在防渗区域内进行渗透试验。试验须严格按照业主、监理批准的试验方案进行实施,采集试验数据,对试验数据进行分析计算,得出试验区域内单位时间渗流量。以此数据对实际施工进行检验。 试验检测于 2006 年 4 月 19 日进行,检测单位为广东省水利水电工程质量检测中心站,参与检测的单位有:东江水利枢纽工程现场指挥部、监理部、安能项目部、土建分部,并对试验全过程进行监督、现对试验数据进行计算汇总。 2 、试验方案 2 .1 围井注水试验方案报告 现场试验孔位布设采用八边形八孔布设,钻孔采用 XY-300 型钻机,摆喷桩施工采用三重管高压摆喷桩机。孔位布设于二期上游围堰靠近泗湄洲段,高压摆喷孔孔径φ130mm,中央注水试验孔埋入φ400mm 钢筋笼注水试验管。孔位布设方式见下图: 围井高压摆喷孔施工完毕后,待防渗围井形成并达到设计规定强度及防渗效果后,进行围井注水试验。围井注水剖面布置见下图: 3.005.00东江围堰粘土心墙注水流量计注水管围井注水试验剖面图高喷防渗墙回填粗砂PVC透水管 试验原理为高喷防渗墙与基岩底部连接为一整体,即视高喷墙与基岩形成一完整桶体封闭结构,注水管向桶体内注水,桶体存在渗流情况。通过测量注水管内单位时间注入流量计算桶体结构渗透系数。 2.1.1 试验方案陈述 (1)渗透试验孔成孔施工,孔位钻进到设计深度后,检测是否钻进到设计要求成孔深度; (2)围井高喷灌浆施工,按技术文件参数及有关规范进行施工; (3)测量高喷墙的厚度和围井墙体轴线的周长; (4)测量围井外测地下水位,为简化试验条件,视东江水面高度为地下水位高度; (5)在围井中心部位埋设注水孔口管(φ400mm 钢筋笼); (6)向注水管内注水,注水时,保持水位不变,记录注水流量,当流量稳定后,测量注水管内水位高度,并计算稳定注水流量。 (7)计算渗透系数K: 在透水层进行围井注水试验,高喷墙的渗透系数K 按下面公式进行计算: ))((200hHhHLQtK 式中:K——...

1、当您付费下载文档后,您只拥有了使用权限,并不意味着购买了版权,文档只能用于自身使用,不得用于其他商业用途(如 [转卖]进行直接盈利或[编辑后售卖]进行间接盈利)。
2、本站所有内容均由合作方或网友上传,本站不对文档的完整性、权威性及其观点立场正确性做任何保证或承诺!文档内容仅供研究参考,付费前请自行鉴别。
3、如文档内容存在违规,或者侵犯商业秘密、侵犯著作权等,请点击“违规举报”。

碎片内容

围井试验报告

您可能关注的文档

确认删除?
VIP
微信客服
  • 扫码咨询
会员Q群
  • 会员专属群点击这里加入QQ群
客服邮箱
回到顶部