电脑桌面
添加小米粒文库到电脑桌面
安装后可以在桌面快捷访问

固体废物名称和类别编号(代码)对照表

固体废物名称和类别编号(代码)对照表_第1页
1/9
固体废物名称和类别编号(代码)对照表_第2页
2/9
固体废物名称和类别编号(代码)对照表_第3页
3/9
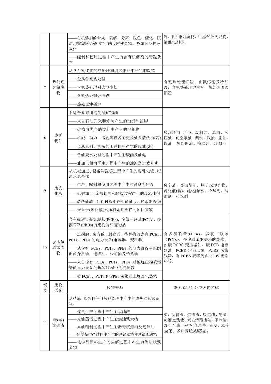
固 体 废 物 名 称 和 类 别 编 号 ( 代码)对应表 编号 废物 类别 废物来源 常见危害组分或废物名称 1 医院 临床 废物 从医院、医疗中心和诊所的医疗服务中产生的临床废物、医疗废物、医院垃圾等。 如:废医用塑料制品、玻璃针管玻璃器皿、针管、有毒棉球,废敷料,手术残物,传染性废物,动物试验废物,化学废物等 ——手术包扎残余物 ——生物培养、动物试验废物 ——化验检查残余物 ——传染性废物 ——废水处理污泥 2 医药 废物 从药品的生产和制作中产生的废物,包括兽药产品(不含中药类废物) 废抗菌药、抗组织胺类药、镇痛药、心血管药、神经系统药、基因类废药、杂药等,如:甲本残渣、丁脂残渣、苯乙胺残渣、废铜触媒、菌丝体、硼泥、废甲苯母液、氯化残渣。 ——蒸馏及反应残余物 ——各种高浓度母液及反应基或培养基废物 ——脱色过滤(包括载体)物 ——用过废弃的吸附剂、催化剂、溶剂 ——生产中产生的各种报废药品及过期原料 3 废药品、 废药物 过期、报废的无标签的及多种混杂的药物和药品(不包括 HW01,HW02 类中的废药品) 废化学试剂,废药品,废药物,如:道诺霉素、磺胺。 ——生产中产生的报废药品(包括药品废原料和中间体反应物) ——使用单位(科研、监测、学校、医疗单位、化验室等)积压或报废药品(物) ——经营部门过期的报废药品(物) 4 农药 废物 来自杀虫、灭菌、除草、灭鼠和植物生长调节剂的生产、经销、配置和使用过程中产生的废物 废有机磷杀虫剂、有机氯杀虫剂、有机氮杀虫剂、氨基甲酸酯类杀虫剂、拟除虫菊酯类杀虫剂、杀螨剂、有机磷杀菌剂、有机氯杀菌剂、有机硫杀菌剂、有机锡杀菌剂、有机氮杀菌剂、醌类杀菌剂、无机杀菌剂、有机砷杀菌剂、氨基甲酸酯类除草剂、醚类除草剂、酰胺类除草剂、取代脲类除草剂、苯氧羧酸类除草剂、均三氮苯类除草剂、无机除草剂 ——蒸馏及反应残余物 ——生产过程母液及(反应罐及容器)清洗液 ——吸附过滤物(包括载体,吸附剂,催化剂) ——废水处理污泥 ——生产、配制过程中的过期原料 ——生产、销售、使用过程中的过期和淘汰产品 ——沾有农药及除草剂的包装物及容器 5 木材防 腐剂废 物 从木材防腐化学品的生产、配制和使用中产生的废物(不包括与 HW04 类重复的废物) 含五氯酚,苯酚,2-氯酚,甲酚,对氯间甲酚,三氯酚,屈萘,四氯酚,木馏油(杂酚油),萤蒽,苯并 a芘,2,4 一二甲酚,2,4 一...

1、当您付费下载文档后,您只拥有了使用权限,并不意味着购买了版权,文档只能用于自身使用,不得用于其他商业用途(如 [转卖]进行直接盈利或[编辑后售卖]进行间接盈利)。
2、本站所有内容均由合作方或网友上传,本站不对文档的完整性、权威性及其观点立场正确性做任何保证或承诺!文档内容仅供研究参考,付费前请自行鉴别。
3、如文档内容存在违规,或者侵犯商业秘密、侵犯著作权等,请点击“违规举报”。

碎片内容

固体废物名称和类别编号(代码)对照表

您可能关注的文档

确认删除?
VIP
微信客服
  • 扫码咨询
会员Q群
  • 会员专属群点击这里加入QQ群
客服邮箱
回到顶部