电脑桌面
添加小米粒文库到电脑桌面
安装后可以在桌面快捷访问

固定式干粉灭火系统

固定式干粉灭火系统_第1页
1/8
固定式干粉灭火系统_第2页
2/8
固定式干粉灭火系统_第3页
3/8
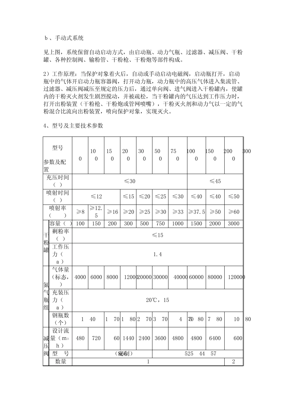
固定式干粉灭火系统 一、 系统简介 本系统有 100、150、200、300、500、750、1000、1500、2000、3000Kg等规格。系统组成分为自动式(设有手动启动)和手动式,自动式主要适用于带喷嘴的管网式布置系统,手动式主要适用于设置干粉枪、干粉炮的系统。两种方式可以混合使用。 1、使用特点 1) 干粉灭火系统使用干粉作为灭火剂,具有灭火效率高,灭火速度快等特点。 2) 可扑灭带电设备火灾。 3) 无毒。 2、适用范围 固定式干粉灭火系统主要适用于扑救下列物质、设备与场所的火灾: 1) 易燃或可燃液体的火灾。例如液体燃料罐、油罐、淬火油槽、洗涤油槽、浸渍槽、涂料反应釜、涂漆生产流水线、飞机库、汽车停车场、锅炉房、加油站、油泵房、液化气站、危险品仓库和萘库等的火灾。 2) 伴有压力喷出的易燃液体或气体设施的火灾。如油槽车的火灾,输油、输气管线的火灾,天然气井火灾,反应塔、换热器、煤气站、石油气灌充站的火灾等。 3) 印刷厂、造纸厂干燥炉、粘接胶带制造厂、棉纺厂等的火灾。 4) 电气设备如变压器、油浸开关、变压器油箱等引起的火灾。 5) 塑料、橡胶材料的火灾。 3、系统组成及工作原理 1)系统组成 a、自动式系统 见上图,系统由两部分组成,即干粉灭火设备部分和自动控制部分组成。前者由干粉罐、动力气瓶、减压阀、过滤器、启动瓶、阀门、输粉管、喷嘴等构成;后者由火灾探测器、报警器、控制箱、信号反馈装置等组成。 b 、 手 动 式 系 统 见 上 图 , 系 统 保 留 自 动 启 动 方 式 , 由 启 动 瓶 、 动 力 气 瓶 、 过 滤 器 、 减 压 阀 、 干 粉罐 、 各 种 控 制 阀 、 输 粉 管 、 干 粉 枪 、 干 粉 炮 等 部 件 构 成 。 2) 工 作 原 理 : 当 保 护 对 象 着 火 后 , 自 动 或 手 动 启 动 电 磁 阀 , 启 动 瓶 打 开 , 启 动瓶 中 的 气 体 开 启 动 力 瓶 容 器 阀 , 打 开 动 力 瓶 , 动 力 瓶 中 的 高 压 气 体 进 入 集 流 管 、过 滤 器 、 减 压 阀 减 压 至 规 定 的 压 力 后 , 通 过 单 向 阀 、 进 气 阀 进 入 干 粉 罐 内 , 使 罐内 的 干 粉 灭 火 剂 发 生 剧 烈 搅 动 , 并 被 疏 松 , 当 干 粉 罐 内 的 气 压 达 到 工 作 压 力 时 ,打...

1、当您付费下载文档后,您只拥有了使用权限,并不意味着购买了版权,文档只能用于自身使用,不得用于其他商业用途(如 [转卖]进行直接盈利或[编辑后售卖]进行间接盈利)。
2、本站所有内容均由合作方或网友上传,本站不对文档的完整性、权威性及其观点立场正确性做任何保证或承诺!文档内容仅供研究参考,付费前请自行鉴别。
3、如文档内容存在违规,或者侵犯商业秘密、侵犯著作权等,请点击“违规举报”。

碎片内容

固定式干粉灭火系统

确认删除?
VIP
微信客服
  • 扫码咨询
会员Q群
  • 会员专属群点击这里加入QQ群
客服邮箱
回到顶部