电脑桌面
添加小米粒文库到电脑桌面
安装后可以在桌面快捷访问

多功能安检门电路

多功能安检门电路_第1页
1/8
多功能安检门电路_第2页
2/8
多功能安检门电路_第3页
3/8
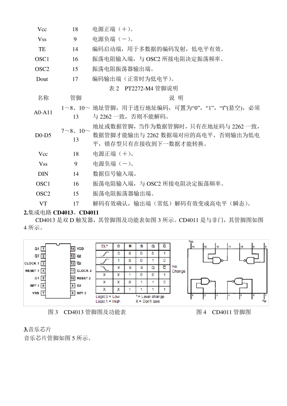
多功能安检门电路功能说明 一、功能说明 多功能安检门电路主要由红外编码发射电路(红外发射板)和红外(解码)接收电路、控制部分及各单元电路组成。编码和解码芯片分别采用 PT2262-IR 和 PT2272-M4,发射和接收地址编码设置必须完全一致才能配对使用。 红外发射电路将编码后的地址码、数据码、同步码随同 38KHz红外载波一起发射出去;接收电路接收到有效信号,经过解码、处理后变成所需的电信号(当接收到发送过来的信号时,解码芯片 PT2272-M4 的 VT 脚输出一个正脉冲,与此同时,相应的数据管脚输出高电平),控制运放波形发生报警电路、声光控灯电路、金属检测报警电路、开关门指示电路几个单元电路。 二、电路功能简介 用红外发射板发射红外信号,按下红外编码发射电路的不同按键(K1、K2、K3、K4)主板接收到相应的信号后,实现相应功能:  按下 K1 键盘:开关门指示电路用发光二极管 LED5 和 LED6 指示门的状态:绿灯亮代表门开,红灯亮代表门关闭。  按下 K2 键盘:金属检测报警电路工作,实时检测有没有金属,如有金属则发出音乐报警声。再次按下 K2 键盘可以消除报警。  按下 K3 键盘:振动检测报警电路工作,实时检测有没有振动,如有振动则控制电路给运放波形发生报警电路供电发出报警声。再次按下 K3 键盘可以消除报警。  按下 K4 键盘:控制 LED2 灯亮并延时一段时间模拟门灯的亮灭。声光控灯电路也可控制 LED2 的亮灭,但只有在光暗的情况下才能通过声音控制 LED2 灯亮。 此外,通过按下控制部分电路中的K4、K3、K2、K1,也可以同样实现上述对应功能。 三、元器件介绍 1 .集成电路PT2262-IR/PT2272-M4 PT2262-IR 和 PT2272-M4 是通用配对编、解码芯片,PT2262-IR / PT2272-M4 最多可有 12位(A0-A11)三态地址端管脚(悬空、接高电平、接低电平),任意组合可提供 531441 种地址码。 编码芯片 PT2262-IR 发出的编码信号由:地址码、数据码、同步码组成一个完整的码字,解码芯片 PT2272-M4 接收到信号后,其地址码经过两次比较核对后,VT 脚才输出高电平。PT2262-IR 的管脚图如图 1 所示,管脚说明如表 1 所示;PT2272-M4 的管脚图如图 2 所示,管脚说明如表 2 所示。 图 1 PT2262 管脚图 图 2 PT2272-M4 管脚图 表 1 PT2262-IR 管脚说明 名称 管脚 说 明 A0-A11 1~8、10~13 地址管脚,用于进行地址编码,可置为“0”、“1”、...

1、当您付费下载文档后,您只拥有了使用权限,并不意味着购买了版权,文档只能用于自身使用,不得用于其他商业用途(如 [转卖]进行直接盈利或[编辑后售卖]进行间接盈利)。
2、本站所有内容均由合作方或网友上传,本站不对文档的完整性、权威性及其观点立场正确性做任何保证或承诺!文档内容仅供研究参考,付费前请自行鉴别。
3、如文档内容存在违规,或者侵犯商业秘密、侵犯著作权等,请点击“违规举报”。

碎片内容

多功能安检门电路

小辰4+ 关注
实名认证
内容提供者

出售各种资料和文档

确认删除?
VIP
微信客服
  • 扫码咨询
会员Q群
  • 会员专属群点击这里加入QQ群
客服邮箱
回到顶部