电脑桌面
添加小米粒文库到电脑桌面
安装后可以在桌面快捷访问

特种设备生产许可证

特种设备生产许可证_第1页
1/13
特种设备生产许可证_第2页
2/13
特种设备生产许可证_第3页
3/13
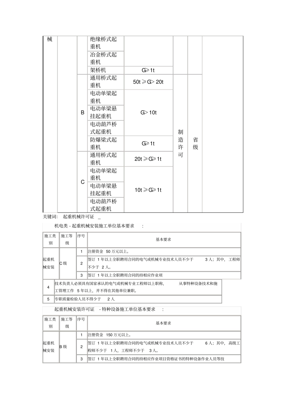
特种设备生产许可证申请条件申请从事特种设备制造的单位,应当具备以下基本条件:( 一) 取得工商营业执照或者当地政府依法颁发的登记、注册证件;( 二) 有与制造相适应的管理人员、专业技术人员和技术工人;( 三) 有与制造产品相适应的生产场地、加工设备、检测手段;( 四) 有健全的质量管理体系和各项管理制度,并能有效运转;( 五) 有与制造范围相适应的安全技术规范、标准;( 六) 能够保证产品安全性能符合特种设备安全技术规范的基本要求。具体条件见国家质检总局《锅炉压力容器制造许可条件》、《机电类特种设备制造许可规则》等安全技术规范。(一) 下列特种设备制造单位资格许可的受理、审批由国家质检总局负责:5. 起重机械(1) 桥式起重机( B、C级);(2) 门式起重机( B、C级);(3) 塔式起重机B、C级);(4) 流动式起重机(B 级);(5) 铁路起重机( B级);(6) 门座式起重机(B 级);(7) 升降机( B级);(8) 桅杆式起重机(B 级);(9) 旋臂式起重机(C级);(10) 轻小型起重设备(B、 C级)。许可程序特种设备制造许可包括申请、受理、产品试制和型式试验、鉴定评审、审批、发证等程序:( 一) 申请申请制造许可的单位(以下简称申请单位)填写申请书 (申请书从相关网站下载,一式四份)向许可实施机关提出申请,并附下列材料(各一份):1. 依法取得的工商营业执照或者政府有关部门依法颁发的登记、注册证件复印件;2. 有关安全技术规范规定的其他材料。( 二) 受理许可实施机关对申请材料进行审查,同意受理的在申请书上签署受理意见,返回申请单位。不同意受理的向申请单位出具不受理通知书。( 三) 产品试制和型式试验按照规定需要进行产品试制或者进行型式试验的,申请单位应当在受理后,准备试制产品或者进行型式试验。 (型式试验机构由国家质检总局在相关网站上公布)。承担型式试验的单位在完成型式试验后,应当向申请单位出具型式试验报告。( 四) 约请鉴定评审机构申请单位应当携带批准受理申请资料和相关设备的型式试验报告,约请鉴定评审机构进行现场实地鉴定评审(鉴定评审机构由国家质检总局在相关网站上公布)。鉴定评审程序按照制造许可规则等安全技术规范进行,鉴定评审机构在完成现场实地鉴定评审工作后,向许可实施机关出具鉴定评审报告。( 五) 审批、发证许可实施机关经过审查,履行审批程序,符合条件的颁发《特种设备制造许可证》(正、副本各一份)。不符合条件...

1、当您付费下载文档后,您只拥有了使用权限,并不意味着购买了版权,文档只能用于自身使用,不得用于其他商业用途(如 [转卖]进行直接盈利或[编辑后售卖]进行间接盈利)。
2、本站所有内容均由合作方或网友上传,本站不对文档的完整性、权威性及其观点立场正确性做任何保证或承诺!文档内容仅供研究参考,付费前请自行鉴别。
3、如文档内容存在违规,或者侵犯商业秘密、侵犯著作权等,请点击“违规举报”。

碎片内容

特种设备生产许可证

确认删除?
VIP
微信客服
  • 扫码咨询
会员Q群
  • 会员专属群点击这里加入QQ群
客服邮箱
回到顶部