电脑桌面
添加小米粒文库到电脑桌面
安装后可以在桌面快捷访问

化工原理实验思考题答案VIP免费

化工原理实验思考题答案_第1页
1/14
化工原理实验思考题答案_第2页
2/14
化工原理实验思考题答案_第3页
3/14
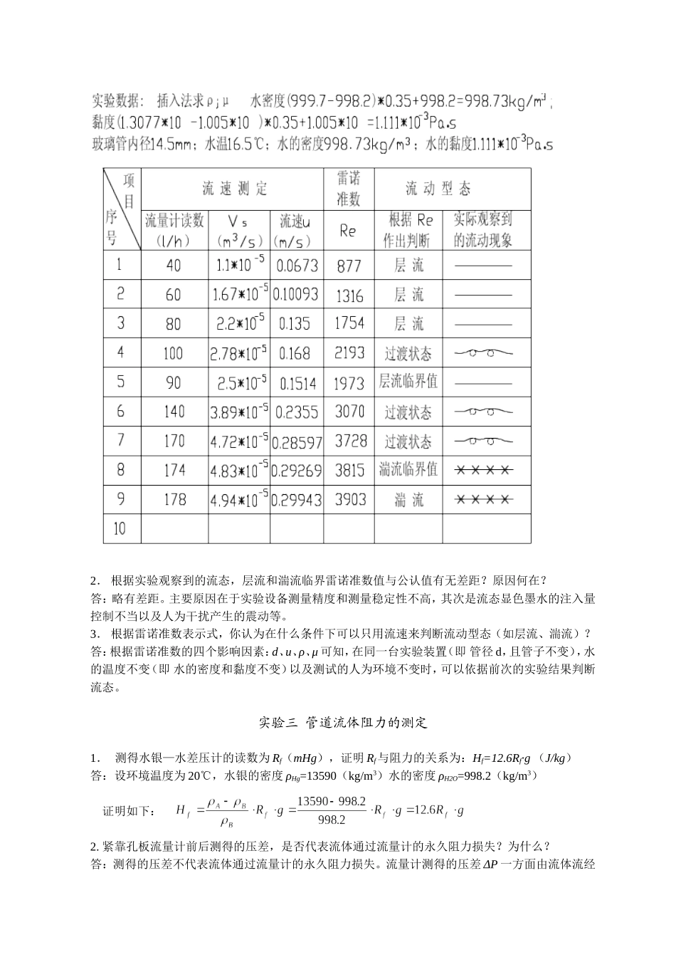
化工原理实验思考题实验一:柏努利方程实验1.关闭出口阀,旋转测压管小孔使其处于不同方向(垂直或正对流向),观测并记录各测压管中的液柱高度H并回答以下问题:(1)各测压管旋转时,液柱高度H有无变化?这一现象说明了什么?这一高度的物理意义是什么?答:在关闭出口阀情况下,各测压管无论如何旋转液柱高度H无任何变化。这一现象可通过柏努利方程得到解释:当管内流速u=0时动压头,流体没有运动就不存在阻力,即Σhf=0,由于流体保持静止状态也就无外功加入,既We=0,此时该式反映流体静止状态见(P31)。这一液位高度的物理意义是总能量(总压头)。(2)A、B、C、D、E测压管内的液位是否同一高度?为什么?答:A、B、C、D、E测压管内的液位在同一高度(排除测量基准和人为误差)。这一现象说明各测压管总能量相等。2.当流量计阀门半开时,将测压管小孔转到垂直或正对流向,观察其的液位高度H/并回答以下问题:(1)各H/值的物理意义是什么?答:当测压管小孔转到正对流向时H/值指该测压点的冲压头H/冲;当测压管小孔转到垂直流向时H/值指该测压点的静压头H/静;两者之间的差值为动压头H/动=H/冲-H/静。(2)对同一测压点比较H与H/各值之差,并分析其原因。答:对同一测压点H>H/值,而上游的测压点H/值均大于下游相邻测压点H/值,原因显然是各点总能量相等的前提下减去上、下游相邻测压点之间的流体阻力损失Σhf所致。(3)为什么离水槽越远H与H/差值越大?(4)答:离水槽越远流体阻力损失Σhf就越大,就直管阻力公式可以看出与管长l呈正比。3.当流量计阀门全开时,将测压管小孔转到垂直或正对流向,观察其的液位高度H//并回答以下问题:(1)与阀门半开时相比,为什么各测压管内的液柱高度H//出现了变化?答:从采集的数据可以看出,阀门全开时的静压头或冲压头与半开时相比,各对应点的压头均低于半开时的静压头或冲压头,因为直管阻力Hf与流速呈平方比(公式3-1)。(2)为什么C、D两点的静压头变化特别明显?答:由于测压管C、D两点所对应的管道内径小于两侧为φ12mm,因此在相同流量的条件下C、D两点所对应的管道内的流速大于两侧的流速,根据柏努利方程机械能守恒定律,当C、D两点的动能>时,C、D两点的静压能<。此外从直管阻力公式可以看出,l、d产生的阻力损失Σhf对C、D两点的静压能也有一定的影响。4.计算流量计阀门半开和全开A点以及C点所处截面流速大小。答:注:A点处的管径d=0.0145(m);C点处的管径d=0.012(m)A点半开时的流速:(m/s)A点全开时的流速:(m/s)C点半开时的流速:(m/s)C点全开时的流速:(m/s)实验二:雷诺实验1.根据雷诺实验测定的读数和观察流态现象,列举层流和湍流临界雷诺准数的计算过程,并提供数据完整的原始数据表。答:根据观察流态,层流临界状态时流量为90(l/h)体积流量:流速:雷诺准数:根据观察流态,湍流临界状态时流量为174(l/h)体积流量:流速:雷诺准数:同理,根据雷诺实验测定的读数计算其余各点的流量、流速和雷诺准数如原始数据表所述。2.根据实验观察到的流态,层流和湍流临界雷诺准数值与公认值有无差距?原因何在?答:略有差距。主要原因在于实验设备测量精度和测量稳定性不高,其次是流态显色墨水的注入量控制不当以及人为干扰产生的震动等。3.根据雷诺准数表示式,你认为在什么条件下可以只用流速来判断流动型态(如层流、湍流)?答:根据雷诺准数的四个影响因素:d、u、ρ、μ可知,在同一台实验装置(即管径d,且管子不变),水的温度不变(即水的密度和黏度不变)以及测试的人为环境不变时,可以依据前次的实验结果判断流态。实验三管道流体阻力的测定1.测得水银—水差压计的读数为Rf(mHg),证明Rf与阻力的关系为:Hf=12.6Rf·g(J/kg)答:设环境温度为20℃,水银的密度ρHg=13590(kg/m3)水的密度ρH2O=998.2(kg/m3)证明如下:2.紧靠孔板流量计前后测得的压差,是否代表流体通过流量计的永久阻力损失?为什么?答:测得的压差不代表流体通过流量计的永久阻力损失。流量计测得的压差ΔP一方面由流体流经孔板产生的永久阻力ΔP1,另一方面由流体流经孔板的流速变化也将产生一定的阻力ΔP2...

1、当您付费下载文档后,您只拥有了使用权限,并不意味着购买了版权,文档只能用于自身使用,不得用于其他商业用途(如 [转卖]进行直接盈利或[编辑后售卖]进行间接盈利)。
2、本站所有内容均由合作方或网友上传,本站不对文档的完整性、权威性及其观点立场正确性做任何保证或承诺!文档内容仅供研究参考,付费前请自行鉴别。
3、如文档内容存在违规,或者侵犯商业秘密、侵犯著作权等,请点击“违规举报”。

碎片内容

化工原理实验思考题答案

确认删除?
VIP
微信客服
  • 扫码咨询
会员Q群
  • 会员专属群点击这里加入QQ群
客服邮箱
回到顶部