电脑桌面
添加小米粒文库到电脑桌面
安装后可以在桌面快捷访问

吊顶工程轻钢骨架金属罩面板顶棚施工工艺标准模板

吊顶工程轻钢骨架金属罩面板顶棚施工工艺标准模板_第1页
1/10
吊顶工程轻钢骨架金属罩面板顶棚施工工艺标准模板_第2页
2/10
吊顶工程轻钢骨架金属罩面板顶棚施工工艺标准模板_第3页
3/10
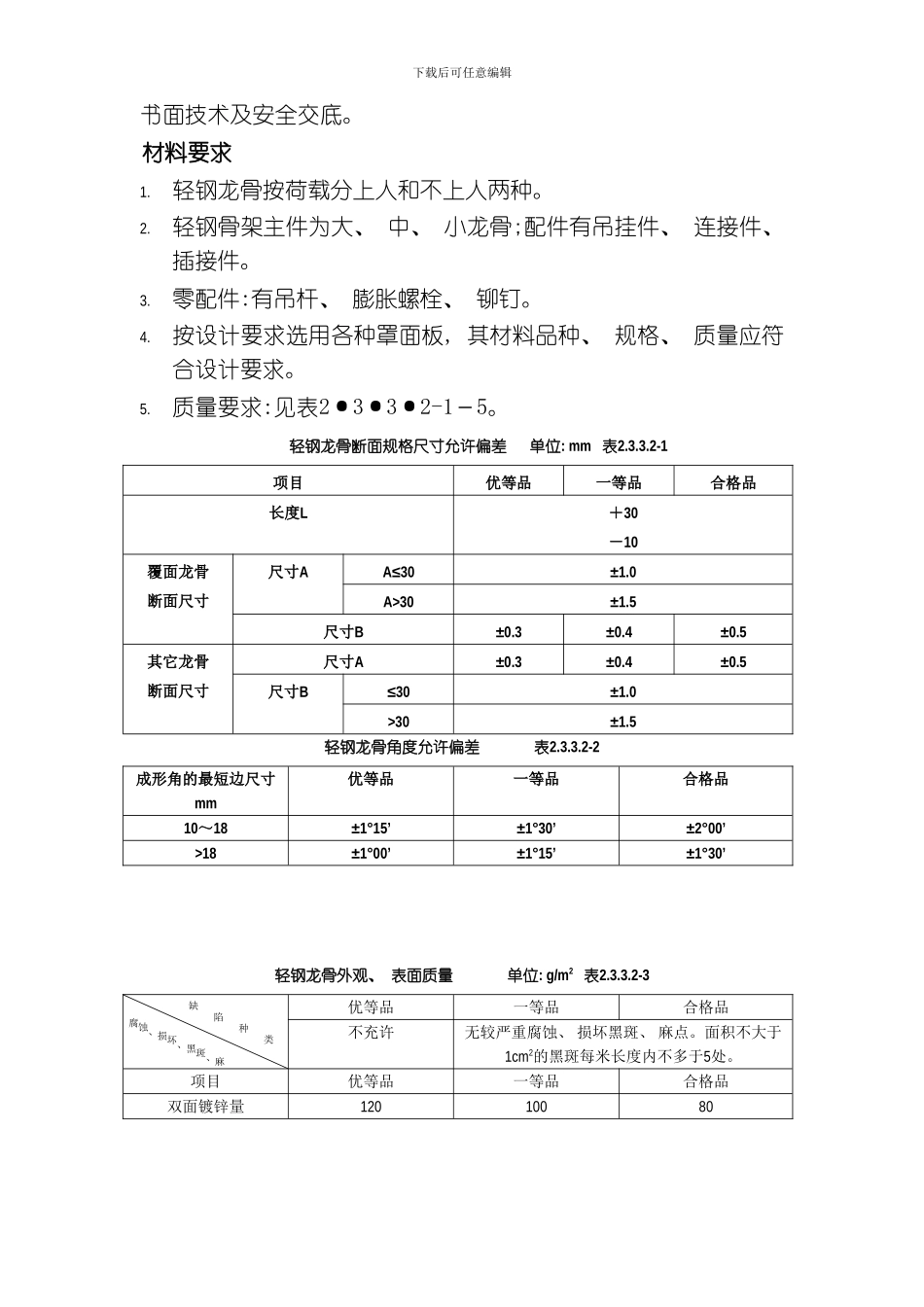
下载后可任意编辑轻钢骨架金属罩面板顶棚施工工艺标准适用范围本章适用于工业与民用建筑中轻钢骨架下面安装金属罩面板的顶棚安装工程。编制参考标准及法律规范1.中华人民共和国国家标准GB50210- 《建筑装饰装修工程质量验收法律规范》2.中华人民共和国国家标准GB50300- 《建筑工程施工质量验收统一标准》3.中华人民共和国国家标准GB50325- 《民用建筑工程室内环境污染控制法律规范》4.中华人民共和国国家标准GB50326- 《建设工程项目管理法律规范》5.《高级建筑装饰工程质量检验评定标准》DBJOl-27-966.《北京市建筑工程施工安全操作规程》DBJO1-62- 7.《建筑安装分项工程施工工艺规程》DBJOl-26-96术语、 符号1.交接检验由施工的承接方与完成方经双方检查并对可否继续施工做出确认的活动。2.主控项目建筑工程中的对安全、 卫生、 环境保护和公众利益起决定性作用的检验项目。3.一般项目除主控项目以外的检验项目。4.基层直接承受装饰装修施工的面层。施工准备技术准备编制轻钢骨架金属罩面板顶棚工程施工方案, 并对工人进行下载后可任意编辑书面技术及安全交底。材料要求1.轻钢龙骨按荷载分上人和不上人两种。2.轻钢骨架主件为大、 中、 小龙骨;配件有吊挂件、 连接件、 插接件。3.零配件:有吊杆、 膨胀螺栓、 铆钉。4.按设计要求选用各种罩面板, 其材料品种、 规格、 质量应符合设计要求。5.质量要求:见表2·3·3·2-1-5。轻钢龙骨断面规格尺寸允许偏差 单位: mm 表2.3.3.2-1项目优等品一等品合格品长度L+30-10覆面龙骨断面尺寸尺寸AA≤30±1.0A>30±1.5尺寸B±0.3±0.4±0.5其它龙骨断面尺寸尺寸A±0.3±0.4±0.5尺寸B≤30±1.0>30±1.5轻钢龙骨角度允许偏差 表2.3.3.2-2成形角的最短边尺寸mm优等品一等品合格品10~18±1°15’±1°30’±2°00’>18±1°00’±1°15’±1°30’轻钢龙骨外观、 表面质量 单位: g/m2 表2.3.3.2-3优等品一等品合格品不充许无较严重腐蚀、 损坏黑斑、 麻点。面积不大于1cm2的黑斑每米长度内不多于5处。项目优等品一等品合格品双面镀锌量12010080缺陷种类腐蚀、 损坏、 黑斑、 麻下载后可任意编辑铝塑复合板规格尺寸允许偏差 表2.3.3.2-4项目允许偏差值长度( mm) ±3宽度( mm) ±2厚度( mm) ±0.2对角线差( mm) ≤5边沿不直度( mm) ≤1翘曲度( mm) ≤5铝塑复合板外观质量 表2.3.3.2-5缺陷名称缺陷规定允许范围优等品合格品波纹不允许不明显鼓泡≤10mm不...

1、当您付费下载文档后,您只拥有了使用权限,并不意味着购买了版权,文档只能用于自身使用,不得用于其他商业用途(如 [转卖]进行直接盈利或[编辑后售卖]进行间接盈利)。
2、本站所有内容均由合作方或网友上传,本站不对文档的完整性、权威性及其观点立场正确性做任何保证或承诺!文档内容仅供研究参考,付费前请自行鉴别。
3、如文档内容存在违规,或者侵犯商业秘密、侵犯著作权等,请点击“违规举报”。

碎片内容

吊顶工程轻钢骨架金属罩面板顶棚施工工艺标准模板

您可能关注的文档

确认删除?
VIP
微信客服
  • 扫码咨询
会员Q群
  • 会员专属群点击这里加入QQ群
客服邮箱
回到顶部