电脑桌面
添加小米粒文库到电脑桌面
安装后可以在桌面快捷访问

商业银行地热井施工设计方案样本

商业银行地热井施工设计方案样本_第1页
1/16
商业银行地热井施工设计方案样本_第2页
2/16
商业银行地热井施工设计方案样本_第3页
3/16
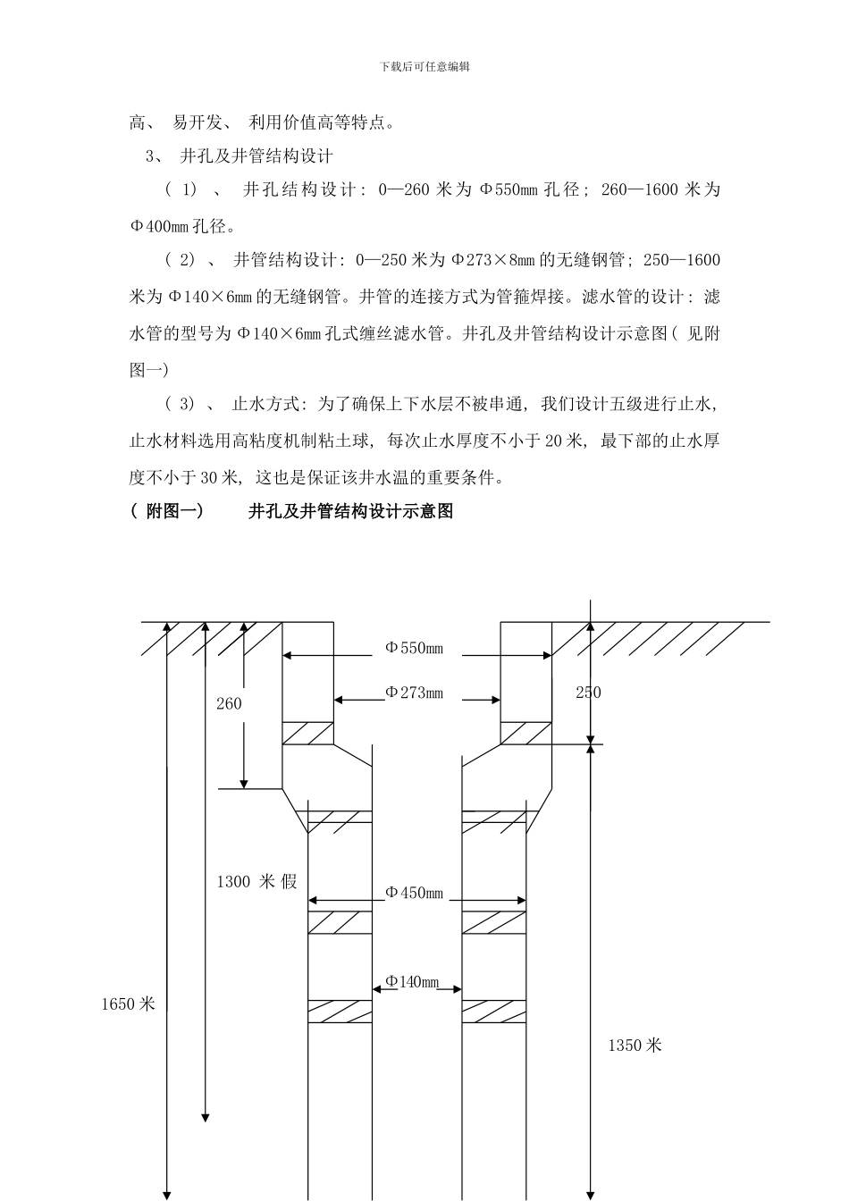
下载后可任意编辑商业银行地热井施工设计方案邯郸伟业地热开发有限公司施工组织设计方案下载后可任意编辑( 一) 编制依据1、 开封市商业银行地热井工程技术法律规范。2、 对施工现场实地考察。3、 有关国产进口设备的性能及台班定额。4、 国家水利部颁发的施工法律规范、 机井设计法律规范、 验收法律规范。5、 开封市水文地质条件。6、 施工经验及地质资料。( 二) 施工组织设计方案1、 工程概况开封市商业银行地热井工程设计成井深度 1600m, 根据开封地质资料及经验, 预测该井出口水温≥60℃、 水量≥50t/h。开采的目的层为上第三系馆陶组( Ng) 热储层。2、 地质概况: 开采地层依次顺序: 第四系( Q4) 、 上第三系明化镇组( Nm) 、 上第三系馆陶组( Ng) 。第四系( Q4) : 埋深 0-230 米左右。由黄河冲击沉积形成的地层, 主要以流沙、 细砂为主, 地层空隙度大, 较松散, 赋水性大水量相当丰富, 但水质较差。上第三系明化镇组( Nm) : 埋深 230—1600 米左右, 厚度 1370 米。地层由灰黄、 棕黄色粘土, 棕红色泥岩与浅棕色、 白色砂岩、 细砂岩、 砾砂岩堆积形成的互层。其中砂岩分布密度大, 砂岩厚度分布均匀, 粒径较大, 赋水性好。上第三系馆陶组( Ng) : 埋深 1600—2200 米左右, 厚度约 600 米。地层由棕红、 紫色、 紫红色泥岩与灰白色粉砂岩、 细砂岩互层, 中部及底部夹浅棕红色泥灰岩薄层, 砂岩上部为红色和棕色, 下部以白色为主, 以细砂岩居多, 层数增多, 底部地层胶结严密钻进速度较慢。上第三系馆陶组( Ng) 是该工程开发目的层, 该地层具有水量丰富, 水温下载后可任意编辑高、 易开发、 利用价值高等特点。3、 井孔及井管结构设计( 1) 、 井孔结构设计: 0—260 米为 Φ550mm 孔径; 260—1600 米为Φ400mm 孔径。( 2) 、 井管结构设计: 0—250 米为 Φ273×8mm 的无缝钢管; 250—1600米为 Φ140×6mm 的无缝钢管。井管的连接方式为管箍焊接。滤水管的设计: 滤水管的型号为 Φ140×6mm 孔式缠丝滤水管。井孔及井管结构设计示意图( 见附图一) ( 3) 、 止水方式: 为了确保上下水层不被串通, 我们设计五级进行止水, 止水材料选用高粘度机制粘土球, 每次止水厚度不小于 20 米, 最下部的止水厚度不小于 30 米, 这也是保证该井水温的重要条件。 ( 附图一) 井孔及井管结构设计示意图 1350 米 250米260米Φ550mmΦ273mmΦ4...

1、当您付费下载文档后,您只拥有了使用权限,并不意味着购买了版权,文档只能用于自身使用,不得用于其他商业用途(如 [转卖]进行直接盈利或[编辑后售卖]进行间接盈利)。
2、本站所有内容均由合作方或网友上传,本站不对文档的完整性、权威性及其观点立场正确性做任何保证或承诺!文档内容仅供研究参考,付费前请自行鉴别。
3、如文档内容存在违规,或者侵犯商业秘密、侵犯著作权等,请点击“违规举报”。

碎片内容

商业银行地热井施工设计方案样本

您可能关注的文档

确认删除?
VIP
微信客服
  • 扫码咨询
会员Q群
  • 会员专属群点击这里加入QQ群
客服邮箱
回到顶部