电脑桌面
添加小米粒文库到电脑桌面
安装后可以在桌面快捷访问

喷射混凝土施工作业指导书样本

喷射混凝土施工作业指导书样本_第1页
1/5
喷射混凝土施工作业指导书样本_第2页
2/5
喷射混凝土施工作业指导书样本_第3页
3/5
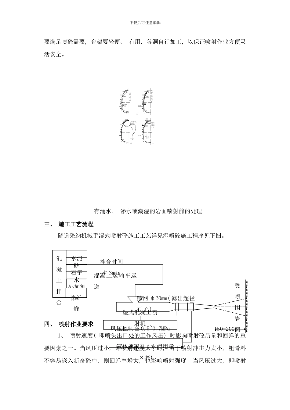
下载后可任意编辑湿喷混凝土作业指导书设计上喷射砼采纳湿喷作业, 湿式喷射能够减小回弹, 降低粉尘, 加大一次喷层厚度, 提高喷射砼质量。锚喷支护喷射砼, 分初喷和复喷二次进行。初喷在开挖( 或分部开挖) 完成后立即进行, 以尽早封闭暴露围岩, 防止开挖面风化剥落; 复喷砼在锚杆、 挂网或钢架安装后进行, 尽快形成喷锚支护整体受力, 以抑制围岩变位。一、 喷射砼材料1、 水泥喷射砼水泥采纳 42.5 普通硅酸盐水泥。2、 砂喷砼采纳坚硬耐久的中粗砂, 细度模量大于 2.5, 含水率宜控制在 5%~7%之间, 喷射砼不得采纳细砂。砂的各项技术标准符合法律规范要求。3、 石子采纳坚硬耐久的碎石或卵石, 石子粒径不大于 15mm, 使用前筛洗洁净, 含水率控制在 2%左右, 石子的级配符合设计要求。碱含量应合格。4、 速凝剂速凝剂的用量与凝聚时间、 水泥品种、 温度有关, 要根据施工工艺要求的凝聚时间, 对所用水泥做不同掺量的凝聚时间试验和强度试验, 以确定最佳掺量, 要求初凝时间不大于 5min, 终凝不大于 10min。根据施工工艺要求, 采纳液体速凝剂。5、 水水质应符合工程用水的有关标准, 水中不应含有影响水泥正常凝聚与硬化的有害物质。一般应采纳饮用水。二、 喷射砼前的准备工作喷射混凝土前, 应对受喷岩面进行处理后再喷射混凝土。喷射作业应连续进行, 并做好以下各项准备工作: 1、 一般岩面可用高压水冲洗受喷面上的浮尘、 岩屑, 当岩面遇水容易潮解、 泥化时, 宜采纳高压风吹净岩面, 以保证喷射砼与受喷岩面粘结牢固, 下载后可任意编辑保证喷射砼和地层良好的共同受力。2、 若为泥、 砂质岩面时应挂设细钢筋网( 网格宜不大于 20×20mm、 线径宜小于 3mm) , 用环向钢筋和锚钉或钢架固定, 使其密贴受喷面, 以提高喷混凝土的附着力。喷混凝土前, 宜先喷一层水泥砂浆, 待终凝后再喷射混凝土。在土层或煤层中进行喷射出现喷射不上去现象, 此时应贴开挖面挂 5cm×5cm 细网片, 并用锚杆固定在开挖面上, 然后喷水泥砂浆薄层, 等凝固后再正式喷射喷水泥砂浆时, 要加大速凝剂掺量, 减小风压。3、 设置控制喷射混凝土厚度的标志, 一般采纳埋设钢筋头做标志。喷层厚度是评价喷砼支护工程质量的主要项目之一。施工中往往发生因喷层过薄而引起砼开裂、 离鼓和剥落现象。因此在施工中必须控制好喷层厚度4、 检查机具设备和风、 水、 电等管线路, 并试运转: 5、 对有涌水、 渗水或...

1、当您付费下载文档后,您只拥有了使用权限,并不意味着购买了版权,文档只能用于自身使用,不得用于其他商业用途(如 [转卖]进行直接盈利或[编辑后售卖]进行间接盈利)。
2、本站所有内容均由合作方或网友上传,本站不对文档的完整性、权威性及其观点立场正确性做任何保证或承诺!文档内容仅供研究参考,付费前请自行鉴别。
3、如文档内容存在违规,或者侵犯商业秘密、侵犯著作权等,请点击“违规举报”。

碎片内容

喷射混凝土施工作业指导书样本

您可能关注的文档

确认删除?
VIP
微信客服
  • 扫码咨询
会员Q群
  • 会员专属群点击这里加入QQ群
客服邮箱
回到顶部